>┊
首页 | 最新需求 | 最新现货 | IC库存 | 供应商 | IC英文资料库 | IC中文资料库 | IC价格 | 电路图 | 应用资料 | 技术资料
 IC型号: 
您现在的位置:首页 >  IC英文资料库 进入手机版 
 
资料编号:45090
 
资料名称:SN74AHC123APWRE4
 
文件大小: 597.11K
   
说明
 
介绍:
DUAL RETRIGGERABLE MONOSTABLE MULTIVIBRATORS
 
 


: 点此下载
 
1
浏览型号SN74AHC123APWRE4的Datasheet PDF文件第2页
2
浏览型号SN74AHC123APWRE4的Datasheet PDF文件第3页
3
浏览型号SN74AHC123APWRE4的Datasheet PDF文件第4页
4
浏览型号SN74AHC123APWRE4的Datasheet PDF文件第5页
5
浏览型号SN74AHC123APWRE4的Datasheet PDF文件第6页
6
浏览型号SN74AHC123APWRE4的Datasheet PDF文件第7页
7
浏览型号SN74AHC123APWRE4的Datasheet PDF文件第8页
8
浏览型号SN74AHC123APWRE4的Datasheet PDF文件第9页
9
 
本平台电子爱好着纯手工中文简译:截至2020/5/17日,支持英文词汇500个
sn54ahc123a, sn74ahc123a
双 可再触发 单稳态 multivibrators
scls352g – july 1997 – 修订 april 2003
1
post 办公室 框 655303
达拉斯市, 德州 75265
d
操作 范围 2-v 至 5.5-v v
抄送
d
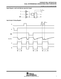
施密特-触发器 电路 开启 一个, b, 和 clr
输入 用于 慢 输入 过渡 费率
d
边缘 已触发 从 有效-高 或
d
可再触发 用于 很 长 输出 脉冲
d
压倒一切 清除 终止 输出 脉冲
d
无故障 通电 重置 开启 产出
d
闩锁 业绩 超过 100 ma 按
jesd 78, 类 二
d
esd 保护 超过 jesd 22
– 2000-v 人体 型号 (a114-一个)
– 200-v 机器 型号 (a115-一个)
– 1000-v 已充电-设备 型号 (c101)
描述/订购 信息
这 ’ahc123a 设备 是 双 可再触发
单稳态 multivibrators 设计 用于 2-v 至
5.5-v v
抄送
操作.
这些 边沿触发 multivibrators 功能
输出 脉冲-持续时间 控制 由 三个 方法. 入点
这 第一 方法, 这 一个
输入 是 低, 和 这 b 输入
去 高. 入点 这 第二 方法, 这 b 输入 是
高, 和 这 一个
输入 去 低. 入点 这 第三 方法,
这 一个
输入 是 低, 这 b 输入 是 高, 和 这 清除
(clr
) 输入 去 高.
订购 信息
t
一个
包装
可订购
零件 号码
顶侧
标记
pdip – n 导管 SN74AHC123AN SN74AHC123AN
SOIC d
导管 SN74AHC123AD
AHC123A
40
°
Cto85
°
c
SOICd
胶带 和 卷轴 SN74AHC123ADR
AHC123A
–40
°
c 至 85
°
c
ssop – db 胶带 和 卷轴 SN74AHC123ADBR HA123A
tssop – pw 胶带 和 卷轴 SN74AHC123APWR HA123A
tvsop – dgv 胶带 和 卷轴 SN74AHC123ADGVR HA123A
cdip – j 导管 SNJ54AHC123AJ SNJ54AHC123AJ
–55
°
c 至 125
°
c
cfp – w 导管 SNJ54AHC123AW SNJ54AHC123AW
lccc – fk 导管 SNJ54AHC123AFK SNJ54AHC123AFK
包装 图纸, 标准 填料 工程量, 热 数据, 符号化, 和 pcb 设计 准则 是
可用 在 www.ti.com/sc/包装.
版权
2003, 德州 仪器仪表 股份公司
请 是 意识到 那 一个 重要 通知 关于 可用性, 标准 保修, 和 使用 入点 关键 应用程序 的
德州 仪器仪表 半导体 产品 和 免责声明 对此 出现 在 这 结束 的 这个 数据 工作表.
SN54AHC123A ...j 或 w p组件
SN74AHC123A . . . d, db, dgv, n, 或 pw 包装
(顶部 查看)
SN54AHC123A . . . fk 包装
(顶部 查看)
1
2
3
4
5
6
7
8
16
15
14
13
12
11
10
9
1A
1B
1CLR
1Q
2Q
2C
分机
2R
分机
/c
分机
v
抄送
1R
分机
/c
分机
1C
分机
1Q
2Q
2CLR
2B
2A
3212019
910111213
4
5
6
7
8
18
17
16
15
14
1C
分机
1Q
nc
2Q
2CLR
1CLR
1Q
nc
2Q
2C
分机
1B
1A
nc
2A
2B
v
1R
2R
nc
抄送
nc – 否 内部 连接
分机
/c
分机
分机
/c
分机
生产 数据 信息 是 电流 作为 的 出版物 日期.
产品 符合 至 规格 按 这 条款 的 德州 仪器仪表
标准 保修. 生产 加工 是否 不 必然 包括
测试 的 全部 参数.
开启 产品 符合 至 密耳-prf-38535, 全部 参数 是 已测试
除非 否则 已注明. 开启 全部 其他 产品, 生产
加工 是否 不 必然 包括 测试 的 全部 参数.
资料评论区:
点击回复标题作者最后回复时间

标 题:
内 容:
用户名:
手机号:    (*未登录用户需填写手机号,手机号不公开,可用于网站积分.)
      
关于我们 | 联系我们
电    话13410210660             QQ : 84325569   点击这里与集成电路资料查询网联系
联系方式: E-mail:CaiZH01@163.com