>┊
首页 | 最新需求 | 最新现货 | IC库存 | 供应商 | IC英文资料库 | IC中文资料库 | IC价格 | 电路图 | 应用资料 | 技术资料
 IC型号: 
您现在的位置:首页 >  IC英文资料库 进入手机版 
 
资料编号:514298
 
资料名称:NE5534AP
 
文件大小: 314.53K
   
说明
 
介绍:
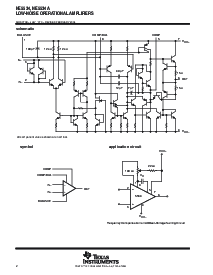
LOW-NOISE OPERATIONAL AMPLIFIERS
 
 


: 点此下载
 
1
浏览型号NE5534AP的Datasheet PDF文件第2页
2
浏览型号NE5534AP的Datasheet PDF文件第3页
3
浏览型号NE5534AP的Datasheet PDF文件第4页
4
浏览型号NE5534AP的Datasheet PDF文件第5页
5
浏览型号NE5534AP的Datasheet PDF文件第6页
6
浏览型号NE5534AP的Datasheet PDF文件第7页
7
浏览型号NE5534AP的Datasheet PDF文件第8页
8
浏览型号NE5534AP的Datasheet PDF文件第9页
9
 
本平台电子爱好着纯手工中文简译:截至2020/5/17日,支持英文词汇500个
 
  
slos070b −july 1979 − 修订 二月 2004
1
post 办公室 框 655303
达拉斯市, 德州 75265
等效 输入 噪声 电压 . . .
3.5 nv/
赫兹
统一增益 带宽 . . . 10 mhz 典型值
共模 拒收 比率 . . .
100 db 典型值
高 直流 电压 增益 . . . 100 v/mv 典型值
峰峰值 输出 电压 秋千
32 v 典型值 与 v
抄送
=
18 v 和 右
l
= 600
高 回转 费率 . . . 13 v/
s 典型值
3 v 至
20 v
低 谐波 失真
偏移量 归零 能力
外部 补偿 能力
描述/订购 信息
这 ne5534 和 ne5534a 是 高性能 运营 放大器 组合 优秀 直流 和 交流电
特性. 一些 的 这 特点 包括 很 低 噪声, 高 输出-驱动器 能力, 高 统一增益 和
最大值-输出-秋千 带宽, 低 失真, 和 高 回转 费率.
这些运营 放大器 是 已补偿 内部 用于 一个 增益 相等 至 或 更大 比 三个. 优化
的 这 频率 响应 用于 各种 应用程序 可以 是 获得 由 使用 的 一个 外部 补偿
电容器 之间 比较 和 比较/余额. 这 设备 功能 输入-保护 二极管, 输出 短路
保护, 和 偏移量-电压 归零 能力 与 使用 的 这 余额 和 比较/余额 针脚 (请参见 这
应用程序 电路
图表).
用于 这 ne5534a, 一个 最大值 限制 是 指定 用于 这 等效 输入 噪声 电压.
订购 信息
t
一个
v
io
最大值
在 25
°
c
包装
可订购
零件 号码
顶侧
标记
pdip (p)
导管 的 50 NE5534P NE5534P
pdip (p)
导管 的 50 NE5534AP NE5534AP
导管 的 75 NE5534D
NE5534
0
°
c 至 70
°
c 4 mv
soic (d)
卷轴 的 2500 NE5534DR
NE5534
0 c 至 70 c 4 mv
soic (d)
导管 的 75 NE5534AD
5534A
卷轴 的 2500 NE5534ADR
5534A
sop (ps) 卷轴 的 2000 NE5534PS N5534
包装图纸, 标准 填料 工程量, 热 数据, 符号化, 和 pcb 设计 准则 是 可用
在 www.ti.com/sc/包装.
版权
2004, 德州 仪器仪表 股份公司
        
         
       
   
1
2
3
4
8
7
6
5
余额
IN−
IN+
v
CC−
比较/余额
v
CC+
出点
比较
NE5534 ...d, p, 或 ps p组件
NE5534A ...d 或 p p组件
(顶部 查看)
资料评论区:
点击回复标题作者最后回复时间

标 题:
内 容:
用户名:
手机号:    (*未登录用户需填写手机号,手机号不公开,可用于网站积分.)
      
关于我们 | 联系我们
电    话13410210660             QQ : 84325569   点击这里与集成电路资料查询网联系
联系方式: E-mail:CaiZH01@163.com