>┊
首页 | 最新需求 | 最新现货 | IC库存 | 供应商 | IC英文资料库 | IC中文资料库 | IC价格 | 电路图 | 应用资料 | 技术资料
 IC型号: 
您现在的位置:首页 >  IC英文资料库 进入手机版 
 
资料编号:538500
 
资料名称:P87C51FB-4N
 
文件大小: 360.34K
   
说明
 
介绍:
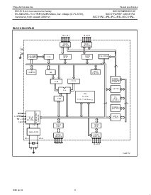
80C51 8-bit microcontroller family 8K.64K/256.1K OTP/ROM/ROMless, low voltage 2.7V.5.5V, low power, high speed 33 MHz
 
 


: 点此下载
 
1
浏览型号P87C51FB-4N的Datasheet PDF文件第2页
2
浏览型号P87C51FB-4N的Datasheet PDF文件第3页
3
浏览型号P87C51FB-4N的Datasheet PDF文件第4页
4
浏览型号P87C51FB-4N的Datasheet PDF文件第5页
5
浏览型号P87C51FB-4N的Datasheet PDF文件第6页
6
浏览型号P87C51FB-4N的Datasheet PDF文件第7页
7
浏览型号P87C51FB-4N的Datasheet PDF文件第8页
8
浏览型号P87C51FB-4N的Datasheet PDF文件第9页
9
 
本平台电子爱好着纯手工中文简译:截至2020/5/17日,支持英文词汇500个


8xc52/54/58/80c32
8xc51fa/fb/fc/80c51fa
8xc51ra+/rb+/rc+/rd+/80c51ra +
80c51 8-有点 微控制器 家庭
8k–64k/256–1k otp/rom/romless,
低 电压 (2.7v–5.5v), 低 电源, 高 速度 (33mhz)
产品 规格
取代 数据 的 1998 六月 04
ic20 数据 手册
1999 apr 01
综合 电路
资料评论区:
点击回复标题作者最后回复时间

标 题:
内 容:
用户名:
手机号:    (*未登录用户需填写手机号,手机号不公开,可用于网站积分.)
      
关于我们 | 联系我们
电    话13410210660             QQ : 84325569   点击这里与集成电路资料查询网联系
联系方式: E-mail:CaiZH01@163.com