>┊
首页 | 最新需求 | 最新现货 | IC库存 | 供应商 | IC英文资料库 | IC中文资料库 | IC价格 | 电路图 | 应用资料 | 技术资料
 IC型号: 
您现在的位置:首页 >  IC英文资料库 进入手机版 
 
资料编号:541778
 
资料名称:PC100-323-620
 
文件大小: 84.94K
   
说明
 
介绍:
3.3 V 16M x 64/72-Bit SDRAM Modules 3.3 V 32M x 64/72-Bit SDRAM Modules 3.3 V 64M x 64/72-Bit SDRAM Modules
 
 


: 点此下载
 
1
浏览型号PC100-323-620的Datasheet PDF文件第2页
2
浏览型号PC100-323-620的Datasheet PDF文件第3页
3
浏览型号PC100-323-620的Datasheet PDF文件第4页
4
浏览型号PC100-323-620的Datasheet PDF文件第5页
5
浏览型号PC100-323-620的Datasheet PDF文件第6页
6
浏览型号PC100-323-620的Datasheet PDF文件第7页
7
浏览型号PC100-323-620的Datasheet PDF文件第8页
8
浏览型号PC100-323-620的Datasheet PDF文件第9页
9
 
本平台电子爱好着纯手工中文简译:截至2020/5/17日,支持英文词汇500个
半导体 集团 1 1998-08-01
3.3 v 16m
×
64/72-有点 sdram 模块
3.3 v 32m
×
64/72-有点 sdram 模块
3.3 v 64m
×
64/72-有点 sdram 模块
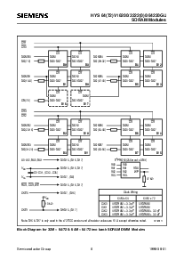
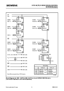
pc100-168 管脚 无缓冲 dimm 模块
hys 64/72v16200gu
hys 64/72v32220gu
hys 64/72v32200gu
hys 64/72v64220gu
初步 信息
168 管脚 无缓冲 8 字节 双列直插式 sdram 模块 用于 pc 主 记忆 应用程序
一个 银行 16m
×
64, 16m
×
72, 32m
×
64 和 32m
×
72 组织机构
两个 银行 32m
×
64, 32m
×
72, 64m
×
64 和 64m
×
72 组织机构
优化 用于 字节-写 非-奇偶校验 或 ecc 应用程序
完全 pc 板 布局 兼容 至 英特尔’s rev. 1.0 模块 规格
电子元件工业联合会 标准 同步 drams (sdram)
sdram 业绩:
编程 延迟:
单独 + 3.3 v (
±
0.3 v) 电源 供应
可编程 cas 延迟, 突发 长度 和 包装 顺序
(顺序 &放大器; 交错)
自动 刷新 (cbr) 和 自我 刷新
解耦 电容器 已安装 开启 基材
全部 输入, 产出 是 lvttl 兼容
串行 在场 检测 与 e?
2
舞会
利用 32m
×
8 sdrams 入点 tsopii-54 软件包
用途 siemens 128mbit 和 256mbit sdram 组件
黄金 联系人 衬垫
卡片 尺寸: 133.35 mm
×
31.75 mm
×
4.00 mm
-8 -8b 单位
f
ck
时钟 频率 (最大值.) 100 100 MHz
t
交流电
时钟 访问权限 时间 6 6 ns
产品 速度 cl
t
刚果民盟
t
rp
-8 PC100 2 2 2
-8b PC100 3 2 3
资料评论区:
点击回复标题作者最后回复时间

标 题:
内 容:
用户名:
手机号:    (*未登录用户需填写手机号,手机号不公开,可用于网站积分.)
      
关于我们 | 联系我们
电    话13410210660             QQ : 84325569   点击这里与集成电路资料查询网联系
联系方式: E-mail:CaiZH01@163.com