>┊
首页 | 最新需求 | 最新现货 | IC库存 | 供应商 | IC英文资料库 | IC中文资料库 | IC价格 | 电路图 | 应用资料 | 技术资料
 IC型号: 
您现在的位置:首页 >  IC英文资料库 进入手机版 
 
资料编号:55200
 
资料名称:AT24C21
 
文件大小: 252.9K
   
说明
 
介绍:
2-Wire Serial EEPROM
 
 


: 点此下载
 
1
浏览型号AT24C21的Datasheet PDF文件第2页
2
浏览型号AT24C21的Datasheet PDF文件第3页
3
浏览型号AT24C21的Datasheet PDF文件第4页
4
浏览型号AT24C21的Datasheet PDF文件第5页
5
浏览型号AT24C21的Datasheet PDF文件第6页
6
浏览型号AT24C21的Datasheet PDF文件第7页
7
浏览型号AT24C21的Datasheet PDF文件第8页
8
浏览型号AT24C21的Datasheet PDF文件第9页
9
 
本平台电子爱好着纯手工中文简译:截至2020/5/17日,支持英文词汇500个
1
特点
2-电线 串行 接口
施密特 触发器, 已过滤 输入 用于 噪声 抑制
ddc1™/ ddc2™ 接口 符合 用于 显示器 标识
低 电压 操作
2.5 (v
抄送
= 2.5v 至 5.5v)
内部 有组织的 128 x 8
100 khz (2.5v) 兼容性
8-字节 第页 写 模式
写 保护 可用
自定时 写 循环 (10 ms 最大值)
高 可靠性
耐力: 1 百万 写 循环次数
数据 保留: 100 年
esd 保护: >3000v
8-管脚 pdip 和 电子元件工业联合会 soic 软件包
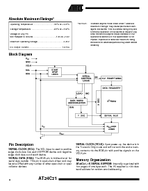
描述
这 at24c21 提供 1024 比特 的 串行 电气 可擦除 和 可编程
阅读 仅 记忆 (可擦可编程只读存储器) 有组织的 作为 128 字词 的 8 比特 每个. 这 设备 是
优化 用于 使用 入点 应用程序 要求 数据 存储 和 串行 变速器 的 con-
形象 和 控制 信息. 这 at24c21 特点 两个 模式 的 操作:
发送-仅 模式 和 双向 模式. 在 电源-向上, 这 at24c21 将 是 入点
时钟 通过 这 vclk 管脚. 这 双向 模式 是 已选择 由 一个 有效 高到低
记忆 阵列. 这 at24c21 是 可用 入点 空间 正在保存 8-管脚 pdip 和 8-管脚 soic
软件包.
2-电线 串行
可擦可编程只读存储器
1k (128 x 8)
AT24C21
rev. 0405e–07/98
2-电线, 1k
串行 可擦可编程只读存储器
管脚 配置
管脚 姓名 功能
nc 否 连接
SDA 串行 数据
scl 串行 时钟 输入
(双向 模式)
VCLK 串行 时钟 输入
(发送-仅 模式)
8-管脚 pdip 8-管脚 soic
资料评论区:
点击回复标题作者最后回复时间

标 题:
内 容:
用户名:
手机号:    (*未登录用户需填写手机号,手机号不公开,可用于网站积分.)
      
关于我们 | 联系我们
电    话13410210660             QQ : 84325569   点击这里与集成电路资料查询网联系
联系方式: E-mail:CaiZH01@163.com