>┊
首页 | 最新需求 | 最新现货 | IC库存 | 供应商 | IC英文资料库 | IC中文资料库 | IC价格 | 电路图 | 应用资料 | 技术资料
 IC型号: 
您现在的位置:首页 >  IC英文资料库 进入手机版 
 
资料编号:555642
 
资料名称:PSB2120
 
文件大小: 292.59K
   
说明
 
介绍:
ISDN Remote Power Controller
 
 


: 点此下载
 
1
浏览型号PSB2120的Datasheet PDF文件第2页
2
浏览型号PSB2120的Datasheet PDF文件第3页
3
浏览型号PSB2120的Datasheet PDF文件第4页
4
浏览型号PSB2120的Datasheet PDF文件第5页
5
浏览型号PSB2120的Datasheet PDF文件第6页
6
浏览型号PSB2120的Datasheet PDF文件第7页
7
浏览型号PSB2120的Datasheet PDF文件第8页
8
浏览型号PSB2120的Datasheet PDF文件第9页
9
 
本平台电子爱好着纯手工中文简译:截至2020/5/17日,支持英文词汇500个
这 psb 2120 是 一个 脉冲 宽度 调制器 (pwm) 电路 设计 用于 固定频率 开关
调节器 尤其是 用于 电话 和 isdn-环境.
这 psb 2120 是 完全 兼容 与 这 ccitt-电源 建议 开启 这 “s”-接口.
耦合 与 一个 很少 外部 组件 它 可以 提供 一个 稳定 5 v 直流-供应 用于 订户
接线端子 (te’s) 或 网络 终结者 (nt’s). 它 可以 也 是 编程 用于 较高 输出
电压, e?.g. 至 供应 这 s-线条 与 40 v.
入点 电话 和 isdn-系统 一个 高 换算 产量 是 至关重要 至 维护 功能 入点 全部
供应 条件 通过 “s”- 或 “u”-接口. 这 psb 2120 设计 和 技术 实现 高
换算 效率 和 低 电源 耗散.
它 应该 是 公认的 那 这 psb 2120 可以 也 是 已使用 入点 众多 直流/直流-换算
系统 其他 比 isdn-电源 供应品.
类型 版本 订购 代码 包装
psb 2120-p v b5 q67100-h8645 p-倾角-22
psb 2120-t v b5 q67100-h6278 p-dso-24-1 (smd)
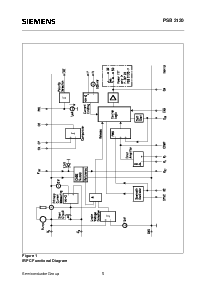
isdn 远程 电源 控制器
(irpc)
cmos 集成电路
psb 2120
p-dso-24-1
p-倾角-22
特点
已切换 模式 直流/直流-变频器
已切换 模式 直流/直流-变频器
ccitt (我.430) isdn 兼容
综合 200 v 电源 场效应晶体管
(仅 psb 2120-p 入点 p-倾角-22)
低 电源 耗散
供应 电压 范围 10 v 至 60 v
输入 欠压 检测
可编程 过流 保护
软 开始
控制 电路 至 实现 最小值 启动 电流
电源 客房部 输入
振荡器 同步 输入/输出
极性 反转 检测
高 电压 cmos-技术 60 v
半导体 集团 3 12.92
资料评论区:
点击回复标题作者最后回复时间

标 题:
内 容:
用户名:
手机号:    (*未登录用户需填写手机号,手机号不公开,可用于网站积分.)
      
关于我们 | 联系我们
电    话13410210660             QQ : 84325569   点击这里与集成电路资料查询网联系
联系方式: E-mail:CaiZH01@163.com