>┊
首页 | 最新需求 | 最新现货 | IC库存 | 供应商 | IC英文资料库 | IC中文资料库 | IC价格 | 电路图 | 应用资料 | 技术资料
 IC型号: 
您现在的位置:首页 >  IC英文资料库 进入手机版 
 
资料编号:562637
 
资料名称:AM79Q5457VC
 
文件大小: 661.97K
   
说明
 
介绍:
Quad Subscriber Line Audio Processing Circuit-Non-Programmable (QSLAC-NP) Devices
 
 


: 点此下载
 
1
浏览型号AM79Q5457VC的Datasheet PDF文件第2页
2
浏览型号AM79Q5457VC的Datasheet PDF文件第3页
3
浏览型号AM79Q5457VC的Datasheet PDF文件第4页
4
浏览型号AM79Q5457VC的Datasheet PDF文件第5页
5
浏览型号AM79Q5457VC的Datasheet PDF文件第6页
6
浏览型号AM79Q5457VC的Datasheet PDF文件第7页
7
浏览型号AM79Q5457VC的Datasheet PDF文件第8页
8
浏览型号AM79Q5457VC的Datasheet PDF文件第9页
9
 
本平台电子爱好着纯手工中文简译:截至2020/5/17日,支持英文词汇500个
Publication#
20031
rev:
d
修正案: /
0
问题 日期:
january 2000
虽然 这 姓名 和 徽标 有 已更改, 这 数据 包含 此处
遗迹 这 相同 作为 这 大多数 最近 amd 修订 的 这个 文件.
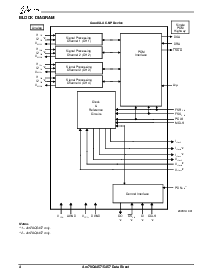
与众不同 特性
n
执行 这 功能 的 四 编解码器/过滤器
n
一个-法律 或 Μ-定律 编码
n
单独 pcm 港口
n
硬件 可编程 (通过 外部
组件)
transhybrid 余额 阻抗
发送 和 接收 收益
n
附加 am79q4457 设备 能力
(按 频道, 设置 外部)
三个 可选择 发送 收益
三个 可选择 接收 收益
两个 可选择 余额 网络
简单 串行 控制 接口
n
分开 pcm 和 主人 时钟
n
1.536 mhz, 1.544 mhz, 2.048 mhz, 或 4.096 mhz
主人 时钟 选项
内部 计时 自动 已调整 基于 开启
mclk 和 框架 同步 信号
n
低 电源 5.0 v cmos 技术
n
5.0 v 仅 操作
概述 描述
这 am79q4457/5457 四边形 订户 线 音频
加工 电路-非-可编程 (qslac-np)
设备 集成 这 钥匙 功能 的 模拟 linecards
进入 一个 高-业绩, 四通道 编解码器/过滤器
设备. 这 qslac-np 设备 是 基于 开启 这
经过验证 设计 的 这 可靠 am79c02/03/031(一个)
双 订户 线 音频-加工 电路
(dslac
) 设备, 和 这 am79c202 高级
订户 线 音频-加工 电路 (aslac
)
设备. 这 高级 体系结构 的 这 qslac-np
设备 机具 四 独立 频道 入点 一个
单独 综合 电路, 提供 一个 成本效益
解决方案 用于 这 音频-加工 功能 的 平原 老
电话 服务 (花盆) linecards.
这 am79q4457/5457 qslac-np 设备 提供
四 行业标准 编解码器/过滤器 设备 入点 一个 单独
综合 电路. 这 am79q4457/5457 设备
提供 一个 发送 和 接收 框架 同步
输入 按 频道. 一个-法律 或 Μ-定律 压缩 是
已选择 通过 一个 设备 管脚.
入点 加法, 这 am79q4457 设备 提供 这 能力
至 选择 一个 的 三个 独立 增益 设置 (两者都有
发送 和 接收) 和 一个 的 两个 余额 网络
开启 一个 每通道 依据. 这 发送 和 接收 增益
级别 是 设置 一次 用于 这 设备 通过 外部
组件. 增益 水平 选择 和 这 余额
网络 选择 是 已实现 通过 一个 综合
串行 轮班 注册 和 门闩 按 频道.
这 am79q5457 设备 提供 四 行业-
标准 编解码器/过滤器 设备 入点 一个 32-管脚 plcc 或 44-
管脚 tqfp 包装. 这 am79q4457 设备 提供
四 行业标准 编解码器/过滤器 设备 和
可选择 增益 和 余额 功能 入点 一个 44-管脚 plcc
或 44-管脚 tqfp 包装.
高级 亚微米 cmos 技术 启用 这
am79q4457/5457 qslac-np 设备 至 有 两者都有
这 功能 和 这 低 电源 消费
必填项 入点 线路卡 设计, 最大化 线路卡
密度 在 一个 最小值 成本. 当 已使用 与 四
legerity slics, 一个 qslac-np 设备 提供 一个
完成 解决方案 至 这 borscht 功能 的 一个
花盆 线路卡.
am79q4457/5457
四边形 订户 线 音频 加工 电路-
非-可编程 (qslac
-np) 设备
资料评论区:
点击回复标题作者最后回复时间

标 题:
内 容:
用户名:
手机号:    (*未登录用户需填写手机号,手机号不公开,可用于网站积分.)
      
关于我们 | 联系我们
电    话13410210660             QQ : 84325569   点击这里与集成电路资料查询网联系
联系方式: E-mail:CaiZH01@163.com