>┊
首页 | 最新需求 | 最新现货 | IC库存 | 供应商 | IC英文资料库 | IC中文资料库 | IC价格 | 电路图 | 应用资料 | 技术资料
 IC型号: 
您现在的位置:首页 >  IC英文资料库 进入手机版 
 
资料编号:570464
 
资料名称:R5320G
 
文件大小: 271.56K
   
说明
 
介绍:
CMOS Multi-LDOs for RF Unit
 
 


: 点此下载
 
1
浏览型号R5320G的Datasheet PDF文件第2页
2
浏览型号R5320G的Datasheet PDF文件第3页
3
浏览型号R5320G的Datasheet PDF文件第4页
4
浏览型号R5320G的Datasheet PDF文件第5页
5
浏览型号R5320G的Datasheet PDF文件第6页
6
浏览型号R5320G的Datasheet PDF文件第7页
7
浏览型号R5320G的Datasheet PDF文件第8页
8
浏览型号R5320G的Datasheet PDF文件第9页
9
 
本平台电子爱好着纯手工中文简译:截至2020/5/17日,支持英文词汇500个
’99.11.11
cmos 多-ldos 用于 rf 单位
r5320g 系列
rev.1.13 - 1 -
n
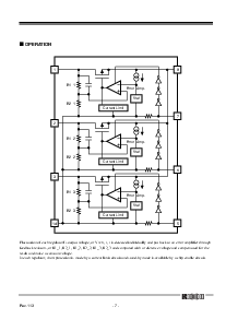
大纲
这 r5320g 系列 是 多 电压 调节器 ics 与 高 输出 电压 准确度, 极其 低 供应 电流, 低 噪声,
低 导通电阻 和 高 波纹 拒收 由 cmos 流程. 这 r5320g 系列 包含 三个 电压 调节器. 每个 的
这些 电压 调节器 入点 这 r5320g 系列 由 的 一个 电压 参考 单位, 一个 错误 放大器, 电阻 用于 设置 output
电压, 一个 电流 限制 电路 和 一个 芯片 启用 电路.
这 芯片 启用 功能 贡献 至 延长 蓄电池 生活. 进一步, 调节器 入点 这 r5320g 系列 是 与 低 辍学
电压, 优秀 荷载 瞬态 响应 和 线 瞬态 响应, 因此 这 r5320g 系列 是 很 适合 用于 这 电源
供应 用于 手持 通信 设备.
这 输出 电压 的 每个 调节器 是 固定 与 高 准确度 由 激光 配平.
自 这 包装 用于 这些 ics 是 ssop8g 包装, 高 密度 安装 的 这 ics 开启 板 是 可能.
n
特点
l
超-低 供应 电流.....................................典型值. 70µ一个:vr1, 典型值 70µ一个:vr2, 典型值 70µ一个:vr3
l
低 备用 电流 ............................................典型值. 0.1µ一个:vr1, 典型值 0.1µ一个:vr2, 典型值 0.1µ一个:vr3
l
低 辍学 电压 ............................................典型值. 0.22v (vr1) 0.16v (vr2,vr3)
出点
=150ma:vr1,80ma:vr2,vr3 (ex. 用于 3.0v 输出 类型)
l
高 波纹 拒收 ...........................................典型值.70db (f=1khz)
l
高 输出 电压 准确度..............................±2.0%
l
优秀 荷载 瞬态 响应 和 线 瞬态 响应
l
小 包装 .......................................................8-管脚 ssop (0.65mm 变桨)
l
输入 电压 .........................................................最大值. 6v
n
应用程序
l
电源 来源 用于 细胞 电话 这样的 作为 gsm,cdma 和 个人 方便-电话 系统.
l
电源 来源 用于 电气 电器 这样的 作为 摄像头, vcrs, 摄像机, 等
l
电源 来源 用于 电池供电 设备.
资料评论区:
点击回复标题作者最后回复时间

标 题:
内 容:
用户名:
手机号:    (*未登录用户需填写手机号,手机号不公开,可用于网站积分.)
      
关于我们 | 联系我们
电    话13410210660             QQ : 84325569   点击这里与集成电路资料查询网联系
联系方式: E-mail:CaiZH01@163.com