>┊
首页 | 最新需求 | 最新现货 | IC库存 | 供应商 | IC英文资料库 | IC中文资料库 | IC价格 | 电路图 | 应用资料 | 技术资料
 IC型号: 
您现在的位置:首页 >  IC英文资料库 进入手机版 
 
资料编号:570467
 
资料名称:R5310L
 
文件大小: 270.66K
   
说明
 
介绍:
Multi LDOs for Cellular-phone
 
 


: 点此下载
 
1
浏览型号R5310L的Datasheet PDF文件第2页
2
浏览型号R5310L的Datasheet PDF文件第3页
3
浏览型号R5310L的Datasheet PDF文件第4页
4
浏览型号R5310L的Datasheet PDF文件第5页
5
浏览型号R5310L的Datasheet PDF文件第6页
6
浏览型号R5310L的Datasheet PDF文件第7页
7
浏览型号R5310L的Datasheet PDF文件第8页
8
浏览型号R5310L的Datasheet PDF文件第9页
9
 
本平台电子爱好着纯手工中文简译:截至2020/5/17日,支持英文词汇500个
’99.5.20
多 ldos 用于 细胞-电话
r5310l 系列
rev.1.10 - 1 -
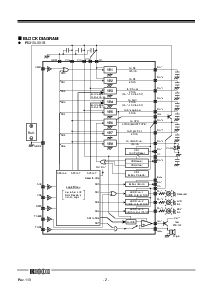
大纲
这 r5310l 系列 是 多 ldo 调节器 用于 电源 管理 的 细胞 电话. 全部 的 调节器 是 低 噪声 和
极其 低 静态 电流 由 cmos 流程. 每个 的 这些 ics 由 的 八 ldos, 电压 探测器, 蓄电池
显示器, 三个 led指示灯 驱动程序, 和 一个 铃声 驾驶员. 每个 的 他们 可以 是 受控 由 cpu 通过 3-电线 串行 interface. 这些 ics
制造 它 可能 至 集成 几乎 电源 管理 和 模拟 驱动程序 入点 细胞-电话 系统. 这 输出 电压 的
两个 调节器 是 外部 可编程, 和 其他 调节器 是 能 至 设置 不同的 输出 电压 独立 由 lase
配平 作为 井 作为 检测器 阈值.
一个 微小的 32-管脚 lqfp, 0.5mm 铅 变桨, 是 available.
特点
超 低 备用 电流 .................................................................. 10µ一个 典型值 与 仅 vr6 是 已启用 一个t 否 荷载
高 准确度 输出 电压 和 检测器 阈值 ...................... ±2.0% 除了 可编程 vrs.
输出 电压 和 检测器 阈值 ............................................... stepwise 设置 与 一个 步骤 的 0.1v 是 位置sible
除了 可编程 vrs.
低 温度-漂移-系数 的 输出 电压 和
检测器 阈值............................................................................... 典型值 100ppm/°c
低 辍学 电压 ........................................................................... 150mv 在 120ma 用于 vr1
150mv 在 80ma 用于 vr2
高 波纹 拒收 .......................................................................... 65db 在 1khz 用于 vr1, vr2 和 vr5
60db 在 1khz 用于 vr6 和 vr7
3-电线 串行 接口........................................................................... 关机 用于 每个 的 法规ors, 除了 vr6,
探测器 和 驱动程序.
调整 输出 电压 用于 vr3/4 由 8 有点.
蓄电池 电压 显示器........................................................................ 模拟 输出 用于 监测 蝙蝠tery 电压
包装................................................................................................. lqfp 32pin 与 0.5mm lead 变桨
应用程序
便携式 电话 这样的 作为 gsm, pdc 和 cdma 作为 井 作为 其他 模拟 电话.
电源 供应 用于 电池供电 电器.
资料评论区:
点击回复标题作者最后回复时间

标 题:
内 容:
用户名:
手机号:    (*未登录用户需填写手机号,手机号不公开,可用于网站积分.)
      
关于我们 | 联系我们
电    话13410210660             QQ : 84325569   点击这里与集成电路资料查询网联系
联系方式: E-mail:CaiZH01@163.com