>┊
首页 | 最新需求 | 最新现货 | IC库存 | 供应商 | IC英文资料库 | IC中文资料库 | IC价格 | 电路图 | 应用资料 | 技术资料
 IC型号: 
您现在的位置:首页 >  IC英文资料库 进入手机版 
 
资料编号:573324
 
资料名称:RC1117
 
文件大小: 48.11K
   
说明
 
介绍:
1A Adjustable/Fixed Low Dropout Linear Regulator
 
 


: 点此下载
 
1
浏览型号RC1117的Datasheet PDF文件第2页
2
浏览型号RC1117的Datasheet PDF文件第3页
3
浏览型号RC1117的Datasheet PDF文件第4页
4
浏览型号RC1117的Datasheet PDF文件第5页
5
浏览型号RC1117的Datasheet PDF文件第6页
6
浏览型号RC1117的Datasheet PDF文件第7页
7
浏览型号RC1117的Datasheet PDF文件第8页
8
浏览型号RC1117的Datasheet PDF文件第9页
9
 
本平台电子爱好着纯手工中文简译:截至2020/5/17日,支持英文词汇500个
www.仙女半.com
rev. 1.3.2 10/16/03
特点
低 辍学 电压
荷载 法规: 0.05% 典型
已修整 电流 限制
片上 热 限制
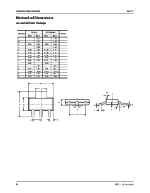
标准 sot-223, 至-263, 和 至-252 软件包
三端子 可调 或 fixed 2.5v, 2.85v, 3.3v, 5v
应用程序
活动 scsi 终结者
高 Ef 线性 调节器
post 调节器 用于 开关 供应品
蓄电池 充电器
5v 至 3.3v 线性 调节器
主板 时钟 供应品
描述
这 rc1117 和 rc1117-2.5, -2.85, -3.3 和 -5 是 低
辍学 三端子 调节器 与 1a 输出 电流
能力. 这些 设备 有 被 优化 用于 低 电压
在哪里 瞬态 响应 和 最小值 输入 电压 是
关键. 这 2.85v 版本 是 设计 特定 至 是
已使用 入点 活动 终结者 用于 scsi 总线.
电流 限制 是 已修整 至 确保 specified 输出 电流
和 受控 短路 电流. 片上 热 限制
提供 保护 反对 任何 组合 的 过载 和
环境 温度 那 将 创建 过多 接合点
温度.
不像 pnp 类型 调节器 在哪里 向上 至 10% 的 这 输出
电流 是 浪费 作为 静态 电流, 这 静态 电流
的 这 rc1117 flows 进入 这 荷载, 增加 Ef.
这 rc1117 系列 调节器 是 可用 入点 这 行业-
标准 sot-223, 至-263 (d2pak), 和 至-252 (dpak)
电源 软件包.
典型 应用程序
v
入点
= 3.3v v
入点
v
出点
adj
1.5v 在 1a
RC1117
10
µ
F22
µ
f
R1
124
R2
24.9
v
入点
= 5v v
入点
v
出点
2.85v 在 1a
rc1117-2.85
10
µ
f
++
+
+
22
µ
f
v
出点
= v
参考
(1
+
r2/r1) + 我
adj
• r2
RC1117
1a 可调/固定 低 辍学 线性 调节器
资料评论区:
点击回复标题作者最后回复时间

标 题:
内 容:
用户名:
手机号:    (*未登录用户需填写手机号,手机号不公开,可用于网站积分.)
      
关于我们 | 联系我们
电    话13410210660             QQ : 84325569   点击这里与集成电路资料查询网联系
联系方式: E-mail:CaiZH01@163.com