>┊
首页 | 最新需求 | 最新现货 | IC库存 | 供应商 | IC英文资料库 | IC中文资料库 | IC价格 | 电路图 | 应用资料 | 技术资料
 IC型号: 
您现在的位置:首页 >  IC英文资料库 进入手机版 
 
资料编号:577400
 
资料名称:MRFIC1504
 
文件大小: 297K
   
说明
 
介绍:
INTERGRATED GPS DOWNCONVERTER
 
 


: 点此下载
 
1
浏览型号MRFIC1504的Datasheet PDF文件第2页
2
浏览型号MRFIC1504的Datasheet PDF文件第3页
3
浏览型号MRFIC1504的Datasheet PDF文件第4页
4
浏览型号MRFIC1504的Datasheet PDF文件第5页
5
浏览型号MRFIC1504的Datasheet PDF文件第6页
6
浏览型号MRFIC1504的Datasheet PDF文件第7页
7
浏览型号MRFIC1504的Datasheet PDF文件第8页
8
浏览型号MRFIC1504的Datasheet PDF文件第9页
9
 
本平台电子爱好着纯手工中文简译:截至2020/5/17日,支持英文词汇500个


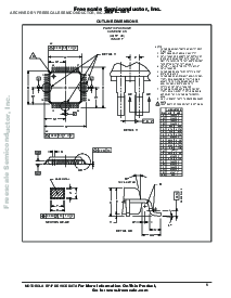
MRFIC1504
半导体
技术类 数据
1.575 ghz gps
下变频器
塑料 包装
案例 932
(lqfp–48)
48 1
订单 这个 文件 由 mrfic1504/d
1
摩托罗拉 rf/如果 设备 数据
综合 GPS 下变频器
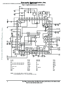
这个 综合 电路 是 预期 用于 gps 接收器 应用程序. 这 双
换算 设计 是 已实施 入点 摩托罗拉’s 低成本,
high–performance mosaic 5
低成本 表面 安装 lqfp–48 包装. 入点 加法 至 这 搅拌机, 一个
vco, pll, 水晶 振荡器, 一个/d 变频器 和 一个 回路 过滤器 是 综合
片上. 输出 如果 是 名义上 4.1 mhz.
105 db 典型 换算 增益
2.7 v 操作
28 ma 典型 电流 消费
低成本, low–profile 塑料 lqfp 包装
mosaic 5 是 一个 商标 的 摩托罗拉, 公司
订购 信息
设备
操作
温度 范围
包装
MRFIC1504R2 t
一个
= –40 至 85
°
c LQFP–48
摩托罗拉, 公司 2000 rev 1
44
45
46
47
48
v
注册
VCO
储罐
储罐
lna 入点
如果 2
限幅器 入点 b
限幅器 地
限幅器 v
抄送
37
38
39
40
41
42
43
lna 地
vco 地
管脚 连接 和 功能 块 图表
lna 地
v
抄送
搅拌机 2
17
16
15
14
13
24
23
22
21
20
19
18
lpf 尼格
vco v
抄送
lpf 出点
lpf 位置
限幅器 偏差
启用
限幅器 出点
限幅器 入点 一个
36 35 34 33 32 31 30 29 28 27 26 25
1234567
8 9 10 11 12
LNA
v
抄送
LNA
LNA
出点
LNA
搅拌机 1
搅拌机 1
入点
v
抄送
搅拌机 1
如果 1
VGA
水平
VGA
入点 b
VGA
入点 一个
v
抄送
PLL
温度
感觉
v
抄送
水晶 水晶
osc
v
注册
出点
clk
VCO
25
4
pd
温度
感觉
v
注册
参考
osc
LNA
f
e?
e?
s
c
一个
l
e?
s
e?
m
c
o
n
d
u
c
t
o
,
飞思卡尔 半导体, 公司
用于 更多 信息 开启 这个 产品,
走 至: www.飞思卡尔.com
n
c
.
.
.
资料评论区:
点击回复标题作者最后回复时间

标 题:
内 容:
用户名:
手机号:    (*未登录用户需填写手机号,手机号不公开,可用于网站积分.)
      
关于我们 | 联系我们
电    话13410210660             QQ : 84325569   点击这里与集成电路资料查询网联系
联系方式: E-mail:CaiZH01@163.com