>┊
首页 | 最新需求 | 最新现货 | IC库存 | 供应商 | IC英文资料库 | IC中文资料库 | IC价格 | 电路图 | 应用资料 | 技术资料
 IC型号: 
您现在的位置:首页 >  IC英文资料库 进入手机版 
 
资料编号:596579
 
资料名称:ADSP-TS203SABP-X
 
文件大小: 609.59K
   
说明
 
介绍:
TigerSHARC Embedded Processor
 
 


: 点此下载
 
1
浏览型号ADSP-TS203SABP-X的Datasheet PDF文件第2页
2
浏览型号ADSP-TS203SABP-X的Datasheet PDF文件第3页
3
浏览型号ADSP-TS203SABP-X的Datasheet PDF文件第4页
4
浏览型号ADSP-TS203SABP-X的Datasheet PDF文件第5页
5
浏览型号ADSP-TS203SABP-X的Datasheet PDF文件第6页
6
浏览型号ADSP-TS203SABP-X的Datasheet PDF文件第7页
7
浏览型号ADSP-TS203SABP-X的Datasheet PDF文件第8页
8
浏览型号ADSP-TS203SABP-X的Datasheet PDF文件第9页
9
 
本平台电子爱好着纯手工中文简译:截至2020/5/17日,支持英文词汇500个
初步 技术类 数据
tigersharc 和 这 tigersharc徽标 是 已注册 商标ks 的 模拟 设备, 公司
TigerSHARC
®
嵌入式 处理器
adsp-ts203s
rev. prb
信息 提供的 由 模拟 设备 是相信 至 是 准确 和 可靠.
然而, 否 责任 是 假设 由 模拟 设备 用于 其 使用, 也没有 用于 任何
规格 主题 至 变更 无 否tice. 否 许可证 是 授予 由 蕴涵
或 否则 下 任何 专利 或 专利 权利 的 模拟 设备. 商标 和
已注册 商标 是 这 财产 的 他们的 各自 业主.
一个 技术 方式, p.o.框 9106, norwood, ma 02062-9106 美国
电话:781/329-4700 www.模拟.com
传真:781/326-8703 © 2003 模拟 设备, 公司 全部 权利 保留.
钥匙 特点
500 mhz, 2.0 ns 说明书 循环 费率
4M 比特 的 internal—on-chip—dram 记忆
25×25 mm (576-球) 热 增强型 球 网格 阵列
包装
双 计算 blocks—each包含 一个 alu, 一个 多-
钳子, 一个 换档器, 和 一个 注册 文件
双 整数 alus, 提供 数据 寻址 和 指针
操纵
综合 我/o 包括 10 频道 dma 控制器, 外部
港口, 两个 链接 端口, sdram 控制器, 可编程
旗子 针脚, 两个 计时器, 和 计时器 已过期 管脚 用于 系统
集成
1149.1 ieee 符合 jtag test 访问权限 港口 用于 片上
仿真
片上 仲裁 用于 无胶 多处理
钥匙 好处
提供 高性能 静态 超标量 dsp 歌剧-
区域, 优化 用于 大型, 要求苛刻 多处理机
dsp 应用程序
执行 例外情况 井 开启 dsp 算法 和 我/o
benchmarks (请参见 benchmarks 入点 1)
支架 低-管理费用 dma 转让 之间 内部
记忆, 外部 记忆, 我莫里-已映射 外围设备,
链接 端口, 主机 处理器, 和 其他 (多处理机)
DSPs
缓解 dsp 编程 通过 极其 灵活 说明-
操作 设置 和 高-水平-语言 友好 dsp
体系结构
启用 可扩展 多处理 系统 与 低 commu-
通讯 管理费用
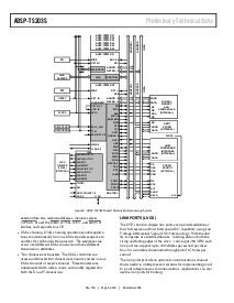
图 1. 功能 块 图表
t
L0
4
8
4
8
4
8
4
8
4
入点
出点
主机
proc
c-总线
ARB
数据
32
链接 端口
JTAG 港口
外部
港口
地址
32
6
SOC 总线
dma
JTAG
SDRAM
ctrl
分机 dma
req
j-总线 数据
IAB
pc
BTB
地址
fetch
程序
音序器
计算
j-总线 地址
k-总线 数据
k-总线 地址
我-总线 数据
我-总线 地址
s-总线 数据
s-总线 地址
整数
KALU
整数
JALU
32
32
32X32
32X32
数据 地址 世代
x
注册
文件
32x32
m
U
l
t
p
l
e?
一个
l
U
s
h
f
t
e?
DAB
128
128
DAB
128
128
记忆
一个
d
4M 比特 内部 记忆
4xCROSSBAR 连接
(第页 高速缓存)
一个
d
一个
d
一个
d
s
o
c
n
t
e?
f
一个
c
e?
y
注册
文件
32x32
m
U
l
t
p
l
e?
一个
l
U
s
h
f
t
e?
L1
入点
出点
ctrl
8
ctrl
10
32
128
32
128
32
128
32
128
4
资料评论区:
点击回复标题作者最后回复时间

标 题:
内 容:
用户名:
手机号:    (*未登录用户需填写手机号,手机号不公开,可用于网站积分.)
      
关于我们 | 联系我们
电    话13410210660             QQ : 84325569   点击这里与集成电路资料查询网联系
联系方式: E-mail:CaiZH01@163.com