>┊
首页 | 最新需求 | 最新现货 | IC库存 | 供应商 | IC英文资料库 | IC中文资料库 | IC价格 | 电路图 | 应用资料 | 技术资料
 IC型号: 
您现在的位置:首页 >  IC英文资料库 进入手机版 
 
资料编号:613732
 
资料名称:SM8578
 
文件大小: 77.76K
   
说明
 
介绍:
Real-time Clock IC
 
 


: 点此下载
 
1
浏览型号SM8578的Datasheet PDF文件第2页
2
浏览型号SM8578的Datasheet PDF文件第3页
3
浏览型号SM8578的Datasheet PDF文件第4页
4
浏览型号SM8578的Datasheet PDF文件第5页
5
浏览型号SM8578的Datasheet PDF文件第6页
6
浏览型号SM8578的Datasheet PDF文件第7页
7
浏览型号SM8578的Datasheet PDF文件第8页
8
浏览型号SM8578的Datasheet PDF文件第9页
9
 
本平台电子爱好着纯手工中文简译:截至2020/5/17日,支持英文词汇500个
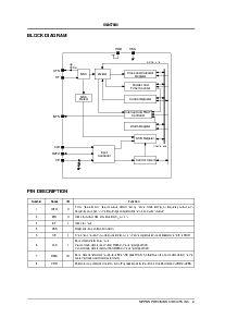
SM8578BV
nippon 精度 电路 股份有限公司.—1
实时 时钟 集成电路
概述
这 sm8578bv 是 一个 串行 接口, 实时 时钟 集成电路 那 用途 一个 32.768 khz 水晶 振荡器 用于 其 参考-
ence 计时. 它 包括 第二-计数器 至 年份-计数器 时钟 和 日历 电路 那 功能 自动
飞跃-年份 调整, 报警 和 计时器 中断 功能, 作为 井 作为 振荡器 停止, 计时器 reloading, 和 其他
检测 功能. 数据 是 已转移 至 和 从 一个 外部 控制器 使用 一个 3-电线 串行 接口. 它 是
可用 入点 紧凑型 8-管脚 vsop 软件包, 制作 它 理想 用于 使用 入点 全部 类型 的 便携式, 手持 设备-
门特.
特点
1.6 至 5.5v 宽 操作 电压 范围
0.5µa (典型值.) 电流 消费
(v
dd
= 3.0v, ce = 低)
3-电线 串行 接口 控制
日, 日-的-周, 小时, 和 分钟 报警 国际米兰-
破烂 功能
1/4096 秒 至 255 分钟 可预置 时间间隔
计时器 中断 功能
时间 更新 检测 功能
异常 振荡 检测 功能
自动 飞跃-年份 调整 功能
(western 和 japanese calendars)
振荡器 电容器 c
d
内置
molybdenum-闸门 cmos 流程
微型 8-管脚 vsop 包装
订购 信息,
引出线
(顶部 查看)
包装 尺寸
(单位: mm)
设备 包装
SM8578BV 8-管脚 vsop
INTN
1
XTN
XT
vss
4
VDD
数据
clk
ce
8
5
6.4 ± 0.3
3.12 ± 0.3
0.585typ
0.65
4.4 ± 0.2
0 至 10°
0.15
1.30max
资料评论区:
点击回复标题作者最后回复时间

标 题:
内 容:
用户名:
手机号:    (*未登录用户需填写手机号,手机号不公开,可用于网站积分.)
      
关于我们 | 联系我们
电    话13410210660             QQ : 84325569   点击这里与集成电路资料查询网联系
联系方式: E-mail:CaiZH01@163.com