>┊
首页 | 最新需求 | 最新现货 | IC库存 | 供应商 | IC英文资料库 | IC中文资料库 | IC价格 | 电路图 | 应用资料 | 技术资料
 IC型号: 
您现在的位置:首页 >  IC英文资料库 进入手机版 
 
资料编号:645022
 
资料名称:MBM29LV800TE90PCV
 
文件大小: 292.12K
   
说明
 
介绍:
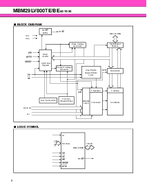
8M (1M x 8/512 K x 16) BIT
 
 


: 点此下载
 
1
浏览型号MBM29LV800TE90PCV的Datasheet PDF文件第2页
2
浏览型号MBM29LV800TE90PCV的Datasheet PDF文件第3页
3
浏览型号MBM29LV800TE90PCV的Datasheet PDF文件第4页
4
浏览型号MBM29LV800TE90PCV的Datasheet PDF文件第5页
5
浏览型号MBM29LV800TE90PCV的Datasheet PDF文件第6页
6
浏览型号MBM29LV800TE90PCV的Datasheet PDF文件第7页
7
浏览型号MBM29LV800TE90PCV的Datasheet PDF文件第8页
8
浏览型号MBM29LV800TE90PCV的Datasheet PDF文件第9页
9
 
本平台电子爱好着纯手工中文简译:截至2020/5/17日,支持英文词汇500个
九月 2003
这个 文件 指定 spansion 记忆 产品 那 是 现在 提供 由 两者都有 高级 微型 设备 和
富士通. 虽然 这 文件 是 已标记 与 这 姓名 的 这 公司 那 最初 已开发 这 规格,
这些 产品 将 是 提供 至 客户 的 两者都有 amd 和 富士通.
连续性 的 规格
那里 是 否 变更 至 这个 数据表 作为 一个 结果 的 提供 这 设备 作为 一个 spansion 产品. 未来 例行程序
修订 将 发生 当 适当的, 和 变更 将 是 已注明 入点 一个 修订 摘要.
连续性 的 订购 零件 编号
amd 和 富士通 继续 至 支持 现有 零件 编号 开始 与 "上午" 和 "mbm". 至 订单 这些
产品, 请 使用 仅 这 订购 零件 编号 已列出 入点 这个 文件.
用于 更多 信息
SPANSION 闪光灯 记忆
数据 工作表
tm
资料评论区:
点击回复标题作者最后回复时间

标 题:
内 容:
用户名:
手机号:    (*未登录用户需填写手机号,手机号不公开,可用于网站积分.)
      
关于我们 | 联系我们
电    话13410210660             QQ : 84325569   点击这里与集成电路资料查询网联系
联系方式: E-mail:CaiZH01@163.com