>┊
首页 | 最新需求 | 最新现货 | IC库存 | 供应商 | IC英文资料库 | IC中文资料库 | IC价格 | 电路图 | 应用资料 | 技术资料
 IC型号: 
您现在的位置:首页 >  IC英文资料库 进入手机版 
 
资料编号:668860
 
资料名称:AT89C51CC01UA-RLTUM
 
文件大小: 1927.77K
   
说明
 
介绍:
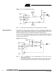
Enhanced 8-bit Microcontroller with CAN Controller and Flash Memory
 
 


: 点此下载
 
1
浏览型号AT89C51CC01UA-RLTUM的Datasheet PDF文件第2页
2
浏览型号AT89C51CC01UA-RLTUM的Datasheet PDF文件第3页
3
浏览型号AT89C51CC01UA-RLTUM的Datasheet PDF文件第4页
4
浏览型号AT89C51CC01UA-RLTUM的Datasheet PDF文件第5页
5
浏览型号AT89C51CC01UA-RLTUM的Datasheet PDF文件第6页
6
浏览型号AT89C51CC01UA-RLTUM的Datasheet PDF文件第7页
7
浏览型号AT89C51CC01UA-RLTUM的Datasheet PDF文件第8页
8
浏览型号AT89C51CC01UA-RLTUM的Datasheet PDF文件第9页
9
 
本平台电子爱好着纯手工中文简译:截至2020/5/17日,支持英文词汇500个
rev. 4129l–can–08/05
1
特点
80c51 核心 体系结构
256 字节数 的 片上 ram
1k 字节数 的 片上 xram
32k 字节数 的 片上 闪光灯 记忆
数据 保留: 10 年 在 85°c
擦除/写 循环: 100k
引导 代码 截面 与 独立 锁 比特
2k 字节数 的 片上 闪光灯 用于 引导加载程序
在系统内 编程 由 片上 引导 程序 (可以, uart) 和 iap 能力
2k 字节数 的 片上 可擦可编程只读存储器
擦除/写 循环: 100k
14-来源 4-水平 中断
已满 双工 uart 兼容 80c51
最大值 水晶 频率 40 mhz, 入点 x2 模式, 20 mhz (cpu 核心, 20 mhz)
五个 端口: 32 + 2 数字 我/o 线条
五个-频道 16-有点 pca 与:
pwm (8-有点)
高速 输出
计时器 和 边缘 捕获
双 数据 指针
21-有点 看门狗 计时器 (7 可编程 比特)
一个 10-有点 分辨率 模拟 至 数字 变频器 (adc) 与 8 多路复用 输入
已满 可以 控制器:
完全 符合 与 可以 rev2.0a 和 2.0b
优化 结构 用于 通信 管理 (通过 sfr)
15 独立 信息 对象:
每个 信息 对象 可编程 开启 变速器 或 接待处
个人 标签 和 面具 过滤器 向上 至 29-有点 标识符/频道
8-字节 循环 数据 注册 (先进先出)/信息 对象
16-有点 状态 和 控制 注册/信息 对象
16-有点 时间戳 注册/信息 对象
可以 规格 2.0 零件 一个 或 2.0 零件 b 可编程 用于 每个 信息
对象
访问权限 至 信息 对象 控制 和 数据 寄存器 通过 sfr
可编程 接待处 缓冲区 长度 向上 至 15 信息 对象
优先 管理 的 接待处 的 点击数 开启 几个 信息 对象 在 这
相同 时间 (基本 可以 功能)
优先 管理 用于 变速器
信息 对象 超支 中断
支架:
时间 已触发 通信
自动波特 和 倾听 模式
可编程 自动 回复 模式
1-mbit/s 最大值 转让 费率 在 8 mhz
(1)
水晶 频率 入点 x2 模式
可读 错误 计数器
可编程 链接 至 片上 计时器 用于 时间 stamping 和 网络
同步
独立 波特 费率 预分频器
数据, 远程, 错误 和 过载 框架 搬运
片上 仿真 逻辑 (增强型 挂钩 系统)
电源 正在保存 模式:
–idle 模式
掉电 模式
1. 在 brp = 1 取样 点 将 是 固定.
增强型 8-有点
微控制器
与 可以
控制器 和
闪光灯 记忆
T89C51CC01
AT89C51CC01
资料评论区:
点击回复标题作者最后回复时间

标 题:
内 容:
用户名:
手机号:    (*未登录用户需填写手机号,手机号不公开,可用于网站积分.)
      
关于我们 | 联系我们
电    话13410210660             QQ : 84325569   点击这里与集成电路资料查询网联系
联系方式: E-mail:CaiZH01@163.com