>┊
首页 | 最新需求 | 最新现货 | IC库存 | 供应商 | IC英文资料库 | IC中文资料库 | IC价格 | 电路图 | 应用资料 | 技术资料
 IC型号: 
您现在的位置:首页 >  IC英文资料库 进入手机版 
 
资料编号:669731
 
资料名称:UC1543
 
文件大小: 455.52K
   
说明
 
介绍:
Power Supply Supervisory Circuit
 
 


: 点此下载
 
1
浏览型号UC1543的Datasheet PDF文件第2页
2
浏览型号UC1543的Datasheet PDF文件第3页
3
浏览型号UC1543的Datasheet PDF文件第4页
4
浏览型号UC1543的Datasheet PDF文件第5页
5
浏览型号UC1543的Datasheet PDF文件第6页
6
 
本平台电子爱好着纯手工中文简译:截至2020/5/17日,支持英文词汇500个
电源 供应 监督 电路
包括 结束-电压,
下-电压, 和 电流
感应 电路
内部 1% 准确
参考
可编程 时间 延误
scr “crowbar” 驱动器 的
300mA
远程 激活 能力
可选 过电压 门闩
uncommitted 比较器
输入 用于 低 电压
感应 (uc1544 系列
仅)
这 单片 综合 电路 包含 全部 这 功能 必要的 至 显示器
和 控制 这 输出 的 一个 复杂的 电源 供应 系统. 过电压 (o.v.)
感应 与 规定 至 触发器 一个 外部 scr “crowbar” 停机; 一个 下-
电压 (u.v.) 电路 哪个 可以 是 已使用 至 显示器 要么 这 输出 或 至 样品
这 输入 线 电压; 和 一个 第三 op 放大器/比较器 可用 用于 电流 感应
两者都有 结束- 和 欠压 感应 电路 可以 是 外部 编程 用于
最小值 时间 持续时间 的 故障 之前 触发. 全部 功能 包含 打开 收藏-
托尔 产出 哪个 可以 是 已使用 独立 或 电线-或’ed 一起, 和 虽然
这 scr 触发器 是 直接 已连接 仅 至 这 过电压 感应 电路, 它
将 是 可选 已激活 由 任何 的 这 其他 产出, 或 从 一个 外部 信号.
这 o.v. 电路 也 包括 一个 可选 门闩 和 外部 重置 能力.
这 uc1544/2544/3544 设备 有 这 已添加 多功能性 的 完全 uncom-
已发送 输入 至 这 电压 感应 比较器 所以 那 级别 较少 比 2.5v 将
是 监控 由 划分 向下 这 内部 参考 电压. 这 电流 感觉
电路 将 是 已使用 与 外部 补偿 作为 一个 线性 放大器 或 作为 一个 高-
增益 比较器. 虽然 名义上 设置 用于 零 输入 偏移量, 一个 固定 阈值 将
是 已添加 与 一个 外部 电阻. 相反 的 电流 限制, 这个 电路 将 也
是 已使用 作为 一个 附加 电压 显示器.
这 参考 发电机 电路 是 内部 已修整 至 消除 这 需要 用于 ex-
内部 电位计 和 这 整个 电路 将 是 通电 直接 从 要么 这
输出 正在 监控 或 从 一个 分开 偏差 电压.
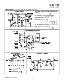
块 图表
备注: 用于 每个 终端, 第一 号码 指 至 1543 系列, 第二 至 1544 系列.
* 开启 1543 系列, 这个 功能 是 内部 已连接 至 v
参考.
uc1543 uc1544
uc2543 uc2544
uc3543 uc3544
DESCRIPTIONFEATURES
4/97
资料评论区:
点击回复标题作者最后回复时间

标 题:
内 容:
用户名:
手机号:    (*未登录用户需填写手机号,手机号不公开,可用于网站积分.)
      
关于我们 | 联系我们
电    话13410210660             QQ : 84325569   点击这里与集成电路资料查询网联系
联系方式: E-mail:CaiZH01@163.com