>┊
首页 | 最新需求 | 最新现货 | IC库存 | 供应商 | IC英文资料库 | IC中文资料库 | IC价格 | 电路图 | 应用资料 | 技术资料
 IC型号: 
您现在的位置:首页 >  IC英文资料库 进入手机版 
 
资料编号:686430
 
资料名称:HIP6302EVAL1
 
文件大小: 184.16K
   
说明
 
介绍:
Microprocessor CORE Voltage Regulator Multi-Phase Buck PWM Controller
 
 


: 点此下载
 
1
浏览型号HIP6302EVAL1的Datasheet PDF文件第2页
2
浏览型号HIP6302EVAL1的Datasheet PDF文件第3页
3
浏览型号HIP6302EVAL1的Datasheet PDF文件第4页
4
浏览型号HIP6302EVAL1的Datasheet PDF文件第5页
5
浏览型号HIP6302EVAL1的Datasheet PDF文件第6页
6
浏览型号HIP6302EVAL1的Datasheet PDF文件第7页
7
浏览型号HIP6302EVAL1的Datasheet PDF文件第8页
8
浏览型号HIP6302EVAL1的Datasheet PDF文件第9页
9
 
本平台电子爱好着纯手工中文简译:截至2020/5/17日,支持英文词汇500个
1
文件 号码
4766
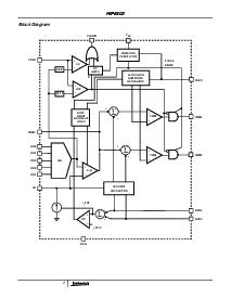
HIP6302
微处理器 核心 电压 调节器
多相 降压 pwm 控制器
这 hip6302 多相 pwm 控制 集成电路 一起 与 其
同伴 闸门 驱动程序, 这 hip6601, hip6602 或 hip6603
和 intersil mosfets 提供 一个 精度 电压
法规 系统 用于 高级 微处理器.
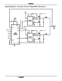
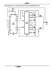
多相 电源 换算 是 一个 已标记 离境 从
较早 单独 相位 变频器 配置 先前
就业 至 满足 这 曾经 增加 电流 需求 的
现代 微处理器. 多相 转换器, 由
分发 电源 荷载 电流 结果 入点 较小
下部 成本 晶体管 较少 输入 输出 电容器.
这些 减少 应计 从 这 较高 有效
换算 频率 与 较高 频率 波纹 电流
到期 至 这 相位 交错 流程 的 这个 拓扑. 用于
示例, 一个 两个 相位 转换器 操作 在 350khz 将
有 一个 波纹 频率 的 700khz. 此外, 更大
转换器 带宽 这个 设计 结果 入点 更快 响应
至 荷载 瞬变.
未结清 特点 的 这个 控制器 集成电路 包括
可编程 vid 代码 从 这 微处理器 那
范围 从 1.100v 至 1.850v 与 一个 系统 准确度 的
±
1%. 向上 电流 开启 这些 vid 针脚 消除 需要
用于 外部 拉 向上 电阻. 入点 加法 “droop”
补偿, 已使用 至 减少 这 过冲 或 下冲
的 这 核心 电压, 是 很容易 编程 与 一个 单独
电阻.
另一个 功能 的 这个 控制器 集成电路 是 这 pgood 显示器
电路 哪个 是 持有 低 直到 这 核心 电压 增加,
期间 其 软启动 顺序, 至 内 10% 的 这
编程 电压. 过电压, 15% 以上 编程
核心 电压, 结果 入点 这 变频器 正在关闭 向下 和
车削 这 下部 mosfets 开启 至 卡箍 和 保护 这
微处理器. 下 电压 是 也 检测到 和 结果
入点 pgood 低 如果 这 核心 电压 瀑布 10% 下面 这
编程 水平. 过电流 保护 减少 这
调节器 电流 至 较少 比 25% 的 这 编程 跳闸
值. 这些 特点 提供 监测 和 保护 用于
这 微处理器 和 电源 系统.
特点
多相 电源 换算
精度 频道 电流 共享
- 损失 较少 电流 取样 - 用途 右
ds(开启)
精度 核心 电压 法规
-
±
1% 系统 准确度 结束 温度
微处理器 电压 Identi 输入
- 5-有点 vid 输入
- 1.100v 至 1.850v 入点 25mv 步骤
- 可编程 “droop” 电压
快 瞬态 回收 时间
结束 电流 保护
高 波纹 频率, (频道 频率) 次
号码 频道 . . . . . . . . . . . . . . . . . 100khz 至 3mhz
引出线
hip6302 (soic)
顶部 查看
订购 信息
零件 号码 温度 (
o
c) 包装 pkg. 否.
HIP6302CB 0 至 70 16 ld soic m16.15
hip6302cb-t 16 ld soic 胶带 和 卷轴
HIP6302EVAL1 评价 站台
VID4
VID3
VID2
VID1
VID0
fs/dis
VSEN
PGOOD
PWM1
PWM2
v
抄送
fb
ISEN1
比较 ISEN2
14
15
16
9
13
12
11
10
1
2
3
4
5
7
6
8
数据 工作表 二月 2000
注意事项: 这些 设备 是 敏感 至 静电 放电; 跟着 适当的 集成电路 搬运 程序.
1-888-intersil 或 321-724-7143
|
版权
©
intersil 公司 2000
资料评论区:
点击回复标题作者最后回复时间

标 题:
内 容:
用户名:
手机号:    (*未登录用户需填写手机号,手机号不公开,可用于网站积分.)
      
关于我们 | 联系我们
电    话13410210660             QQ : 84325569   点击这里与集成电路资料查询网联系
联系方式: E-mail:CaiZH01@163.com