>┊
首页 | 最新需求 | 最新现货 | IC库存 | 供应商 | IC英文资料库 | IC中文资料库 | IC价格 | 电路图 | 应用资料 | 技术资料
 IC型号: 
您现在的位置:首页 >  IC英文资料库 进入手机版 
 
资料编号:689617
 
资料名称:SN74LVCE161284DLR
 
文件大小: 238.13K
   
说明
 
介绍:
19 BIT IEEE 1284 TRANSLATION TRANSCEIVER WITH ERROR FREE POWER UP
 
 


: 点此下载
 
1
浏览型号SN74LVCE161284DLR的Datasheet PDF文件第2页
2
浏览型号SN74LVCE161284DLR的Datasheet PDF文件第3页
3
浏览型号SN74LVCE161284DLR的Datasheet PDF文件第4页
4
浏览型号SN74LVCE161284DLR的Datasheet PDF文件第5页
5
浏览型号SN74LVCE161284DLR的Datasheet PDF文件第6页
6
浏览型号SN74LVCE161284DLR的Datasheet PDF文件第7页
7
浏览型号SN74LVCE161284DLR的Datasheet PDF文件第8页
8
浏览型号SN74LVCE161284DLR的Datasheet PDF文件第9页
9
 
本平台电子爱好着纯手工中文简译:截至2020/5/17日,支持英文词汇500个

    
   
sces541 −january 2004
1
post 办公室 框 655303
达拉斯市, 德州 75265
自动-电源-向上 功能 防止 打印机
错误 当 打印机 是 翻转 开启, 但是 否
有效 信号 是 在 a9−a13 针脚
1.4-k
上拉 电阻 综合 开启 全部
开漏极 产出 消除 这 需要 用于
离散 电阻
设计 用于 这 ieee 标准 1284-我 (水平-1
类型) 和 ieee 标准 1284-二 (水平-2 类型)
电气 规格
流通 体系结构 优化 pcb
布局
和 通电 3-州 支持 热
插入
闩锁 业绩 超过 100 ma 按
jesd 78, 类 二
esd 保护
±
4 kv − 人体 型号
±
8 kv − iec 61000-4-2, 联系人 放电
(连接器 针脚)
±
15 kv − iec 61000-4-2, 气隙
放电 (连接器 针脚)
±
15 kv − 人体 型号 (连接器
针脚)
描述/订购 信息
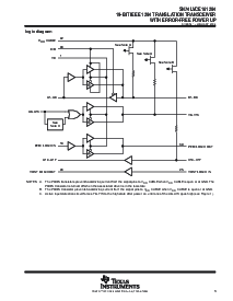
这 sn74lvce161284 是 设计 用于 3-v 至
3.6-v v
抄送
异步 双向 通信 之间
数据 公共汽车. 这 控制-功能 实施
最小化 外部 计时 要求.
这个 设备 有 八 双向 比特; 数据 可以 流量 入点 这 一个-至-b 方向 当 这 方向-控制
输入 (方向) 是 高 和 入点 这 b-至-一个 方向 当 方向 是 低. 这个 设备 也 有 五个 驱动程序 那 驱动器 这
电缆侧面, 和 四 接收器. 这 sn74lvce161284 有 一个 接收器专用 至这 主机 逻辑 线 和
一个 驾驶员 至 驱动器 这 peri 逻辑 线.
订购 信息
t
一个
包装
可订购
零件 号码
顶侧
标记
ssop − dl
导管 SN74LVCE161284DL
LVCE161284
0
°
c 至 70
°
c
ssop − dl
胶带 和 卷轴 SN74LVCE161284DLR
LVCE161284
0 c 至 70 c
tssop − dgg 胶带 和 卷轴 SN74LVCE161284DGGR LVCE161284
包装图纸, 标准 填料 工程量, 热 数据, 符号化, 和 pcb 设计 准则
是 可用 在 www.ti.com/sc/包装.
版权
2004, 德州 仪器仪表 股份公司
请 是 意识到 那 一个 重要 通知 关于 可用能力, 标准 保修, 和 使用 入点 关键 应用程序 的
德州 仪器仪表 半导体 产品 和 免责声明 对此 出现 在 这 结束 的 这个 数据 工作表.
dgg 或 dl 包装
(顶部 查看)
1
2
3
4
5
6
7
8
9
10
11
12
13
14
15
16
17
18
19
20
21
22
23
24
48
47
46
45
44
43
42
41
40
39
38
37
36
35
34
33
32
31
30
29
28
27
26
25
高清
A9
A10
A11
A12
A13
v
抄送
A1
A2
A3
A4
A5
A6
A7
A8
v
抄送
peri 逻辑 入点
A14
A15
A16
A17
主机 逻辑 出点
方向
Y9
Y10
Y11
Y12
Y13
v
抄送
电缆
B1
B2
B3
B4
B5
B6
B7
B8
v
抄送
电缆
peri 逻辑 出点
C14
C15
C16
C17
主机 逻辑 入点
        
         
       
   
资料评论区:
点击回复标题作者最后回复时间

标 题:
内 容:
用户名:
手机号:    (*未登录用户需填写手机号,手机号不公开,可用于网站积分.)
      
关于我们 | 联系我们
电    话13410210660             QQ : 84325569   点击这里与集成电路资料查询网联系
联系方式: E-mail:CaiZH01@163.com