>┊
首页 | 最新需求 | 最新现货 | IC库存 | 供应商 | IC英文资料库 | IC中文资料库 | IC价格 | 电路图 | 应用资料 | 技术资料
 IC型号: 
您现在的位置:首页 >  IC英文资料库 进入手机版 
 
资料编号:690134
 
资料名称:AM79C973VCW
 
文件大小: 2092.1K
   
说明
 
介绍:
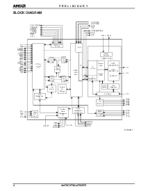
PCnet⑩-FAST III Single-Chip 10/100 Mbps PCI Ethernet Controller with Integrated PHY
 
 


: 点此下载
 
1
浏览型号AM79C973VCW的Datasheet PDF文件第2页
2
浏览型号AM79C973VCW的Datasheet PDF文件第3页
3
浏览型号AM79C973VCW的Datasheet PDF文件第4页
4
浏览型号AM79C973VCW的Datasheet PDF文件第5页
5
浏览型号AM79C973VCW的Datasheet PDF文件第6页
6
浏览型号AM79C973VCW的Datasheet PDF文件第7页
7
浏览型号AM79C973VCW的Datasheet PDF文件第8页
8
浏览型号AM79C973VCW的Datasheet PDF文件第9页
9
 
本平台电子爱好着纯手工中文简译:截至2020/5/17日,支持英文词汇500个
初步
这个 文件 包含 信息 开启 一个 产品 下 发展 在 高级 微型 设备. 这 信息
是 预期 至 帮助 你 评估 这个 产品. amd 储备金 这 右侧 至 变更 或 停止 工作 开启 这个 建议
产品 无 通知.
Publication#
21510
rev:
e?
修正案/
0
问题 日期:
8月 2000
Rf t AMD’ Wbt( d )f thlt tifti
am79c973/am79c975
pcnet™-
fast
单芯片 10/100 mbps pci 以太网 控制器 与 综合 phy
与众不同 特性
32-有点 无胶 pci 主机 接口
支架 pci 时钟 频率 从 直流 至
33 mhz 独立 的 网络 时钟
支架 网络 操作 与 pci 时钟
从 15 mhz 至 33 mhz
高 业绩 总线 母带制作
体系结构 与 综合 直接 记忆
访问权限 (dma) 缓冲区 管理 单位 用于
低 cpu 和 总线 利用率
pci 规格 修订 2.2 符合
支架 pci 子系统/subvendor id/
供应商 id 编程 通过 这
可擦可编程只读存储器 接口
支架 两者都有 pci 5.0 v 和 3.3 v 信令
环境
插头 和 播放 兼容
大 字节序 和 小 字节序 字节 定线
支持
完全 综合 10/100 mbps 物理 图层
接口 (phy)
符合 至 ieee 802.3 标准 用于
10base-t, 100base-tx, 和 100base-外汇
接口
综合 10base-t 收发器 与 开启-
芯片 过滤
完全 综合 mlt-3 编码器/解码器 用于
100base-tx
提供 一个 pecl 接口 用于 100base-外汇
纤维 实现
全双工 能力 用于 10base-t 和
100base-tx
ieee 802.3u 自动协商 之间 10
mbps 和 100 mbps, 一半- 和 全双工 op-
操作
双-速度 csma/光盘 (10 mbps 和 100 mbps)
媒体 访问权限 控制器 (mac) 符合 与
ieee/ansi 802.3 和 蓝色 图书 以太网
标准
支架 pc98/pc99 和 有线 用于
管理 基线 规格
已满 onnow 支持 包括 图案
匹配 和 链接 状态 唤醒 事件
机具 amd
s 专利 魔法 数据包
技术 用于 远程 唤醒 &放大器; 通电
魔法 数据包 模式 和 这 物理 地址
已加载 从 可擦可编程只读存储器 在 电源 向上 无
要求 pci 时钟
支架 pci 总线 电源 管理
接口 规格 修订 1.1
支架 高级 配置 和
电源 接口 (acpi) 规格 版本
1.0
支架 网络 设备 类 电源
管理 规格 版本 1.0a
串行 管理 接口 启用 远程
警报 的 系统 管理 事件
国际米兰-集成电路 (我
2
c) 符合 电气 接口
系统 管理 总线 (smbus)
符合 信令 接口 和 注册
访问权限 协议
可选 中断 管脚 简化了 软件
接口
大型 独立 内部 tx 和 rx fifos
可编程 先进先出 水印 用于 两者都有 tx
和 rx 运营
rx 框架 排队 用于 高 延迟 pci 总线
主机 操作
可编程 分配 的 缓冲区 空间
之间 rx 和 tx 队列
可擦可编程只读存储器 接口 支架 无跳线 设计
和 提供 通过芯片 编程
支架 广泛的 可编程性 的
设备 操作 通过 可擦可编程只读存储器 映射
支架 向上 至 1 megabyte (mbyte) 可选
引导 舞会 和 闪光灯 用于 无板 节点
应用程序
广泛的 可编程 内部/外部
环回 能力
广泛的 可编程 led指示灯 状态 支持
资料评论区:
点击回复标题作者最后回复时间

标 题:
内 容:
用户名:
手机号:    (*未登录用户需填写手机号,手机号不公开,可用于网站积分.)
      
关于我们 | 联系我们
电    话13410210660             QQ : 84325569   点击这里与集成电路资料查询网联系
联系方式: E-mail:CaiZH01@163.com