>┊
首页 | 最新需求 | 最新现货 | IC库存 | 供应商 | IC英文资料库 | IC中文资料库 | IC价格 | 电路图 | 应用资料 | 技术资料
 IC型号: 
您现在的位置:首页 >  IC英文资料库 进入手机版 
 
资料编号:71870
 
资料名称:SN74LV595ADRE4
 
文件大小: 492.05K
   
说明
 
介绍:
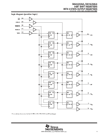
8-BIT SHIFT REGISTERS WITH 3-STATE OUTPUT REGISTERS
 
 


: 点此下载
 
1
浏览型号SN74LV595ADRE4的Datasheet PDF文件第2页
2
浏览型号SN74LV595ADRE4的Datasheet PDF文件第3页
3
浏览型号SN74LV595ADRE4的Datasheet PDF文件第4页
4
浏览型号SN74LV595ADRE4的Datasheet PDF文件第5页
5
浏览型号SN74LV595ADRE4的Datasheet PDF文件第6页
6
浏览型号SN74LV595ADRE4的Datasheet PDF文件第7页
7
浏览型号SN74LV595ADRE4的Datasheet PDF文件第8页
8
浏览型号SN74LV595ADRE4的Datasheet PDF文件第9页
9
 
本平台电子爱好着纯手工中文简译:截至2020/5/17日,支持英文词汇500个
 
  
   
scls414n −april 1998 − 修订 april 2005
1
post 办公室 框 655303
达拉斯市, 德州 75265
2-v 至 5.5-v v
抄送
操作
最大值 t
pd
的 7.1 ns 在 5 v
典型 v
olp
(输出 接地 弹跳)
&指示灯;0.8 v 在 v
抄送
= 3.3 v, t
一个
= 25
°
c
典型 v
OHV
(输出 v
>2.3 v 在 v
抄送
= 3.3 v, t
一个
= 25
°
c
支持 混合模式 电压 操作 开启
全部 端口
8-有点 串行-入点, 平行-出点 轮班
支架 部分断电 模式
操作
轮班 注册 有 直接 清除
闩锁 业绩 超过 250 ma 按
jesd 17
esd 保护 超过 jesd 22
− 2000-v 人体 型号 (a114-一个)
− 200-v 机器 型号 (a115-一个)
− 1000-v 已充电-设备 型号 (c101)
SN54LV595A ...j 或 w p组件
SN74LV595A . . . d, db, ns,
或 pw 包装
(顶部 查看)
SN54LV595A . . . fk 包装
(顶部 查看)
nc − 否 内部 连接
1
2
3
4
5
6
7
8
16
15
14
13
12
11
10
9
q
B
q
c
q
d
q
e?
q
f
q
g
q
h
v
抄送
q
一个
ser
oe
rclk
SRCLK
SRCLR
q
h
3212019
910111213
4
5
6
7
8
18
17
16
15
14
ser
oe
nc
rclk
SRCLK
q
d
q
e?
nc
q
f
q
g
q
nc
SRCLR
h
nc
c
q
B
v
抄送
q
一个
q
h
q
SN74LV595A . . . rgy 包装
(顶部 查看)
116
89
2
3
4
5
6
7
15
14
13
12
11
10
q
一个
ser
oe
rclk
SRCLK
SRCLR
q
c
q
d
q
e?
q
f
q
g
q
h
q
q
v
抄送
B
h
描述/订购 信息
这 ’lv595a 设备 是 8-有点 轮班 寄存器 设计 用于 2-v 至 5.5-v v
抄送
操作.
订购 信息
t
一个
包装
可订购
零件 号码
顶侧
标记
qfn − rgy 卷轴 的 1000 SN74LV595ARGYR LV595A
soic − d
导管 的 40 SN74LV595AD
LV595Asoic − d
卷轴 的 2500 SN74LV595ADR
LV595A
−40
°
c 至 85
°
c
sop − ns 卷轴 的 2000 SN74LV595ANSR 74LV595A
−40
°
c 至 85
°
c
ssop − db 卷轴 的 2000 SN74LV595ADBR LV595A
导管 的 90 SN74LV595APW
tssop − pw
卷轴 的 2000 SN74LV595APWR
LV595Atssop − pw
卷轴 的 250 SN74LV595APWT
LV595A
cdip − j 导管 的 25 SNJ54LV595AJ SNJ54LV595AJ
−55
°
c 至 125
°
c
cfp − w 导管 的 150 SNJ54LV595AW SNJ54LV595AW
−55 c 至 125 c
lccc − fk 导管 的 55 SNJ54LV595AFK SNJ54LV595AFK
包装 图纸, 标准 填料 工程量, 热 数据, 符号化, 和 pcb 设计
准则 是 可用 在 www.ti.com/sc/包装.
版权
2005, 德州 仪器仪表 股份公司
      
         
        
        

请 是 意识到 那 一个 重要 通知 关于 可用能力, 标准 保修, 和 使用 入点 关键 应用程序 的
德州 仪器仪表 半导体 产品 和 免责声明 对此 出现 在 这 结束 的 这个 数据 工作表.
资料评论区:
点击回复标题作者最后回复时间

标 题:
内 容:
用户名:
手机号:    (*未登录用户需填写手机号,手机号不公开,可用于网站积分.)
      
关于我们 | 联系我们
电    话13410210660             QQ : 84325569   点击这里与集成电路资料查询网联系
联系方式: E-mail:CaiZH01@163.com