>┊
首页 | 最新需求 | 最新现货 | IC库存 | 供应商 | IC英文资料库 | IC中文资料库 | IC价格 | 电路图 | 应用资料 | 技术资料
 IC型号: 
您现在的位置:首页 >  IC英文资料库 进入手机版 
 
资料编号:727404
 
资料名称:XC9500
 
文件大小: 172.6K
   
说明
 
介绍:
XC9500 In-System Programmable CPLD Family
 
 


: 点此下载
 
1
浏览型号XC9500的Datasheet PDF文件第2页
2
浏览型号XC9500的Datasheet PDF文件第3页
3
浏览型号XC9500的Datasheet PDF文件第4页
4
浏览型号XC9500的Datasheet PDF文件第5页
5
浏览型号XC9500的Datasheet PDF文件第6页
6
浏览型号XC9500的Datasheet PDF文件第7页
7
浏览型号XC9500的Datasheet PDF文件第8页
8
浏览型号XC9500的Datasheet PDF文件第9页
9
 
本平台电子爱好着纯手工中文简译:截至2020/5/17日,支持英文词汇500个
ds063 (v5.1) 九月 22, 2003
www.xilinx.com
1
产品 规格
1-800-255-7778
© 2003 xilinx, 公司 全部 权利 保留. 全部 xilinx 商标, 已注册 商标, patents, 和 免责声明 是 作为 已列出 一个t
http://www.xilinx.com/法律.htm
.
全部 其他 商标 和 已注册 商标 是 这 财产 的 他们的 各自 业主. 全部 规格 是 主题 至 change 无 通知.
k
特点
高性能
- 5 ns pin-to-pin 逻辑 延误 开启 全部 针脚
-f
CNT
至 125 mhz
大型 密度 范围
- 36 至 288 宏单元 与 800 至 6,400 可用
盖茨
- 耐力 的 10,000 程序/擦除 循环次数
- 程序/擦除 结束 已满 商业 电压 和
温度 范围
增强型 管脚-锁定 体系结构
灵活 36v18 功能 块
- 90 产品 条款 驱动器 任何 或 全部 的 18 宏单元
内 功能 块
- 全球 和 产品 期限 时钟, 输出 启用,
设置 和 重置 信号
- 广泛的 ieee 标准1149.1 边界扫描 (jtag)
support
- 可编程 电源 减少 模式 入点 每个
宏单元
- 回转 费率 控制 开启 个人 产出
- 用户 可编程 接地 管脚 能力
- 扩展 图案 安全 特点 用于 设计
保护
- 高驱动 24 ma 产出
- 3.3v 或 5v 我/o 能力
- 高级 cmos 5v 快 flash™ 技术
- 支架 平行 编程 的 多个 xc9500
设备
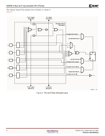
家庭 概述
这 xc9500 cpld 家庭 提供 高级 在系统内
编程 和 测试一下 能力 用于 高 业绩,
概述 目的 逻辑 集成. 全部 设备 是 在系统内
可编程 用于 一个 最小值 的 10,000 程序/擦除
循环次数. 广泛的 ieee 1149.1 (jtag) 边界扫描 sup-
港口 是 也 包括 开启 全部 家庭 成员.
作为 显示 入点助教ble? 1, 逻辑 密度 的 这 xc9500 设备
范围 从 800 至 结束 6,400 可用 盖茨 与 36 至 288
寄存器, 分别. 多个 包装 选项 和 阿索-
已注册 我/o 容量 是 显示 入点助教ble? 2. 这 xc9500 fam-
ily 是 完全 引脚兼容 允许 容易 设计 迁移
跨越 多个 密度 选项 入点 一个 给定 包装 占地面积.
这 xc9500 建筑 特点 地址 这 需要-
部分 的 在系统内 可编程性. 增强型 管脚-锁定
能力 避免 昂贵的 板 返工. 一个 展开 jtag
说明书 设置 允许 版本 控制 的 编程 pat-
terns 和 在系统内 调试. 在系统内 编程
贯穿始终 这 已满 设备 操作 范围 和 一个 最小值
的 10,000 程序/擦除 循环次数 提供 担心-免费 侦察兵-
形象 和 系统 字段 升级.
高级 系统 特点 包括 输出 回转 费率 控制
和 用户可编程 接地 针脚 至 帮助 减少 系统
噪声. 我/操作系统 将 是 已配置 用于 3.3v 或 5v 操作. 全部
产出 提供 24 ma 驱动器.
0
xc9500 在系统内 可编程
cpld 家庭
ds063 (v5.1) 九月 22, 2003
00
产品 规格
表 1:
xc9500 设备 家庭
XC9536 XC9572 XC95108 XC95144 XC95216 XC95288
宏单元 36 72 108 144 216 288
可用 盖茨 800 1,600 2,400 3,200 4,800 6,400
寄存器 36 72 108 144 216 288
t
pd
(ns) 5 7.5 7.5 7.5 10 15
t
su
(ns) 3.5 4.5 4.5 4.5 6.0 8.0
t
一氧化碳
(ns) 4.0 4.5 4.5 4.5 6.0 8.0
f
CNT
(mhz)
(1)
100 125 125 125 111.1 92.2
f
系统
(mhz)
(2)
100 83.3 83.3 83.3 66.7 56.6
备注:
1. f
CNT
= 操作 频率 用于 16-有点 计数器.
2. f
系统
= 内部 操作 频率 用于 概述 目的 系统 设计 跨越 多个 fbs.
资料评论区:
点击回复标题作者最后回复时间

标 题:
内 容:
用户名:
手机号:    (*未登录用户需填写手机号,手机号不公开,可用于网站积分.)
      
关于我们 | 联系我们
电    话13410210660             QQ : 84325569   点击这里与集成电路资料查询网联系
联系方式: E-mail:CaiZH01@163.com