>┊
首页 | 最新需求 | 最新现货 | IC库存 | 供应商 | IC英文资料库 | IC中文资料库 | IC价格 | 电路图 | 应用资料 | 技术资料
 IC型号: 
您现在的位置:首页 >  IC英文资料库 进入手机版 
 
资料编号:731159
 
资料名称:Z8018008FSC
 
文件大小: 388K
   
说明
 
介绍:
ENHANCED Z180 MICROPROCESSOR
 
 


: 点此下载
 
1
浏览型号Z8018008FSC的Datasheet PDF文件第2页
2
浏览型号Z8018008FSC的Datasheet PDF文件第3页
3
浏览型号Z8018008FSC的Datasheet PDF文件第4页
4
浏览型号Z8018008FSC的Datasheet PDF文件第5页
5
浏览型号Z8018008FSC的Datasheet PDF文件第6页
6
浏览型号Z8018008FSC的Datasheet PDF文件第7页
7
浏览型号Z8018008FSC的Datasheet PDF文件第8页
8
浏览型号Z8018008FSC的Datasheet PDF文件第9页
9
 
本平台电子爱好着纯手工中文简译:截至2020/5/17日,支持英文词汇500个
DS971800401
p 右 e? l 我 m 我 n 一个 右 y
1-1
1
p
RELIMINARY
p
RODUCT
s
具体化
z80180/z8s180/
1
z8l180 sl1919
e?
NHANCED
z180 m
ICROPROCESSOR
特点
代码 兼容 与 zilog z80
®
CPU
扩展 说明
两个 链条-已链接 dma 频道
低 掉电 模式
片上 中断 控制器
三个 片上 等待状态 发电机
片上 振荡器/发电机
展开 mmu 寻址 (向上 至 1 mb)
时钟 串行 我/o 港口
两个 16-有点 计数器/计时器
两个 增强型 uarts (向上 至 512 kbps)
时钟 速度: 6, 8, 10, 20, 33 mhz
操作 范围: 5v (3.3v@ 20 mhz)
操作 温度 范围: 0
°
c 至 +70
°
c
-40
°
c 至 +85
°
c 扩展 温度 范围
三个 包装 样式
68-管脚 plcc
64-管脚 倾角
80-管脚 qfp
概述 描述
这 增强型 z80180/z8s180/z8l180
显著 即时消息-
证明 开启 这 上一个 z80180 型号 同时 仍然 提供
已满 向后 兼容性 与 现有 zilog z80 设备.
这 z80180/z8s180/z8l180 现在 优惠 更快 执行
速度, 电源 正在保存 模式, 和 emi 噪声 减少.
这个 增强型 z180 设计 也 包含 附加
功能 增强功能 至 这 ascis, dmas, 和 我
抄送
备用 模式 电源 消费. 与 这 加法 的
“escc-like” 波特 费率 发电机 (brgs), 这 两个 ascis
现在 有 这 灵活性 和 能力 至 转让 数据 asyn-
接收器 有 已添加 一个 4-字节 第一 入点 第一 出点 (先进先出) 哪个
可以 是 已使用 至 缓冲区 传入 数据 至 减少 这 inci-
登斯 的 超支 错误. 这 dmas 有 被 已修改 至
允许 用于 一个 “chain-linking” 的 这 两个 dma 频道 当
设置 至 采取 他们的 dma 请求 从 这 相同 外围设备
设备. 这个 功能 允许 用于 非-停止 dma 操作 是-
补间 这 两个 dma 频道, 减少 这 金额 的 cpu
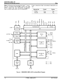
干预 (图 1).
不 仅 是否 这 z80180/z8s180/z8l180 消耗 较少
电源 期间 正常 运营 比 这 上一个 型号,
ther 减少 这 电源 消费. zilog 减少 我
抄送
pow-
er 消费 期间 备用 模式 至 一个 最小值 的
10
µ
一个 由 正在停止 这 外部 振荡器 和 内部
时钟. 这 睡眠 模式 减少 电源 由 放置 这
cpu 进入 一个 “stopped” 州, 从而 消费 较少 cur-
租金 同时 这 片上 我/o 设备 是 仍然 操作. 这
系统 停止 模式 地点 两者都有 这 cpu 和 这 开启-
芯片 外围设备 进入 一个 “stopped” 模式, 从而 减少
电源 消费 甚至 进一步.
一个 新建 时钟 加强肋 功能 有 被 已实施 入点 这
z80180/z8s180/z8l180 设备 那 允许 这 程序-
mer 至 双 这 内部 时钟 从 那 的 这 外部
时钟. 这个 提供 一个 系统 成本 储蓄 由 允许
这 使用 的 下部 成本, 下部 频率 晶体 相反 的
这 较高 成本, 和 较高 速度 振荡器.
这 增强型 z180 是 已安置 入点 80-管脚 qfp, 68-管脚
plcc, 和 64-管脚 倾角 软件包.
资料评论区:
点击回复标题作者最后回复时间

标 题:
内 容:
用户名:
手机号:    (*未登录用户需填写手机号,手机号不公开,可用于网站积分.)
      
关于我们 | 联系我们
电    话13410210660             QQ : 84325569   点击这里与集成电路资料查询网联系
联系方式: E-mail:CaiZH01@163.com