>┊
首页 | 最新需求 | 最新现货 | IC库存 | 供应商 | IC英文资料库 | IC中文资料库 | IC价格 | 电路图 | 应用资料 | 技术资料
 IC型号: 
您现在的位置:首页 >  IC英文资料库 进入手机版 
 
资料编号:74650
 
资料名称:MC33661R2
 
文件大小: 377.45K
   
说明
 
介绍:
LIN Enhanced Physical Interface
 
 


: 点此下载
 
1
浏览型号MC33661R2的Datasheet PDF文件第2页
2
浏览型号MC33661R2的Datasheet PDF文件第3页
3
浏览型号MC33661R2的Datasheet PDF文件第4页
4
浏览型号MC33661R2的Datasheet PDF文件第5页
5
浏览型号MC33661R2的Datasheet PDF文件第6页
6
浏览型号MC33661R2的Datasheet PDF文件第7页
7
浏览型号MC33661R2的Datasheet PDF文件第8页
8
浏览型号MC33661R2的Datasheet PDF文件第9页
9
 
本平台电子爱好着纯手工中文简译:截至2020/5/17日,支持英文词汇500个
rxd
33661
mcu
TXD
en
唤醒
lin
inh
v
sup
lin 总线
v
PWR
12.0 v / 5.0 v
调节器
摩托罗拉
半导体 技术类 数据
这个 文件 包含 某些 信息 开启 一个 新建 产品.
规格 和 信息 此处是 主题 至 变更 无 通知.
© 摩托罗拉, 公司 2004
文件 订单 号码: mc33661
rev 3.0, 10/2004
33661
预付款 信息
lin 增强型 物理 接口
本地 互连 网络 (lin) 是 一个 串行 通信 协议
网络 (可以). 作为 这 最低 水平 的 一个 hierarchical 网络, lin 启用
成本效益 通信 与 传感器s 和 执行机构 当 全部 这 特点
的 可以 是 不 必填项.
这 33661 是 一个 物理 图层 组件 专用 至 汽车 lin sub-
总线 应用程序. 它 优惠 回转 费率选择 用于 优化 操作 在
10 kbps 和 20 kbps, 快 波特 费率 (以上 100 kbps) 用于 测试一下 和
编程 模式
,
优秀 辐射 排放 业绩, 和 安全
行为 入点 这 事件 的 lin 总线 肖尔t-至-接地 或 lin 总线 泄漏 期间
低功耗 模式.
特点
运营 从 v
sup
6.0 v 至 18 v 直流, 功能 向上 至 27 v 直流, 和
手柄 40 v 期间 荷载 转储
活动 总线 waveshaping 提供优秀 辐射 排放
业绩
5.0 kv esd 开启 lin 总线 终端
•30k
内部 上拉 电阻
lin 总线 短-至-接地 或 高 泄漏 入点 睡眠 模式
-18 v 至 +40 v 直流 电压 在 lin 终端
•8.0
µ
一个 备用 电流 入点 睡眠 模式
本地 和 远程 唤醒 能力 已报告 由 inh 和 rxd
接线端子
5.0 v 和 3.3 v 兼容 数字 输入 无 任何 外部
组件 必填项
lin 接口
订购 信息
设备
温度
范围 (t
一个
)
包装
mc33661d/r2 -40°c 至 125°c 8 soicn
d 后缀
案例 751-06
8-终端 SOICN
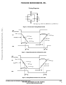
33661 简化 ap折叠 图表
f
e?
e?
s
c
一个
l
e?
s
e?
m
c
o
n
d
u
c
t
o
,
飞思卡尔 半导体, 公司
用于 更多 信息 开启 这个 产品,
走 至: www.飞思卡尔.com
n
c
.
.
.
资料评论区:
点击回复标题作者最后回复时间

标 题:
内 容:
用户名:
手机号:    (*未登录用户需填写手机号,手机号不公开,可用于网站积分.)
      
关于我们 | 联系我们
电    话13410210660             QQ : 84325569   点击这里与集成电路资料查询网联系
联系方式: E-mail:CaiZH01@163.com