>┊
首页 | 最新需求 | 最新现货 | IC库存 | 供应商 | IC英文资料库 | IC中文资料库 | IC价格 | 电路图 | 应用资料 | 技术资料
 IC型号: 
您现在的位置:首页 >  IC英文资料库 进入手机版 
 
资料编号:778678
 
资料名称:SN74LS147DR
 
文件大小: 177K
   
说明
 
介绍:
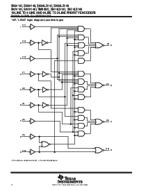
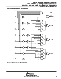
10-LINE TO 4-LINE AND 8-LINE TO 3-LINE PRIORITY ENCODERS
 
 


: 点此下载
 
1
浏览型号SN74LS147DR的Datasheet PDF文件第2页
2
浏览型号SN74LS147DR的Datasheet PDF文件第3页
3
浏览型号SN74LS147DR的Datasheet PDF文件第4页
4
浏览型号SN74LS147DR的Datasheet PDF文件第5页
5
浏览型号SN74LS147DR的Datasheet PDF文件第6页
6
浏览型号SN74LS147DR的Datasheet PDF文件第7页
7
浏览型号SN74LS147DR的Datasheet PDF文件第8页
8
浏览型号SN74LS147DR的Datasheet PDF文件第9页
9
 
本平台电子爱好着纯手工中文简译:截至2020/5/17日,支持英文词汇500个
   
    
        
sdls053b − october 1976− 修订 将 2004
1
post 办公室 框 655303
达拉斯市, 德州 75265
’147, ’ls147
编码 10-线 十进制 至 4-线 bcd
应用程序 包括:
− 键盘 编码
− 范围 选择
’148, ’ls148
编码 8 数据 线条 至 3-线 二进制
(八进制)
应用程序 包括:
− n位 编码
− 代码 转换器 和 发电机
3212019
910111213
4
5
6
7
8
18
17
16
15
14
d
3
nc
2
1
6
7
nc
8
c
5
4
nc
一个
9
v
nc
B
nc
SN54LS147 ...fk p组件
(顶部 查看)
抄送
nc − 否 内部 连接
1
2
3
4
5
6
7
8
16
15
14
13
12
11
10
9
4
5
6
7
8
c
B
v
抄送
nc
d
3
2
1
9
一个
sn54147, sn54ls147 ...j 或 w p组件
sn74147, sn74ls147
(顶部 查看)
1
2
3
4
5
6
7
8
16
15
14
13
12
11
10
9
4
5
6
7
ei
A2
A1
v
抄送
E0
gs
3
2
1
0
A0
sn54148, sn54ls148 ...j 或 w p组件
sn74148, sn74ls148 . . . d, n, 或 ns 包装
(顶部 查看)
3212019
910111213
4
5
6
7
8
18
17
16
15
14
gs
3
nc
2
1
6
7
nc
ei
A2
5
4
nc
A0
0
v
E0
A1
nc
SN54LS148 . . . fk 包装
(顶部 查看)
抄送
类型
典型
数据
延迟
典型
电源
耗散
’147 10 ns 225 mw
’148 10 ns 190 mw
’LS147 15 ns 60 mw
’LS148 15 ns 60 mw
备注: 这 sn54147, sn54ls147, sn54148, sn74147, sn74ls147, 和 sn74148 是 废弃的 和 是 否 更长 supplied.
请 是 意识到 那 一个 重要 通知 关于 可用能力, 标准 保修, 和 使用 入点 关键 应用程序 of
德州 仪器仪表 半导体 产品 和 免责声明 对此 出现 在 这 结束 的 这个 数据 工作表.
版权
2004, 德州 仪器仪表 股份公司
        
         
       
   
        
       
        
资料评论区:
点击回复标题作者最后回复时间

标 题:
内 容:
用户名:
手机号:    (*未登录用户需填写手机号,手机号不公开,可用于网站积分.)
      
关于我们 | 联系我们
电    话13410210660             QQ : 84325569   点击这里与集成电路资料查询网联系
联系方式: E-mail:CaiZH01@163.com