>┊
首页 | 最新需求 | 最新现货 | IC库存 | 供应商 | IC英文资料库 | IC中文资料库 | IC价格 | 电路图 | 应用资料 | 技术资料
 IC型号: 
您现在的位置:首页 >  IC英文资料库 进入手机版 
 
资料编号:814101
 
资料名称:CD74HCT85MTE4
 
文件大小: 353K
   
说明
 
介绍:
High-Speed CMOS Logic 4-Bit Magnitude Comparator
 
 


: 点此下载
 
1
浏览型号CD74HCT85MTE4的Datasheet PDF文件第2页
2
浏览型号CD74HCT85MTE4的Datasheet PDF文件第3页
3
浏览型号CD74HCT85MTE4的Datasheet PDF文件第4页
4
浏览型号CD74HCT85MTE4的Datasheet PDF文件第5页
5
浏览型号CD74HCT85MTE4的Datasheet PDF文件第6页
6
浏览型号CD74HCT85MTE4的Datasheet PDF文件第7页
7
浏览型号CD74HCT85MTE4的Datasheet PDF文件第8页
8
浏览型号CD74HCT85MTE4的Datasheet PDF文件第9页
9
 
本平台电子爱好着纯手工中文简译:截至2020/5/17日,支持英文词汇500个
1
数据 工作表 获得 从 harris 半导体
SCHS136B
特点
缓冲 输入 和 产出
典型 传播 延迟: 13ns (数据 至 输出 在
v
抄送
= 5v, c
l
= 15pf, t
一个
= 25
o
c
串行 或 平行 扩展 无 外部 浇口
扇出 (结束 温度 范围)
- 标准 产出 . . . . . . . . . . . . . . . 10 lsttl 荷载
- 总线 驾驶员 产出 . . . . . . . . . . . . . 15 lsttl 荷载
宽 操作 温度 范围 . . . -55
o
c 至 125
o
c
平衡式 传播 延迟 和 过渡 次
Signi 电源 减少 比较 至 lsttl
逻辑 ics
hc 类型
- 2v 至 6v 操作
- 噪声 免疫: n
il
= 30%, n
ih
= 30%of v
抄送
v
抄送
= 5v
hct 类型
- 4.5v 至 5.5v 操作
- 直接 lsttl 输入 逻辑 兼容性,
v
il
= 0.8v (最大值), v
ih
= 2v (最小)
- cmos 输入 兼容性, 我
l
1
µ
一个 在 v
ol
, v
描述
’HC85 ’HCT85 速度 震级
比较器 使用 硅栅 CMOS 技术
实现 操作 速度 类似 LSTTL
电源 消费 的 标准 cmos 综合 电路.
这些 4-有点 设备 比较 两个 二进制, bcd, 其他
单调 代码 目前 三个 可能 震级
结果 产出 (一个 > b, 一个 &指示灯; b, 一个 = b). 4-有点
输入 字词 加权 (a0 A3 B0 b3), 在哪里 A3
和 b
3
是 这 大多数 Signi 比特.
设备 expandable 外部 浇口, 入点 两者都有
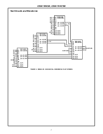
串行 平行 时尚. 上部 零件 真相
表示 操作 使用 一个 单独 设备 设备 入点 一个
串行 展开 应用程序. 平行 扩展
方案 已描述 最后一个 三个 条目 入点 真相
表.
引出线
cd54hc85, cd54hct85
(cerdip)
CD74HC85
(pdip, soic, sop)
CD74HCT85
(pdip, soic)
顶部 查看
订购 信息
零件 号码
温度 范围
(
o
c) 包装
CD54HC85F3A -55 至 125 16 ld cerdip
CD74HC85E -55 至 125 16 ld pdip
CD74HC85M -55 至 125 16 ld soic
CD74HC85NSR -55 至 125 16 ld sop
CD54HCT85F3A -55 至 125 16 ld cerdip
CD74HCT85E -55 至 125 16 ld pdip
CD74HCT85M -55 至 125 16 ld soic
备注:
1. 订购, 使用 整个 零件 号码. 添加 后缀 96
获取 这 变式 入点 这 胶带 和 卷轴.
2. 模具 用于 这个 零件 号码 可用 哪个 满足 全部 电气
规格. 联系人 你的 本地 ti 销售 办公室 客户-
托默 服务 用于 订购 信息.
14
15
16
9
13
12
11
10
1
2
3
4
5
7
6
8
B3
(一个 &指示灯; b) 入点
(一个 = b) 入点
(一个 > b) 入点
(一个 > b) 出点
(一个 = b) 出点
(一个 &指示灯; b) 出点
v
抄送
B2
A2
A1
B1
A0
B0
A3
8月 1997 - 修订 march 2002
注意事项: 这些 设备 是 敏感 至 静电 放电. 用户 应该 跟着 适当的 集成电路 搬运 程序.
版权
©
2002, 德州 仪器仪表 股份公司
cd54/74hc85,
cd54/74hct85
高 速度 cmos 逻辑
4-有点 震级 比较器
[ /标题
(cd74
hc85,
CD74
HCT85
)
/sub-
项目
(高
速度
CMOS
逻辑
4-有点
马格尼-
tude
com-
para-
资料评论区:
点击回复标题作者最后回复时间

标 题:
内 容:
用户名:
手机号:    (*未登录用户需填写手机号,手机号不公开,可用于网站积分.)
      
关于我们 | 联系我们
电    话13410210660             QQ : 84325569   点击这里与集成电路资料查询网联系
联系方式: E-mail:CaiZH01@163.com