>┊
首页 | 最新需求 | 最新现货 | IC库存 | 供应商 | IC英文资料库 | IC中文资料库 | IC价格 | 电路图 | 应用资料 | 技术资料
 IC型号: 
您现在的位置:首页 >  IC英文资料库 进入手机版 
 
资料编号:814182
 
资料名称:CD74HC4052M96E4
 
文件大小: 465K
   
说明
 
介绍:
High-Speed CMOS Logic Analog Multiplexers/Demultiplexers
 
 


: 点此下载
 
1
浏览型号CD74HC4052M96E4的Datasheet PDF文件第2页
2
浏览型号CD74HC4052M96E4的Datasheet PDF文件第3页
3
浏览型号CD74HC4052M96E4的Datasheet PDF文件第4页
4
浏览型号CD74HC4052M96E4的Datasheet PDF文件第5页
5
浏览型号CD74HC4052M96E4的Datasheet PDF文件第6页
6
浏览型号CD74HC4052M96E4的Datasheet PDF文件第7页
7
浏览型号CD74HC4052M96E4的Datasheet PDF文件第8页
8
浏览型号CD74HC4052M96E4的Datasheet PDF文件第9页
9
 
本平台电子爱好着纯手工中文简译:截至2020/5/17日,支持英文词汇500个
1
数据 工作表 获得 从 harris 半导体
SCHS122I
特点
宽 模拟 输入 电压 范围 . . . . . . . . . .
±
5v 最大值
低 “on” 电阻
-70
典型 (v
抄送
- v
ee
= 4.5v)
-40
典型 (v
抄送
- v
ee
= 9v)
低 串扰 之间 开关
快 开关 和 传播 速度
“break-之前-make” 开关
宽 操作 温度 范围. . -55
o
c 至 125
o
c
cd54hc/cd74hc 类型
- 操作 控制 电压 . . . . . . . . . . . . . . 2v 至 6v
- 开关 电压 . . . . . . . . . . . . . . . . . . . . . . . 0v 至 10v
- 高 噪声 免疫. . . n
il
= 30%, n
ih
= 30% 的 v
抄送
,
v
抄送
= 5v
cd54hct/cd74hct 类型
- 操作 控制 电压 . . . . . . . . . . . 4.5v 至 5.5v
- 开关 电压 . . . . . . . . . . . . . . . . . . . . . . . 0v 至 10v
- 直接 lsttl 输入
逻辑 兼容性 . . . v
il
= 0.8v 最大值, v
ih
= 2v 最小
- cmos 输入 兼容性 . . . . .
1
µ
一个 在 v
ol
, v
描述
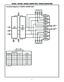
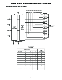
这些 设备 数字 受控 模拟 开关 哪个
利用 闸门 CMOS 技术 实现 操作
速度 类似 LSTTL 电源 消费
标准 cmos 综合 电路.
这些 模拟 多路复用器/demultiplexers 控制 模拟
电压 变化 跨越 电压 供应 范围 (我.e?.
v
抄送
v
ee
). 他们 双向 开关 因此 允许
任何 模拟 输入 已使用 作为 一个 输出 副-反之亦然.
开关 “on” 电阻 “off 泄漏-
年龄. 入点 加法, 全部 三个 设备 一个 启用 控制
哪个, 当 高, 禁用 全部 开关 至 他们的 “off” 州.
订购 信息
零件 号码
温度 范围
(
o
c) 包装
CD54HC4051F3A -55 至 125 16 ld cerdip
CD54HC4052F3A -55 至 125 16 ld cerdip
CD54HC4053F3A -55 至 125 16 ld cerdip
CD54HCT4051F3A -55 至 125 16 ld cerdip
CD74HC4051E -55 至 125 16 ld pdip
CD74HC4051M -55 至 125 16 ld soic
CD74HC4051MT -55 至 125 16 ld soic
CD74HC4051M96 -55 至 125 16 ld soic
CD74HC4051NSR -55 至 125 16 ld sop
CD74HC4051PWR -55 至 125 16 ld tssop
CD74HC4051PWT -55 至 125 16 ld tssop
CD74HC4052E -55 至 125 16 ld pdip
CD74HC4052M -55 至 125 16 ld soic
CD74HC4052MT -55 至 125 16 ld soic
CD74HC4052M96 -55 至 125 16 ld soic
CD74HC4052NSR -55 至 125 16 ld sop
CD74HC4052PW -55 至 125 16 ld tssop
CD74HC4052PWR -55 至 125 16 ld tssop
CD74HC4052PWT -55 至 125 16 ld tssop
CD74HC4053E -55 至 125 16 ld pdip
CD74HC4053M -55 至 125 16 ld soic
CD74HC4053MT -55 至 125 16 ld soic
CD74HC4053M96 -55 至 125 16 ld soic
CD74HC4053NSR -55 至 125 16 ld sop
CD74HC4053PW -55 至 125 16 ld tssop
CD74HC4053PWR -55 至 125 16 ld tssop
CD74HC4053PWT -55 至 125 16 ld tssop
CD74HCT4051E -55 至 125 16 ld pdip
CD74HCT4051M -55 至 125 16 ld soic
CD74HCT4051MT -55 至 125 16 ld soic
CD74HCT4051M96 -55 至 125 16 ld soic
CD74HCT4052E -55 至 125 16 ld pdip
CD74HCT4052M -55 至 125 16 ld soic
CD74HCT4052MT -55 至 125 16 ld soic
CD74HCT4052M96 -55 至 125 16 ld soic
CD74HCT4053E -55 至 125 16 ld pdip
CD74HCT4053M -55 至 125 16 ld soic
CD74HCT4053MT -55 至 125 16 ld soic
CD74HCT4053M96 -55 至 125 16 ld soic
CD74HCT4053PWR -55 至 125 16 ld tssop
CD74HCT4053PWT -55 至 125 16 ld tssop
备注: 当 订购, 使用 这 整个 零件 号码. 这 suffixes 96
和 右 表示 胶带 和 卷轴. 这 suffix t 表示 一个 小批量
卷轴 的 250.
订购 信息
零件 号码
温度 范围
(
o
c) 包装
注意事项: 这些 设备 是 敏感 至 静电 放电. 用户 应该 跟着 适当的 集成电路 搬运 程序.
版权
©
2004, 德州 仪器仪表 股份公司
cd54/74hc4051, cd54/74hct4051,
cd54/74hc4052, cd74hct4052,
cd54/74hc4053, cd74hct4053
高速 cmos 逻辑
模拟 多路复用器/Demultiplexers
[ /标题
(cd54
HC405
1,
CD74
HC405
1,
CD74
HCT40
51,
CD74
HC405
2,
十一月 1997 - 修订 july 2004
资料评论区:
点击回复标题作者最后回复时间

标 题:
内 容:
用户名:
手机号:    (*未登录用户需填写手机号,手机号不公开,可用于网站积分.)
      
关于我们 | 联系我们
电    话13410210660             QQ : 84325569   点击这里与集成电路资料查询网联系
联系方式: E-mail:CaiZH01@163.com