>┊
首页 | 最新需求 | 最新现货 | IC库存 | 供应商 | IC英文资料库 | IC中文资料库 | IC价格 | 电路图 | 应用资料 | 技术资料
 IC型号: 
您现在的位置:首页 >  IC英文资料库 进入手机版 
 
资料编号:821188
 
资料名称:EMIF04-MMC02F2
 
文件大小: 95K
   
说明
 
介绍:
4 LINES EMI FILTER INCLUDING ESD PROTECTION
 
 


: 点此下载
 
1
浏览型号EMIF04-MMC02F2的Datasheet PDF文件第2页
2
浏览型号EMIF04-MMC02F2的Datasheet PDF文件第3页
3
浏览型号EMIF04-MMC02F2的Datasheet PDF文件第4页
4
浏览型号EMIF04-MMC02F2的Datasheet PDF文件第5页
5
浏览型号EMIF04-MMC02F2的Datasheet PDF文件第6页
6
浏览型号EMIF04-MMC02F2的Datasheet PDF文件第7页
7
 
本平台电子爱好着纯手工中文简译:截至2020/5/17日,支持英文词汇500个
®
1/7
emif04-mmc02f2
4 线条 emi 过滤器
包括 esd 保护
rev. 2april 2005
IPAD™
倒装芯片
(11 凸块)
图 1: 管脚 配置 (球 侧面)
O1
I4
VD1
O4
O3
O2
I3
I2 VD2
I1
B
123
c
d
一个
tm:
ipad 是 一个 商标 的 意法半导体.
表 1: 订单 代码
零件 号码 标记
emif04-mmc02f2 fh
在哪里 emi 过滤 入点 esd 敏感 设备 是
必填项:
多媒体 卡片 用于 移动电话 电话, 个人
数字 assistant, 数字 摄像头, mp3 玩家...
描述
这 emif04-mmc02 是 一个 高度 综合 devic-
es 设计 至 抑制 emi/rfi 噪声 用于 多-
媒体 卡片 港口. 这 emif04 翻转 芯片 包装
手段 这 包装 尺寸 是 相等 至 这 模具 尺寸.
这个 过滤器 包括 一个 esd 保护 电路
哪个 防止 这 设备 从 销毁 当
受 至 esd 浪涌 向上 15kv.
好处
emi 对称 (我/o) 低通 过滤器
高 效率 入点 emi 过滤
铅 免费 包装
很 低 pcb 空间 消费:
1.57 mm x 2.07 mm
很 薄 包装: 0.65 mm
高 效率 入点 esd 抑制
高 可靠性 提供 由 单片 集成
高 减少 的 寄生 元素 通过
集成 &放大器; 晶圆 水平 包装.
符合 与 这 以下内容 标准:
iec61000-4-2
水平 4 15kV (空气 放电)
8kV (联系人 放电)
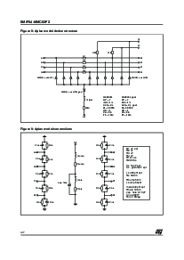
图 2: 配置
cline = 20pf 最大值
I1
I2
I3
I4
o1 (数据)
o2 (clk)
o3 (cmd)
O4
R1
R2
R3
R4
R20 R10
VD2 VD1
资料评论区:
点击回复标题作者最后回复时间

标 题:
内 容:
用户名:
手机号:    (*未登录用户需填写手机号,手机号不公开,可用于网站积分.)
      
关于我们 | 联系我们
电    话13410210660             QQ : 84325569   点击这里与集成电路资料查询网联系
联系方式: E-mail:CaiZH01@163.com