>┊
首页 | 最新需求 | 最新现货 | IC库存 | 供应商 | IC英文资料库 | IC中文资料库 | IC价格 | 电路图 | 应用资料 | 技术资料
 IC型号: 
您现在的位置:首页 >  IC英文资料库 进入手机版 
 
资料编号:821200
 
资料名称:EMIF06-VID01F2
 
文件大小: 124K
   
说明
 
介绍:
6 LINES LOW CAPACITANCE EMI FILTER AND ESD PROTECTION
 
 


: 点此下载
 
1
浏览型号EMIF06-VID01F2的Datasheet PDF文件第2页
2
浏览型号EMIF06-VID01F2的Datasheet PDF文件第3页
3
浏览型号EMIF06-VID01F2的Datasheet PDF文件第4页
4
浏览型号EMIF06-VID01F2的Datasheet PDF文件第5页
5
浏览型号EMIF06-VID01F2的Datasheet PDF文件第6页
6
 
本平台电子爱好着纯手工中文简译:截至2020/5/17日,支持英文词汇500个
®
1/6
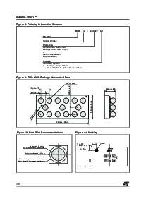
emif06-vid01c1
6 线条 低 电容 emi 过滤器
和 esd 保护
rev. 1二月 2005
IPAD™
®
涂层 倒装芯片
(15 凸块)
图 1: 管脚 配置 (球 侧面)
I4
O4
I1
O1
I6
O6
I3
O3
I5
O5
I2
O2
987 654 321
一个
B
c
tm:
ipad 是 一个 商标 的 意法半导体.
表 1: 订单 代码
零件 号码 标记
emif06-vid01c1 gr
在哪里 emi 过滤 入点 esd 敏感 设备 是
必填项:
lcd 和 摄像头 用于 移动电话 电话
计算机 和 打印机
通信 系统
mcu 板
描述
这 emif06-vid01c1 是 一个 6 线条 高度 integrat-
ed 阵列 设计 至 抑制 emi / rfi 噪声 入点
全部 系统 受 至 电磁 interfer-
围栏.
这 emif06-vid01c1 倒装芯片 包装
手段 这 包装 尺寸 是 相等 至 这 模具 尺寸.
另外, 这个 过滤器 包括 一个 esd 保护
电路 哪个 防止 这 保护 设备 从
销毁 当 受 至 esd 浪涌 向上 至
15 kv.
好处
高 效率 emi 过滤 (-40db @ 900mhz)
低 线 电容 适合 用于 高 速度
数据 总线
低 串行 电阻 用于 摄像头 阻抗
适应
优化 pcb 空间 消费:
2.92mm x 1.29mm
很 薄 包装: 0.69 mm
高 效率 入点 esd 抑制 开启 输入
针脚 (iec61000-4-2 水平 4)
高 可靠性 提供 由 单片 集成
高 减少 的 寄生 元素 通过
集成 &放大器; 晶圆 水平 包装
符合 与 这 以下内容 标准:
iec61000-4-2
水平 4 开启 输入 针脚 15kv (空气 放电)
8kv (联系人 放电)
密耳 标准 883e
- 方法 3015-6 类 3
图 2: 配置
右 = 100
c = 16pf 典型值 @ 3v
线
输入
输出
资料评论区:
点击回复标题作者最后回复时间

标 题:
内 容:
用户名:
手机号:    (*未登录用户需填写手机号,手机号不公开,可用于网站积分.)
      
关于我们 | 联系我们
电    话13410210660             QQ : 84325569   点击这里与集成电路资料查询网联系
联系方式: E-mail:CaiZH01@163.com