>┊
首页 | 最新需求 | 最新现货 | IC库存 | 供应商 | IC英文资料库 | IC中文资料库 | IC价格 | 电路图 | 应用资料 | 技术资料
 IC型号: 
您现在的位置:首页 >  IC英文资料库 进入手机版 
 
资料编号:823705
 
资料名称:HCPL-091J
 
文件大小: 449K
   
说明
 
介绍:
High Speed Digital Isolators
 
 


: 点此下载
 
1
浏览型号HCPL-091J的Datasheet PDF文件第2页
2
浏览型号HCPL-091J的Datasheet PDF文件第3页
3
浏览型号HCPL-091J的Datasheet PDF文件第4页
4
浏览型号HCPL-091J的Datasheet PDF文件第5页
5
浏览型号HCPL-091J的Datasheet PDF文件第6页
6
浏览型号HCPL-091J的Datasheet PDF文件第7页
7
浏览型号HCPL-091J的Datasheet PDF文件第8页
8
浏览型号HCPL-091J的Datasheet PDF文件第9页
9
 
本平台电子爱好着纯手工中文简译:截至2020/5/17日,支持英文词汇500个
安捷伦 hcpl-9000/-0900, -9030/-0930,
hcpl-9031/-0931, -900j/-090j,
hcpl-901j/-091j, -902j/-092j
高 速度 数字 隔离器
数据 工作表
描述
这 hcpl-90xx 和 hcpl-09xx
cmos 数字 隔离器 功能
高 速度 业绩 和
优秀 瞬态 免疫
磁性 联轴器 护栏 给出
这些 设备 一个 典型 脉冲
宽度 失真 的 2 ns, 一个 典型
传播 延迟 偏斜 的 4 ns
和 100 mbaud 数据 费率, 制作
他们 这 行业
s 最快
数字 隔离器.
这 单独 频道 数字 伊索拉-
活动范围 (hcpl-9000/-0900) 特点
一个 低电平有效 逻辑 输出 启用.
这 双 频道 数字 隔离器
是 已配置 作为 单向
(hcpl-9030/-0930) 和 bi-
定向 (hcpl-9031/-0931),
操作 入点 已满 双工 模式
制作 它 理想 用于 数字
fieldbus 应用程序.
这 四边形 频道 数字 伊索拉-
活动范围 是 已配置 作为 unidirec-
特点
+3.3v 和 +5v ttl/cmos
兼容
3 ns 最大值 脉冲 宽度 失真
6 ns 最大值 传播 延迟 偏斜
15 ns 最大值 传播 延迟
高 速度: 100 mbd
15 kv/
µ
s 最小值 普通 模式
拒收
三态 输出
(hcpl-9000/-0900)
2500v rms 隔离
ul1577 和 iec 61010-1 已批准
应用程序
数字 fieldbus 隔离
多路复用 数据 变速器
计算机 外围设备 接口
高 速度 数字 系统
隔离 数据 接口
逻辑 水平 换档
国家 (hcpl-900j/-090j), 两个
频道 入点 一个 方向 和
两个 频道 入点 对面 目录-
操作 (hcpl-901j/-091j), 和 一个
频道 入点 一个 方向 和
三个 频道 入点 对面
方向 (hcpl-902j/-092j).
这些 高 频道 密度 制造
他们 理想情况下 适合 至 隔离
数据 换算 设备, 平行
公共汽车 和 外围设备 接口.
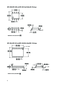
他们 是 可用 入点 8-管脚 pdip,
8-管脚 海鸥 机翼, 8-管脚 soic
软件包, 和 16
管脚 soic
窄-车身 和 宽-车身
软件包. 他们 是 指定 结束
这 温度 范围 的 -40
°
c
至 +100
°
c.
注意事项: 它 是 建议 那
正常 静态 注意事项 是
已拍摄 入点 搬运 和 总成
的 这个 组件 至 防止
损伤 和/或 降解,
哪个 将 是 诱导 由 esd.
资料评论区:
点击回复标题作者最后回复时间

标 题:
内 容:
用户名:
手机号:    (*未登录用户需填写手机号,手机号不公开,可用于网站积分.)
      
关于我们 | 联系我们
电    话13410210660             QQ : 84325569   点击这里与集成电路资料查询网联系
联系方式: E-mail:CaiZH01@163.com