>┊
首页 | 最新需求 | 最新现货 | IC库存 | 供应商 | IC英文资料库 | IC中文资料库 | IC价格 | 电路图 | 应用资料 | 技术资料
 IC型号: 
您现在的位置:首页 >  IC英文资料库 进入手机版 
 
资料编号:831132
 
资料名称:ICL7667CBA
 
文件大小: 64K
   
说明
 
介绍:
Dual Power MOSFET Driver
 
 


: 点此下载
 
1
浏览型号ICL7667CBA的Datasheet PDF文件第2页
2
浏览型号ICL7667CBA的Datasheet PDF文件第3页
3
浏览型号ICL7667CBA的Datasheet PDF文件第4页
4
浏览型号ICL7667CBA的Datasheet PDF文件第5页
5
浏览型号ICL7667CBA的Datasheet PDF文件第6页
6
浏览型号ICL7667CBA的Datasheet PDF文件第7页
7
浏览型号ICL7667CBA的Datasheet PDF文件第8页
8
 
本平台电子爱好着纯手工中文简译:截至2020/5/17日,支持英文词汇500个
3-73
文件 号码
2853.3
ICL7667
双 电源 场效应晶体管 驾驶员
这 icl7667 是 一个 双 单片 高速 驾驶员
设计 至 转换 ttl 水平 信号 进入 高 电流
产出 在 电压 向上 至 15v. 其 高 速度 和 电流
输出 启用 驱动器 大型 电容式 荷载 回转
费率 和 低 传播 延误. 与 一个 输出 电压
秋千 仅 毫伏 较少 比 这 供应 电压 和 一个
最大值 供应 电压 的 15v, 这 icl7667 是 井 适合
用于 驾驶 电源 mosfets 入点 高 频率 已切换-
模式 电源 转换器. ICL7667’s 电流 产出
最小化 电源 损失 入点 这 电源 mosfets 由 迅速
正在充电 和 卸料 这 闸门 电容. 这
icl7667’s 输入 是 ttl 兼容 和 可以 是 直接
驱动 由 普通 脉冲宽度 调制 控制 ics.
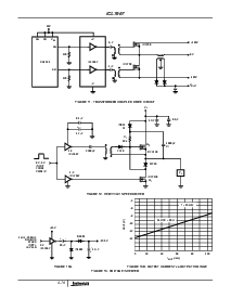
功能 图表
特点
快 上升 和 坠落 次
- 30ns 与 1000pf 荷载
宽 供应 电压 范围
-v
抄送
= 4.5v 至 15v
低 电源 消费
- 4mw 与 输入 低
- 20mw 与 输入 高
ttl/cmos 输入 兼容 电源 驾驶员
-右
出点
= 7
Ty p
直接 接口 与 普通 pwm 控制 ics
管脚 等效 至 ds0026/ds0056; tsc426
应用程序
开关 电源 供应品
直流/直流 转换器
电机 控制器
引出线
icl7667 (可以)
顶部 查看
icl7667 (pdip, soic, cerdip)
顶部 查看
订购 信息
零件
号码
温度 范围
(
o
c) 包装 pkg. 否.
ICL7667CBA 0 至 70 8 ld soic (n) m8.15
ICL7667CPA 0 至 70 8 ld pdip e8.3
ICL7667CJA 0 至 70 8 ld cerdip f8.3a
ICL7667CTV 0 至 70 8 管脚 金属 可以 t8.c
ICL7667MTV
(备注 1)
-55 至 125 8 管脚 金属 可以 t8.c
ICL7667MJA
(备注 1)
-55 至 125 8 ld cerdip f8.3a
备注:
1. 添加 /883b 至 零件 号码 用于 883b 加工
v
抄送
入点
2mA
出点
V+
n/cn/c
v-
出点 一个
入点 一个
出点 b
入点 b
2
4
6
1
3
7
5
8
n/c
出点 一个
V+
出点 b
n/c
入点 一个
v-
入点 b
1
2
3
4
8
7
6
5
数据 工作表 april 1999
注意事项: 这些 设备 是 敏感 至 静电 放电; 跟着 适当的 集成电路 搬运 程序.
http://www.intersil.com 或 407-727-9207
|
版权
©
intersil 公司 1999
资料评论区:
点击回复标题作者最后回复时间

标 题:
内 容:
用户名:
手机号:    (*未登录用户需填写手机号,手机号不公开,可用于网站积分.)
      
关于我们 | 联系我们
电    话13410210660             QQ : 84325569   点击这里与集成电路资料查询网联系
联系方式: E-mail:CaiZH01@163.com