>┊
首页 | 最新需求 | 最新现货 | IC库存 | 供应商 | IC英文资料库 | IC中文资料库 | IC价格 | 电路图 | 应用资料 | 技术资料
 IC型号: 
您现在的位置:首页 >  IC英文资料库 进入手机版 
 
资料编号:858551
 
资料名称:MAX3238IDB
 
文件大小: 237K
   
说明
 
介绍:
3-V TO 5.5-V MULTICHANNEL RS-232 LINE DRIVER/RECEIVER
 
 


: 点此下载
 
1
浏览型号MAX3238IDB的Datasheet PDF文件第2页
2
浏览型号MAX3238IDB的Datasheet PDF文件第3页
3
浏览型号MAX3238IDB的Datasheet PDF文件第4页
4
浏览型号MAX3238IDB的Datasheet PDF文件第5页
5
浏览型号MAX3238IDB的Datasheet PDF文件第6页
6
浏览型号MAX3238IDB的Datasheet PDF文件第7页
7
浏览型号MAX3238IDB的Datasheet PDF文件第8页
8
浏览型号MAX3238IDB的Datasheet PDF文件第9页
9
 
本平台电子爱好着纯手工中文简译:截至2020/5/17日,支持英文词汇500个

      

±
   
slls349j − june 1999 − 修订 march 2004
1
post 办公室 框 655303
达拉斯市, 德州 75265
rs-232 总线-管脚 esd 保护 超过
±
15 kv 使用 人体 型号 (hbm)
满足 或 超过 这 要求 的
tia/eia-232-f 和 itu v.28 标准
操作 与 3-v 至 5.5-v v
抄送
供应
操作 向上 至 250 kbit/s
五个 驱动程序 和 三个 接收器
低 备用 current...1
µ
一个 典型
外部 电容器 ...4
×
0.1
µ
f
接受 5-v 逻辑 输入 与 3.3-v 供应
总是-活动 非反相 接收器
输出 (rout1b)
备选方案 高速 引脚兼容
− snx5c3238
应用程序
− 电池供电 系统, pdas,
笔记本, subnotebooks, laptops,
掌上 pcs, 手持 设备,
调制解调器, 和 打印机
描述/订购 信息
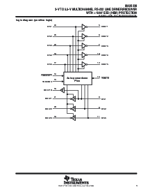
这 max3238 由 的 五个 线 驱动程序, 三个 线 接收器, 和 一个 双 电荷泵 电路 与
±
15-kv esd
(hbm) 保护 管脚 至 管脚 (串行-港口 连接 针脚, 包括 地). 这 设备 满足 这 要求
的 tia/eia-232-f 和 提供 这 电气 接口 之间 笔记本 和 subnotebook 计算机
应用程序. 这 费用 泵 和 四 小 外部 电容器 允许 操作 从 一个 单独 3-v 至 5.5-v
供应. 入点 加法, 这 设备 包括 一个 总是-活动 非反相 输出 (rout1b), 哪个 允许
应用程序使用 这 戒指 指示器 至 发送 数据 同时 这 设备 是 通电 向下. 这些 设备 操作
在 数据 信令 费率 向上 至 250 kbit/s 和 一个 最大值 的 30-v/
µ
s 驾驶员 输出 回转 费率.
订购 信息
t
一个
包装
可订购
零件 号码
顶侧
标记
ssop (db)
导管 的 50 MAX3238CDB
MAX3238C
−0
°
c 至 70
°
c
ssop (db)
卷轴 的 2000 MAX3238CDBR
MAX3238C
−0
°
c 至 70
°
c
tssop (pw)
导管 的 50 MAX3238CPW
MA3238C
tssop (pw)
卷轴 的 2000 MAX3238CPWR
MA3238C
ssop (db)
导管 的 50 MAX3238IDB
MAX3238I
−40
°
c 至 85
°
c
ssop (db)
卷轴 的 2000 MAX3238IDBR
MAX3238I
−40
°
c 至 85
°
c
tssop (pw)
导管 的 50 MAX3238IPW
MB3238Itssop (pw)
卷轴 的 2000 MAX3238IPWR
MB3238I
包装 图纸, 标准 填料 工程量, 热 数据, 符号化, 和 pcb 设计 准则 是
可用 在 www.ti.com/sc/包装.
版权
2004, 德州 仪器仪表 股份公司
请 是 意识到 那 一个 重要 通知 关于 可用能力, 标准 保修, 和 使用 入点 关键 应用程序 的
德州 仪器仪表 半导体 产品 和 免责声明 对此 出现 在 这 结束 的 这个 数据 工作表.
1
2
3
4
5
6
7
8
9
10
11
12
13
14
28
27
26
25
24
23
22
21
20
19
18
17
16
15
C2+
C2−
V−
DOUT1
DOUT2
DOUT3
RIN1
RIN2
DOUT4
RIN3
DOUT5
FORCEON
FORCEOFF
C1+
V+
v
抄送
C1−
DIN1
DIN2
DIN3
ROUT1
ROUT2
DIN4
ROUT3
DIN5
ROUT1B
无效
db 或 pw 包装
(顶部 查看)
        
         
       
   
资料评论区:
点击回复标题作者最后回复时间

标 题:
内 容:
用户名:
手机号:    (*未登录用户需填写手机号,手机号不公开,可用于网站积分.)
      
关于我们 | 联系我们
电    话13410210660             QQ : 84325569   点击这里与集成电路资料查询网联系
联系方式: E-mail:CaiZH01@163.com