>┊
首页 | 最新需求 | 最新现货 | IC库存 | 供应商 | IC英文资料库 | IC中文资料库 | IC价格 | 电路图 | 应用资料 | 技术资料
 IC型号: 
您现在的位置:首页 >  IC英文资料库 进入手机版 
 
资料编号:886453
 
资料名称:SN74ALS138AD
 
文件大小: 525K
   
说明
 
介绍:
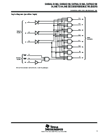
3-LINE TO 8-LINE DECODERS/DEMULTIPLEXERS
 
 


: 点此下载
 
1
浏览型号SN74ALS138AD的Datasheet PDF文件第2页
2
浏览型号SN74ALS138AD的Datasheet PDF文件第3页
3
浏览型号SN74ALS138AD的Datasheet PDF文件第4页
4
浏览型号SN74ALS138AD的Datasheet PDF文件第5页
5
浏览型号SN74ALS138AD的Datasheet PDF文件第6页
6
浏览型号SN74ALS138AD的Datasheet PDF文件第7页
7
浏览型号SN74ALS138AD的Datasheet PDF文件第8页
8
浏览型号SN74ALS138AD的Datasheet PDF文件第9页
9
 
本平台电子爱好着纯手工中文简译:截至2020/5/17日,支持英文词汇500个
sn54als138a, sn54as138, sn74als138a, sn74as138
3-线 至 8-线 解码器/demultiplexers
sdas055e – april 1982 – 修订 july 1996
1
post 办公室 框 655303
达拉斯市, 德州 75265
d
设计 具体而言 用于 高速
记忆 解码器 和 数据 变速器
系统
d
合并 三个 启用 输入 至 简化
层叠 和/或 数据 接待处
d
包装 选项 包括 塑料
小轮廓 (d) 软件包, 陶瓷 芯片
承运人 (fk), 和 标准 塑料 (n) 和
陶瓷 (j) 300-密耳 dips
描述
as138 是 3-线 至 8-线
解码器/demultiplexers 设计 用于 高-
业绩 记忆-解码 或 数据-路由
应用程序 要求 很 短 传播
延迟 次. 入点 高性能 系统, 这些
设备 可以 是 已使用 至 最小化 这 效果 的
系统 解码. 当 就业 与
高速 回忆 与 一个 快 启用 电路,
这 延迟 次 的 这 解码器 和 这 启用 时间
的 这 记忆 是 通常 较少 比 这 典型
访问权限 时间 的 这 记忆. 这 有效 系统
延迟 介绍 由 这 肖特基-夹紧 系统
解码器 是 可忽略不计.
这 条件 在 这 二进制-选择 (一个, b, 和 c)
输入 和 这 三个 启用 (g1, g2a
, 和 g2b)
输入 选择 一个 的 八 输出 线条. 两个
低电平有效 和 一个 有效-高 启用 输入
减少 这 需要 用于 外部 盖茨 或 逆变器 当 正在扩展. 一个 24-线 解码器 可以 是 已实施 无
外部 逆变器 和 一个 32-线 解码器 需要 仅 一个 逆变器. 一个 启用 输入 可以 是 已使用 作为 一个 数据 输入
用于 解复用 应用程序.
这 sn54als138a 和 sn54as138 是 表征 用于 操作 结束 这 已满 军事 温度 范围
的 –55
°
c 至 125
°
c. 这 sn74als138a 和 sn74as138 是 表征 用于 操作 从 0
°
c 至 70
°
c.
版权
1996, 德州 仪器仪表 股份公司
生产 数据 信息 是 电流 作为 的 出版物 日期.
产品 符合 至 规格 按 这 条款 的 德州 仪器仪表
标准 保修. 生产 加工 是否 不 必然 包括
测试 的 全部 参数.
sn54als138a, sn54as138 ...j p组件
sn74als138a, sn74as138 ...d 或 n p组件
(顶部 查看)
3 2 1 20 19
910111213
4
5
6
7
8
18
17
16
15
14
Y1
Y2
nc
Y3
Y4
c
G2A
nc
G2B
G1
sn54als138a, sn54as138 . . . fk 包装
(顶部 查看)
B
一个
nc
Y6
Y5
Y0
Y7
nc
nc – 否 内部 连接
v
抄送
1
2
3
4
5
6
7
8
16
15
14
13
12
11
10
9
一个
B
c
G2A
G2B
G1
Y7
v
抄送
Y0
Y1
Y2
Y3
Y4
Y5
Y6
请 是 意识到 那 一个 重要 通知 关于 可用性, 标准 保修, 和 使用 入点 关键 应用程序 的
德州 仪器仪表 半导体 产品 和 免责声明 对此 出现 在 这 结束 的 这个 数据 工作表.
资料评论区:
点击回复标题作者最后回复时间

标 题:
内 容:
用户名:
手机号:    (*未登录用户需填写手机号,手机号不公开,可用于网站积分.)
      
关于我们 | 联系我们
电    话13410210660             QQ : 84325569   点击这里与集成电路资料查询网联系
联系方式: E-mail:CaiZH01@163.com