>┊
首页 | 最新需求 | 最新现货 | IC库存 | 供应商 | IC英文资料库 | IC中文资料库 | IC价格 | 电路图 | 应用资料 | 技术资料
 IC型号: 
您现在的位置:首页 >  IC英文资料库 进入手机版 
 
资料编号:886576
 
资料名称:SN74LV163APWR
 
文件大小: 461K
   
说明
 
介绍:
4BIT SYNCHRONOUS BINARY
 
 


: 点此下载
 
1
浏览型号SN74LV163APWR的Datasheet PDF文件第2页
2
浏览型号SN74LV163APWR的Datasheet PDF文件第3页
3
浏览型号SN74LV163APWR的Datasheet PDF文件第4页
4
浏览型号SN74LV163APWR的Datasheet PDF文件第5页
5
浏览型号SN74LV163APWR的Datasheet PDF文件第6页
6
浏览型号SN74LV163APWR的Datasheet PDF文件第7页
7
浏览型号SN74LV163APWR的Datasheet PDF文件第8页
8
浏览型号SN74LV163APWR的Datasheet PDF文件第9页
9
 
本平台电子爱好着纯手工中文简译:截至2020/5/17日,支持英文词汇500个
 
   
scls405e −april 1998 − 修订 12月 2004
1
post 办公室 框 655303
达拉斯市, 德州 75265
2-v 至 5.5-v v
抄送
操作
最大值 t
pd
的 9.5 ns 在 5 v
典型 v
olp
(输出 接地 弹跳)
&指示灯;0.8 v 在 v
抄送
= 3.3 v, t
一个
= 25
°
c
典型 v
OHV
(输出 v
下冲)
>2.3 v 在 v
抄送
= 3.3 v, t
一个
= 25
°
c
全部 端口
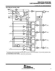
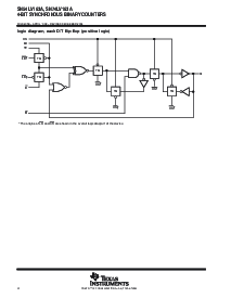
内部 看 前方 用于 快 计数
进位 输出 用于 n位 层叠
同步 计数
同步 可编程
支架 部分断电 模式
操作
闩锁 业绩 超过 100 ma 按
jesd 78, 类 二
esd 保护 超过 jesd 22
− 2000-v 人体 型号 (a114-一个)
− 200-v 机器 型号 (a115-一个)
− 1000-v 已充电-设备 型号 (c101)
SN54LV163A ...j 或 w p组件
SN74LV163A . . . d, db, dgv, ns,
或 pw 包装
(顶部 查看)
SN54LV163A . . . fk 包装
(顶部 查看)
nc − 否 内部 连接
1
2
3
4
5
6
7
8
16
15
14
13
12
11
10
9
clr
clk
一个
B
c
d
ENP
v
抄送
RCO
q
一个
q
B
q
c
q
d
ent
荷载
3 2 1 20 19
910111213
4
5
6
7
8
18
17
16
15
14
q
一个
q
B
nc
q
c
q
d
一个
B
nc
c
d
clk
clr
nc
荷载
ent
RCO
ENP
nc
v
抄送
SN74LV163A . . . rgy 包装
(顶部 查看)
116
89
2
3
4
5
6
7
15
14
13
12
11
10
RCO
q
一个
q
B
q
c
q
d
ent
clk
一个
B
c
d
ENP
v
抄送
clr
荷载
描述/订购 信息
订购 信息
t
一个
包装
可订购
零件 号码
顶侧
标记
qfn − rgy 卷轴 的 1000 SN74LV163ARGYR LV163A
soic − d
导管 的 40 SN74LV163AD
LV163Asoic − d
卷轴 的 2500 SN74LV163ADR
LV163A
sop − ns 卷轴 的 2000 SN74LV163ANSR 74LV163A
−40
°
c 至 85
°
c
ssop − db 卷轴 的 2000 SN74LV163ADBR LV163A
−40 c 至 85 c
导管 的 90 SN74LV163APW
tssop − pw
卷轴 的 2000 SN74LV163APWR
LV163Atssop − pw
卷轴 的 250 SN74LV163APWT
LV163A
tvsop − dgv 卷轴 的 2000 SN74LV163ADGVR LV163A
cdip − j 导管 的 25 SNJ54LV163AJ SNJ54LV163AJ
−55
°
c 至 125
°
c
cfp − w 导管 的 150 SNJ54LV163AW SNJ54LV163AW
−55 c 至 125 c
lccc − fk 导管 的 55 SNJ54LV163AFK SNJ54LV163AFK
包装图纸, 标准 填料 工程量, 热 数据, 符号化, 和 pcb 设计 准则
是 可用 在 www.ti.com/sc/包装.
版权
2004, 德州 仪器仪表 股份公司
请 是 意识到 那 一个 重要 通知 关于 可用能力, 标准 保修, 和 使用 入点 关键 应用程序 的
德州 仪器仪表 半导体 产品 和 免责声明 对此 出现 在 这 结束 的 这个 数据 工作表.
      
         
        
        

资料评论区:
点击回复标题作者最后回复时间

标 题:
内 容:
用户名:
手机号:    (*未登录用户需填写手机号,手机号不公开,可用于网站积分.)
      
关于我们 | 联系我们
电    话13410210660             QQ : 84325569   点击这里与集成电路资料查询网联系
联系方式: E-mail:CaiZH01@163.com