>┊
首页 | 最新需求 | 最新现货 | IC库存 | 供应商 | IC英文资料库 | IC中文资料库 | IC价格 | 电路图 | 应用资料 | 技术资料
 IC型号: 
您现在的位置:首页 >  IC英文资料库 进入手机版 
 
资料编号:8965
 
资料名称:SN74HC590ADRE4
 
文件大小: 584.18K
   
说明
 
介绍:
8-BIT BINARY COUNTERS WITH 3-STATE OUTPUT REGISTERS
 
 


: 点此下载
 
1
浏览型号SN74HC590ADRE4的Datasheet PDF文件第2页
2
浏览型号SN74HC590ADRE4的Datasheet PDF文件第3页
3
浏览型号SN74HC590ADRE4的Datasheet PDF文件第4页
4
浏览型号SN74HC590ADRE4的Datasheet PDF文件第5页
5
浏览型号SN74HC590ADRE4的Datasheet PDF文件第6页
6
浏览型号SN74HC590ADRE4的Datasheet PDF文件第7页
7
浏览型号SN74HC590ADRE4的Datasheet PDF文件第8页
8
浏览型号SN74HC590ADRE4的Datasheet PDF文件第9页
9
 
本平台电子爱好着纯手工中文简译:截至2020/5/17日,支持英文词汇500个
 
  
   
scls039f − 12月ember 1982 − 修订 九月 2003
1
post 办公室 框 655303
达拉斯市, 德州 75265
2-v 至 6-v v
抄送
操作
高电流 3-州 平行 注册
产出 可以 驱动器 向上 至 15 lsttl 荷载
低 电源 消费, 80-
µ
一个 最大值 我
抄送
典型 t
pd
= 14 ns
±
6-ma 输出 驱动器 在 5 v
低 输入 电流 的 1
µ
一个 最大值
8-有点 计数器 与 注册
计数器 有 直接 清除
SN54HC590A ...j 或 w p组件
SN74HC590A . . . d, dw, 或 n 包装
(顶部 查看)
SN54HC590A . . . fk 包装
(顶部 查看)
nc − 否 内部 连接
1
2
3
4
5
6
7
8
16
15
14
13
12
11
10
9
q
B
q
c
q
d
q
e?
q
f
q
g
q
h
v
抄送
q
一个
oe
rclk
CCKEN
CCLK
CCLR
RCO
3212019
91011 1213
4
5
6
7
8
18
17
16
15
14
oe
rclk
nc
CCKEN
CCLK
q
d
q
e?
nc
q
f
q
g
q
nc
RCO
CCLR
h
nc
c
q
B
v
抄送
q
一个
q
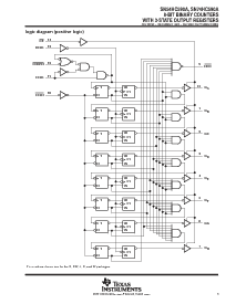
这 ’hc590a 设备 包含 一个 8-有点 二进制 计数器 那 饲料 一个 8-有点 存储 注册. 这 存储 注册
有 平行 产出. 分开 时钟 是 提供 用于 两者都有 这 二进制 计数器 和 存储 注册. 这 二进制
计数器特点 直接 清除 (cclr
) 和 计数-启用 (ccken) 输入. 一个 波纹进位 输出 (rco) 是 提供
用于 层叠. 扩展 是已完成 很容易 用于 两个 阶段 由 正在连接 rco
的 这 第一 舞台 至 ccken
的 这 第二 舞台. 层叠 用于 较大 计数 链条 可以 是 已完成 由 正在连接 rco的 每个 舞台
至 这 计数器 时钟 (cclk) 输入 的 这 以下内容 舞台.
cclk 和 这注册 时钟 (rclk) 输入 是 正-边缘 已触发. 如果 两者都有 时钟 是 已连接 一起,
这 计数器 州 总是 是 一个 计数 前方 的 这 注册. 内部 电路 防止 时钟 从 这 时钟
启用.
订购 信息
t
一个
包装
可订购
零件 号码
顶侧
标记
pdip − n 导管 的 25 SN74HC590AN SN74HC590AN
导管 的 40 SN74HC590AD
−40
°
c 至 85
°
c
soic − d
卷轴 的 2500 SN74HC590ADR
HC590A
−40
°
c 至 85
°
c
soic − d
卷轴 的 250 SN74HC590ADT
HC590A
soic − dw
导管 的 40 SN74HC590ADW
HC590Asoic − dw
卷轴 的 2000 SN74HC590ADWR
HC590A
cdip − j 导管 的 25 SNJ54HC590AJ SNJ54HC590AJ
−55
°
c 至 125
°
c
cfp − w 导管 的 150 SNJ54HC590AW SNJ54HC590AW
−55 c 至 125 c
lccc - fk 导管 的 55 SNJ54HC590AFK SNJ54HC590AFK
包装 图纸, 标准 填料 工程量, 热 数据, 符号化, 和 pcb 设计
准则 是 可用 在 www.ti.com/sc/包装.
版权
2003, 德州 仪器仪表 股份公司
        
         
       
   
请 是 意识到 那 一个 重要 通知 关于 可用能力, 标准 保修, 和 使用 入点 关键 应用程序 的
德州 仪器仪表 半导体 产品 和 免责声明 对此 出现 在 这 结束 的 这个 数据 工作表.
        
       
        
资料评论区:
点击回复标题作者最后回复时间

标 题:
内 容:
用户名:
手机号:    (*未登录用户需填写手机号,手机号不公开,可用于网站积分.)
      
关于我们 | 联系我们
电    话13410210660             QQ : 84325569   点击这里与集成电路资料查询网联系
联系方式: E-mail:CaiZH01@163.com