>┊
首页 | 最新需求 | 最新现货 | IC库存 | 供应商 | IC英文资料库 | IC中文资料库 | IC价格 | 电路图 | 应用资料 | 技术资料
 IC型号: 
您现在的位置:首页 >  IC英文资料库 进入手机版 
 
资料编号:902117
 
资料名称:XC95144-15PQ100C
 
文件大小: 74K
   
说明
 
介绍:
XC95144 In-System Programmable CPLD
 
 


: 点此下载
 
1
浏览型号XC95144-15PQ100C的Datasheet PDF文件第2页
2
浏览型号XC95144-15PQ100C的Datasheet PDF文件第3页
3
浏览型号XC95144-15PQ100C的Datasheet PDF文件第4页
4
浏览型号XC95144-15PQ100C的Datasheet PDF文件第5页
5
浏览型号XC95144-15PQ100C的Datasheet PDF文件第6页
6
浏览型号XC95144-15PQ100C的Datasheet PDF文件第7页
7
浏览型号XC95144-15PQ100C的Datasheet PDF文件第8页
8
浏览型号XC95144-15PQ100C的Datasheet PDF文件第9页
9
 
本平台电子爱好着纯手工中文简译:截至2020/5/17日,支持英文词汇500个
12月 4, 1998 (version
4.0
)
1
特点
7.5 ns pin-to-pin逻辑 延误 开启 全部 针脚
•f
cnt
to111mhz
144 macro细胞 与 3,200 usab乐 gates
向上 至133 用户 我/o 针脚
5 v 在系统内 程序m
-Endurance?的 10,000 程序/擦除 cycle?s
-程序/擦除over 已满 商业 电压 和
温度 范围
增强型 管脚-锁定 体系结构
灵活 36v18 功能B
-90 产品 条款 驱动器 任何 或 全部 的 18 宏单元
内 功能 块
-Glob一个l 一个d产品 期限 时钟, 输出 启用, 设置
和 rese?t 信号
分机e?nsive ieee std1149.1 boundary-sc一个n (jtag)
支持
可编程 电源 红色u运动 模式 入点 每个
宏单元
回转 费率 控制on individu铝 出点puts
用户 程序一个mmable?接地p入点 能力
分机e?nded 图案 秒urity 特点 用于设计 保护
高驱动 24m一个oUtutut也
3.3 v 或 5 v 我/ocapab能力
高级cmos 5v fastflashte?技术
支架 平行 专业版g夯实 的 更多 比 一个
xc9500 同时
一个可用 入点 100-管脚 pqfp, 100-管脚 tqfp, 和160-管脚
pqfp packages
描述
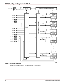
这 xc95144 是 一个 高-p性能 cpld 提供
advance?d 系统内m编程 和test一个bilities 用于
概述purpose 逻辑 integration. 它 是of 八
36v18 功能 块, 提供 3,200 可用 盖茨 与
道具一个gation 延误的 7.5ns. see?Figure?2用于 the?建筑结构-
真实overview.
电源 管理
电源 耗散 可以 be?减少d入点这 xc95144 由 con-
figuring 宏单元 至 标准dolow-powe?右 modes
操作一个操作. 联合国used 宏单元 是 翻转 off 至 最小化
电源 dissip一个操作.
操作gcurrent 用于 每个 设计 可以 是 近似值d用于
具体 操作 条件ons 使用 这 following 方程:
抄送
(ma)=
mc
HP
(1.7) + mc
lp
(0.9) + mc (0.006 ma/mhz) f
在哪里:
mc
HP
= 宏单元 入点 high-按formance 模式
mc
lp
= 宏单元 入点 low-采购订单wer 模式
mc =t奥塔尔 号码of 宏单元已使用
f = 时钟 频率 (mhz)
Figure?1shows一个typic一个l 微积分t离子 用于 这 xc95144
设备.
figure 1:typic铝 我
抄送
vs. 频率 用于 xc95144
1
xc95144 在系统内 可编程
CPLD
12月 4, 1998 (ve?rsion 4.0)
11*
产品sp环保
时钟 频率 (mhz)
典型 我
抄送
(ma)
050
200
(480)
(320)
400
600
100
高 业绩
低 电源
X5898B
(160)
(300)
资料评论区:
点击回复标题作者最后回复时间

标 题:
内 容:
用户名:
手机号:    (*未登录用户需填写手机号,手机号不公开,可用于网站积分.)
      
关于我们 | 联系我们
电    话13410210660             QQ : 84325569   点击这里与集成电路资料查询网联系
联系方式: E-mail:CaiZH01@163.com