>┊
首页 | 最新需求 | 最新现货 | IC库存 | 供应商 | IC英文资料库 | IC中文资料库 | IC价格 | 电路图 | 应用资料 | 技术资料
 IC型号: 
您现在的位置:首页 >  IC英文资料库 进入手机版 
 
资料编号:926170
 
资料名称:KIA7815AF
 
文件大小: 496K
   
说明
 
介绍:
BIPOLAR LINEAR INTEGRATED CIRCUIT
 
 


: 点此下载
 
1
浏览型号KIA7815AF的Datasheet PDF文件第2页
2
浏览型号KIA7815AF的Datasheet PDF文件第3页
3
浏览型号KIA7815AF的Datasheet PDF文件第4页
4
浏览型号KIA7815AF的Datasheet PDF文件第5页
5
浏览型号KIA7815AF的Datasheet PDF文件第6页
6
浏览型号KIA7815AF的Datasheet PDF文件第7页
7
浏览型号KIA7815AF的Datasheet PDF文件第8页
8
浏览型号KIA7815AF的Datasheet PDF文件第9页
9
 
本平台电子爱好着纯手工中文简译:截至2020/5/17日,支持英文词汇500个
2002. 9. 24 1/17
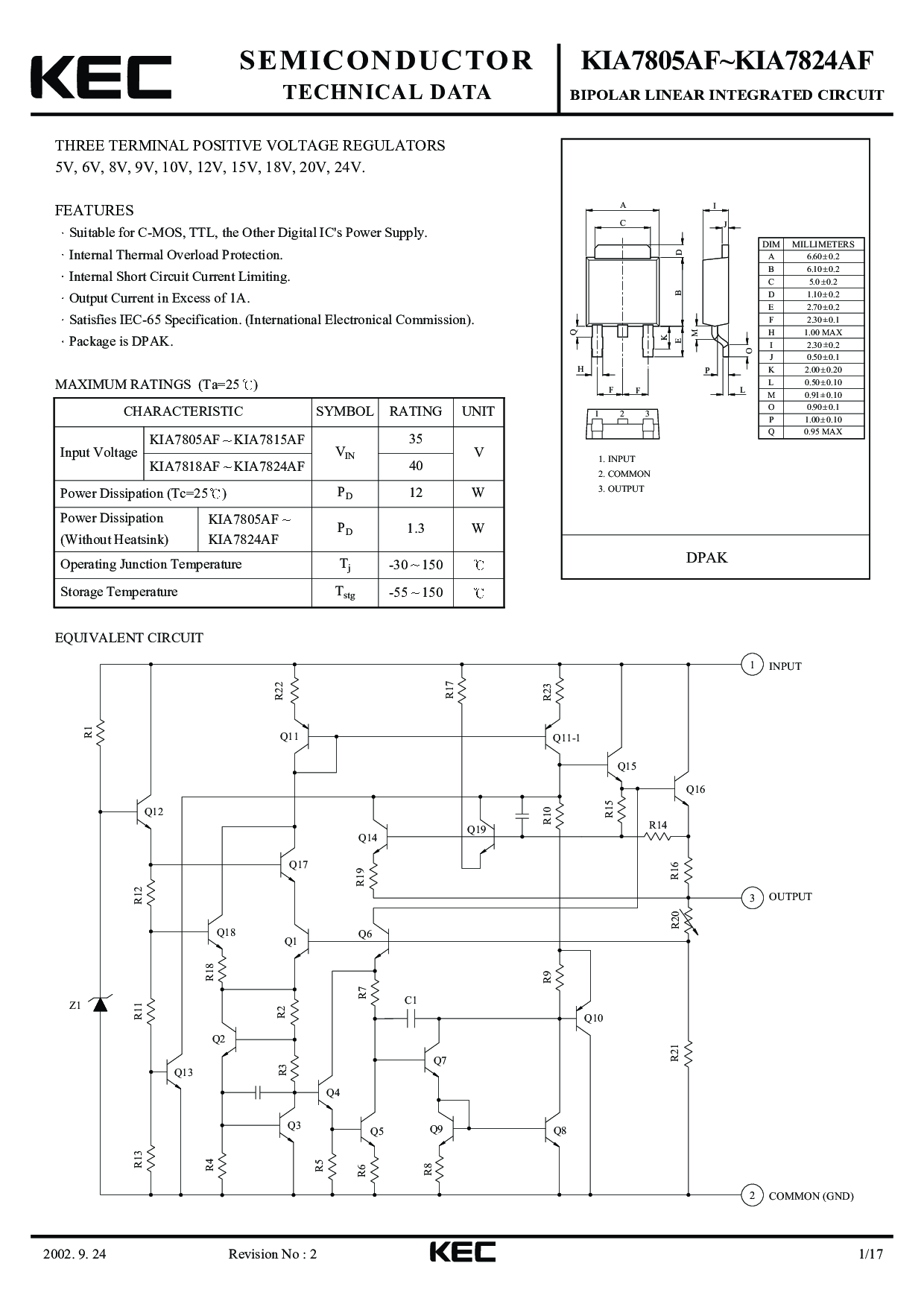
半导体
技术类 数据
KIA7805AF~KIA7824AF
双极性 线性 综合 电路
修订 否 : 2
三个 终端 正 电压 调节器
5v, 6v, 8v, 9v, 10v, 12v, 15v, 18v, 20v, 24v.
特点
适合 用于 c-mos, ttl, 这 其他 数字 集成电路's 电源 供应.
内部 热 过载 保护.
内部 短 电路 电流 限制.
输出 电流 入点 超额 的 1a.
满足 iec-65 规格. (国际 electronical commission).
包装 是 dpak.
DPAK
昏暗 毫米
一个
B
c
d
f
h
j
k
l
6.60 0.2
6.10 0.2
5.0 0.2
1.10 0.2
2.70 0.2
2.30 0.1
1.00 最大值
2.30 0.2
0.50 0.1
2.00 0.20
0.50 0.10
e?
0.91 0.10m
0.90 0.1o
一个
c
d
B
e?
k
j
q
h
f
f
m
o
p
l
123
1. 输入
2. 普通
3. 输出
1.00 0.10p
0.95 最大值q
+
_
+
_
+
_
+
_
+
_
+
_
+
_
+
_
+
_
+
_
+
_
+
_
+
_
最大值 额定值 (助教=25 )
特性 符号 评级 单位
输入 电压
KIA7805AF KIA7815AF
v
入点
35
v
KIA7818AF KIA7824AF
40
电源 耗散 (tc=25 )
p
d
12 w
电源 耗散
(无 散热器)
KIA7805AF
KIA7824AF
p
d
1.3 w
操作 接合点 温度
t
j
-30 150
存储 温度
t
stg
-55 150
R1
R22
Q11
R17
Q12
R12R11R13
Z1
1
3
2
输入
输出
普通 (地)
Q13
Q18
Q17
Q3
Q4
q11-1
Q5
C1
Q7
Q8
Q10
Q1
Q6
Q19
Q14
Q9
Q2
R18
R2
R3
R4
R5
R6
R8
R21 R16
R20
R10
R23
R7
R19
Q16
R9
R14
R15
Q15
等效 电路
资料评论区:
点击回复标题作者最后回复时间

标 题:
内 容:
用户名:
手机号:    (*未登录用户需填写手机号,手机号不公开,可用于网站积分.)
      
关于我们 | 联系我们
电    话13410210660             QQ : 84325569   点击这里与集成电路资料查询网联系
联系方式: E-mail:CaiZH01@163.com