>┊
首页 | 最新需求 | 最新现货 | IC库存 | 供应商 | IC英文资料库 | IC中文资料库 | IC价格 | 电路图 | 应用资料 | 技术资料
 IC型号: 
您现在的位置:首页 >  IC英文资料库 进入手机版 
 
资料编号:940238
 
资料名称:SC16C554DB
 
文件大小: 253K
   
说明
 
介绍:
5 V, 3.3 V and 2.5 V quad UART, 5 Mbit/s (max.) with 16-byte FIFOs
 
 


: 点此下载
 
1
浏览型号SC16C554DB的Datasheet PDF文件第2页
2
浏览型号SC16C554DB的Datasheet PDF文件第3页
3
浏览型号SC16C554DB的Datasheet PDF文件第4页
4
浏览型号SC16C554DB的Datasheet PDF文件第5页
5
浏览型号SC16C554DB的Datasheet PDF文件第6页
6
浏览型号SC16C554DB的Datasheet PDF文件第7页
7
浏览型号SC16C554DB的Datasheet PDF文件第8页
8
浏览型号SC16C554DB的Datasheet PDF文件第9页
9
 
本平台电子爱好着纯手工中文简译:截至2020/5/17日,支持英文词汇500个
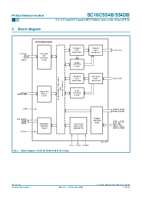
1. 概述 描述
sc16c554b/554db 是 一个 4-频道 通用 异步 接收器 和
变送器 (quart) 已使用 用于 串行 数据 通信. 其 主要负责人 功能 是 至
转换 平行 数据 进入 串行 数据 和 副 反之亦然. 这 uart 可以 手柄 串行 数据
费率 向上 至 5 mbit/s. 它 来 与 一个 英特尔
®
或 摩托罗拉
®
接口.
这 sc16c554b/554db 是 管脚 兼容 与 这 st16c554 和 tl16c554 和 它 将
通电 至 是 功能上 等效 至 这 16c454. 编程 的 控制 寄存器
启用 已添加 特点 sc16c554b/554db. 一些 这些 已添加 特点
这 16-字节 接收 和 发送 fifos, 四 接收 触发器 级别. 这
sc16c554b/554db 也 提供 dma 模式 数据 转让 通过 先进先出 触发器 级别
TXRDY RXRDY 信号. 车载 状态 寄存器 提供 用户 错误
指示, 运营 状态, 和 调制解调器 接口 控制. 系统 中断 将 是
量身定制 至 满足 用户 要求. 一个 内部 环回 能力 允许 车载
诊断.
sc16c554b/554db 操作 在 5 v, 3.3 v 和 2.5 v, 和 这 工业 温度
范围, 和 是 可用 入点 塑料 plcc68, lqfp64, 和 lqfp80 软件包.
2. 特点
4 频道 uart
5 v, 3.3 v 和 2.5 v 操作
工业 温度 范围 (
40
°
c 至 +85
°
c)
这 sc16c554b 是 管脚 和 软件 兼容 与 这 行业标准
st16c454/554, st68c454/554, st16c554, tl16c554
这 sc16c554db 是 管脚 和 软件 兼容 与 st16c554d, 和 软件
兼容 与 st16c454/554, st16c554, tl16c554
向上 至 5 mbit/s 数据 费率 在 5 v 和 3.3 v, 和 3 mbit/s 在 2.5 v
5 v 宽容 输入
16-字节 发送 先进先出
16-字节 接收 先进先出 与 错误 flags
可编程 自动-rts 和 自动-cts
入点 自动-cts 模式, cts 控件 变送器
入点 自动-rts 模式, rxfifo 内容 和 阈值 控制 rts
自动 硬件 flow 控制 (rts/cts)
软件 可选择 波特 费率 发电机
四 可选择 接收 先进先出 中断 触发器 级别
标准 调制解调器 接口
sc16c554b/554db
5 v, 3.3 v 和 2.5 v 四边形 uart, 5 mbit/s (max.) 与 16-byte
FIFOs
rev. 01 — 9 二月 2005 产品 数据 工作表
资料评论区:
点击回复标题作者最后回复时间

标 题:
内 容:
用户名:
手机号:    (*未登录用户需填写手机号,手机号不公开,可用于网站积分.)
      
关于我们 | 联系我们
电    话13410210660             QQ : 84325569   点击这里与集成电路资料查询网联系
联系方式: E-mail:CaiZH01@163.com