>┊
首页 | 最新需求 | 最新现货 | IC库存 | 供应商 | IC英文资料库 | IC中文资料库 | IC价格 | 电路图 | 应用资料 | 技术资料
 IC型号: 
您现在的位置:首页 >  IC英文资料库 进入手机版 
 
资料编号:959555
 
资料名称:AT24C64-10TI
 
文件大小: 237K
   
说明
 
介绍:
2-Wire Serial EEPROM
 
 


: 点此下载
 
1
浏览型号AT24C64-10TI的Datasheet PDF文件第2页
2
浏览型号AT24C64-10TI的Datasheet PDF文件第3页
3
浏览型号AT24C64-10TI的Datasheet PDF文件第4页
4
浏览型号AT24C64-10TI的Datasheet PDF文件第5页
5
浏览型号AT24C64-10TI的Datasheet PDF文件第6页
6
浏览型号AT24C64-10TI的Datasheet PDF文件第7页
7
浏览型号AT24C64-10TI的Datasheet PDF文件第8页
8
浏览型号AT24C64-10TI的Datasheet PDF文件第9页
9
 
本平台电子爱好着纯手工中文简译:截至2020/5/17日,支持英文词汇500个
1
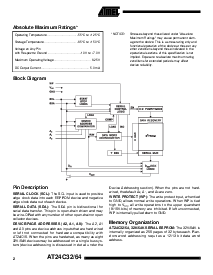
特点
低电压 和 标准-电压 操作
5.0 (v
抄送
= 4.5v 至 5.5v)
2.7 (v
抄送
= 2.7v 至 5.5v)
2.5 (v
抄送
= 2.5v 至 5.5v)
1.8 (v
抄送
= 1.8v 至 5.5v)
低功耗 设备 (我
SB
= 2
µ
µµ
µ
一个 @ 5.5v) 可用
内部 有组织的 4096 x 8, 8192 x 8
2-电线 串行 接口
施密特 触发器, 已过滤 输入 用于 噪声 抑制
双向 数据 转让 协议
100 khz (1.8v, 2.5v, 2.7v) 和 400 khz (5v) 兼容性
写 保护 管脚 用于 硬件 数据 保护
32-字节 第页 写 模式 (部分 第页 写入 允许)
自定时 写 循环 (10 ms 最大值)
高 可靠性
耐力: 1 百万 写 循环次数
数据 保留: 100 年
esd 保护: >3,000v
汽车 等级 和 扩展 温度 设备 可用
8-管脚 电子元件工业联合会 pdip, 8-管脚 和 14-管脚 电子元件工业联合会 soic, 8-pin eiaj soic,
和 8-管脚 tssop 软件包
描述
这 at24c32/64 提供 32,768/65,536 比特 的 串行 电气 可擦除 和 专业版-
可重 阅读 仅 记忆 (可擦可编程只读存储器) 有组织的 作为 4096/8192 字词 的 8 比特
每个. 这 设备的 可级联 功能 允许 向上 至 8 设备 至 分享 一个 普通 2-
电线 总线. 这 设备 是 优化 用于 使用 入点 许多 工业 和 商业 应用程序-
区域 在哪里 低 电源 和 低 电压 操作 是 必不可少的. 这 at24c32/64 是
可用 入点 空间 正在保存 8-管脚 电子元件工业联合会 pdip, 8-管脚 和 14-管脚 电子元件工业联合会 soic, 8-pin
eiaj soic, 和 8-管脚 tssop 软件包 和 是 已访问 通过 一个 2-电线 串行 接口.
入点 加法, 这 整个 家庭 是 可用 入点 5.0v (4.5v 至 5.5v), 2.7v (2.7v 至 5.5v),
串行 可擦可编程只读存储器
32k (4096 x 8)
64k (8192 x 8)
AT24C32
AT24C64
rev. 0336f–08/98
2-电线, 32k
串行 e?
2
舞会
管脚 配置
管脚 姓名 功能
a0 至 a2 地址 输入
SDA 串行 数据
scl 串行 时钟 输入
WP 写 保护
8-管脚 pdip
1
2
3
4
8
7
6
5
A0
A1
A2
VCC
WP
scl
SDA
8-管脚 soic
1
2
3
4
8
7
6
5
A0
A1
A2
VCC
WP
scl
SDA
14-管脚 soic
1
2
3
4
5
6
7
14
13
12
11
10
9
8
nc
A0
A1
nc
A2
nc
nc
VCC
WP
nc
scl
SDA
nc
8-管脚 tssop
1
2
3
4
8
7
6
5
A0
A1
A2
VCC
WP
scl
SDA
资料评论区:
点击回复标题作者最后回复时间

标 题:
内 容:
用户名:
手机号:    (*未登录用户需填写手机号,手机号不公开,可用于网站积分.)
      
关于我们 | 联系我们
电    话13410210660             QQ : 84325569   点击这里与集成电路资料查询网联系
联系方式: E-mail:CaiZH01@163.com