>┊
首页 | 最新需求 | 最新现货 | IC库存 | 供应商 | IC英文资料库 | IC中文资料库 | IC价格 | 电路图 | 应用资料 | 技术资料
 IC型号: 
您现在的位置:首页 >  IC英文资料库 进入手机版 
 
资料编号:962735
 
资料名称:ACTS541HMSR
 
文件大小: 66K
   
说明
 
介绍:
Radiation Hardened Octal Three-State Buffer/Line Driver
 
 


: 点此下载
 
1
浏览型号ACTS541HMSR的Datasheet PDF文件第2页
2
浏览型号ACTS541HMSR的Datasheet PDF文件第3页
3
 
本平台电子爱好着纯手工中文简译:截至2020/5/17日,支持英文词汇500个
1
注意事项: 这些 设备 是 敏感 至 静电 放电; 跟着 适当的 集成电路 搬运 程序.
1-888-intersil 或 321-724-7143 | 版权 © intersil 公司 1999
ACTS541MS
辐射 硬化 八进制
三态 缓冲区/线 驾驶员
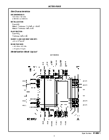
引出线
20 铅 陶瓷 双列直插式
密耳-标准-1835 指示符,
cdip2-t20, 铅 饰面 c
顶部 查看
20 铅 陶瓷 扁平包装
密耳-标准-1835 指示符,
cdfp4-f20, 铅 饰面 c
顶部 查看
11
12
13
14
15
16
17
18
20
19
10
9
8
7
6
5
4
3
2
1
OE1
A0
A1
A2
A3
A4
A6
A5
A7
VCC
Y0
Y1
Y2
OE2
Y3
Y4
Y5
Y6
Y7
2
3
4
5
6
7
8
120
19
18
17
16
15
14
13
OE1
A0
A1
A2
A3
A4
A5
A6
9
10
12
11
A7
VCC
Y0
Y1
Y2
OE2
Y3
Y4
Y5
Y6
Y7
特点
设备 qml qualified 入点 符合 与 密耳-prf-38535
详细 电气 和 筛选 要求 是 包含 入点
smd# 5962-96726 和 intersil’s qm 计划
1.25 微米 辐射 硬化 sos cmos
合计 剂量 . . . . . . . . . . . . . . . . . . . . . . . . . . . . . . . . >300k rad (si)
单独 事件 心烦 (seu) 免疫: &指示灯;1 x 10
-10
错误/有点/日
(典型值)
seu 让 阈值 . . . . . . . . . . . . . . . . . . . . . . . >100 mev-厘米
2
/毫克
剂量 费率 心烦 . . . . . . . . . . . . . . . . >10
11
rad (si)/s, 20ns 脉冲
剂量 费率 survivability . . . . . . . . . . . >10
12
rad (si)/s, 20ns 脉冲
闩锁 免费 下 任何 条件
军事 温度 范围. . . . . . . . . . . . . . . . . . -55
o
c 至 +125
o
c
Signi 电源 减少 比较 至 alsttl 逻辑
直流 操作 电压 范围 . . . . . . . . . . . . . . . . . . . . 4.5v 至 5.5v
输入 逻辑 级别
- vil = 0.8v 最大值
- vih = vcc/2 最小
输入 电流
1
µ
一个 在 体积, voh
快 传播 延迟 . . . . . . . . . . . . . . . . 21ns (最大值), 14ns (典型值)
描述
这 intersil acts541ms 是 一个 辐射 硬化 八进制 缓冲区/线
驾驶员, 与 三态 产出. 这 输出 启用 针脚
oe1, OE2
控制 这 三态 产出. 如果 要么 启用 是 高 这 输出 将 是
入点 一个 高 阻抗 州. 用于 数据 输出 两者都有 启用 必须 是 低.
这 acts541ms 利用 高级 cmos/sos 技术 至 实现
高速 操作. 这个 设备 是 一个 会员 的 一个 辐射 硬化,
高-速度, cmos/sos 逻辑 家庭.
这 acts541ms 是 提供的 入点 一个 20 铅 陶瓷 扁平包装 (k suffix) 或
一个 陶瓷 双列直插式 包装 (d suffix).
january 1996
订购 信息
零件 号码 温度 范围 筛选 水平 包装
5962F9672601VRC -55
o
c 至 +125
o
c 密耳-prf-38535 类 v 20 铅 sbdip
5962F9672601VXC -55
o
c 至 +125
o
c 密耳-prf-38535 类 v 20 铅 陶瓷 扁平包装
acts541d/样品 25
o
c 样品 20 铅 sbdip
acts541k/样品 25
o
c 样品 20 铅 陶瓷 扁平包装
ACTS541HMSR 25
o
c 模具 模具
规格 号码
518891
文件 号码
4094
资料评论区:
点击回复标题作者最后回复时间

标 题:
内 容:
用户名:
手机号:    (*未登录用户需填写手机号,手机号不公开,可用于网站积分.)
      
关于我们 | 联系我们
电    话13410210660             QQ : 84325569   点击这里与集成电路资料查询网联系
联系方式: E-mail:CaiZH01@163.com