>┊
首页 | 最新需求 | 最新现货 | IC库存 | 供应商 | IC英文资料库 | IC中文资料库 | IC价格 | 电路图 | 应用资料 | 技术资料
 IC型号: 
您现在的位置:首页 >  IC英文资料库 进入手机版 
 
资料编号:965280
 
资料名称:ADM691SQ
 
文件大小: 199K
   
说明
 
介绍:
Microprocessor Supervisory Circuits
 
 


: 点此下载
 
1
浏览型号ADM691SQ的Datasheet PDF文件第2页
2
浏览型号ADM691SQ的Datasheet PDF文件第3页
3
浏览型号ADM691SQ的Datasheet PDF文件第4页
4
浏览型号ADM691SQ的Datasheet PDF文件第5页
5
浏览型号ADM691SQ的Datasheet PDF文件第6页
6
浏览型号ADM691SQ的Datasheet PDF文件第7页
7
浏览型号ADM691SQ的Datasheet PDF文件第8页
8
浏览型号ADM691SQ的Datasheet PDF文件第9页
9
 
本平台电子爱好着纯手工中文简译:截至2020/5/17日,支持英文词汇500个
rev. 一个
信息 提供的 由 模拟 设备 是 相信 至 是 准确 和
可靠. 然而, 否 责任 是 假设 由 模拟 设备 用于 其
使用, 也没有 用于 任何 侵权 的 专利 或 其他 权利 的 第三 缔约方
哪个 将 结果 从 其 使用. 否 许可证 是 授予 由 蕴涵 或
否则 下 任何 专利 或 专利 权利 的 模拟 设备.
一个
微处理器
监督 电路
ADM690–ADM695
特点
上级 升级 用于 max690–max695
指定 结束 温度
低 电源 消费 (5 mw)
精度 电压 显示器
重置 断言 向下 至 1 v v
抄送
低 开关 导通电阻 1.5
正常,
20
高 电流 驱动器 (100 ma)
看门狗 timer—100 ms, 1.6 s, 或 可调
600 不适用 备用 电流
自动 蓄电池 备份 电源 开关
极其 快 浇口 的 芯片 启用 信号 (5 ns)
电压 显示器 用于 电源 失败
应用程序
微处理器 系统
计算机
控制器
智能 仪器仪表
汽车 系统
概述 描述
这 adm690–adm695 家庭 的 监督 电路 优惠
完成 单独 芯片 解决方案 用于 电源 供应 监测 和
蓄电池 控制 功能 入点 微处理器 系统. 这些
功能 包括
µ
p 重置, 备份 蓄电池 切换, 看门狗
计时器, cmos ram 写 保护, 和 电源 故障 警告-
ing. 这 完成 家庭 提供 一个 品种 的 配置 至
满足 大多数 微处理器 系统 要求.
这 adm690, adm692 和 adm694 是 可用 入点 8-管脚
倾角 软件包 和 提供:
1. 通电 重置 输出 期间 电源-向上, 掉电 和
电力不足 条件. 这
重置
输出 遗迹 歌剧-
国家 与 v
抄送
作为 低 作为 1 v.
2. 蓄电池 备份 开关 用于 cmos ram, cmos
微处理器 或 其他 低 电源 逻辑.
3. 一个 重置 脉冲 如果 这 可选 看门狗 计时器 有 不 被
已切换 内 一个 指定 时间.
4. 一个 1.3 v 阈值 检测器 用于 电源 失败 警告, 低 蝙蝠tery
检测, 或 至 显示器 一个 电源 供应 其他 比 +5 v.
这 adm691, adm693 和 adm695 是 可用 入点 16-管脚
倾角 和 小 大纲 软件包 和 提供 三个 附加
功能.
1. 写 保护 的 cmos ram 或 可擦可编程只读存储器.
2. 可调 重置 和 看门狗 超时 期间.
3. 分开 看门狗 超时, 备份 蓄电池 切换, 和
低 v
抄送
状态 产出.
这 adm690–adm695 家庭 是 预制 使用 一个 高级
外延 cmos 流程 组合 低 电源 消费
(5 mw), 极其 快 芯片 启用 浇口 (5 ns) 和 高 reli-
能力.
重置
断言 是 保证 与 v
抄送
作为 低 作为 1 v.
入点 加法, 这 电源 开关 电路 是 设计 用于 迷你-
《仲裁示范法》 电压 掉落 从而 允许 增加 输出 电流
驱动器 的 向上 至 100 ma 无 这 需要 用于 一个 外部 通过
晶体管.
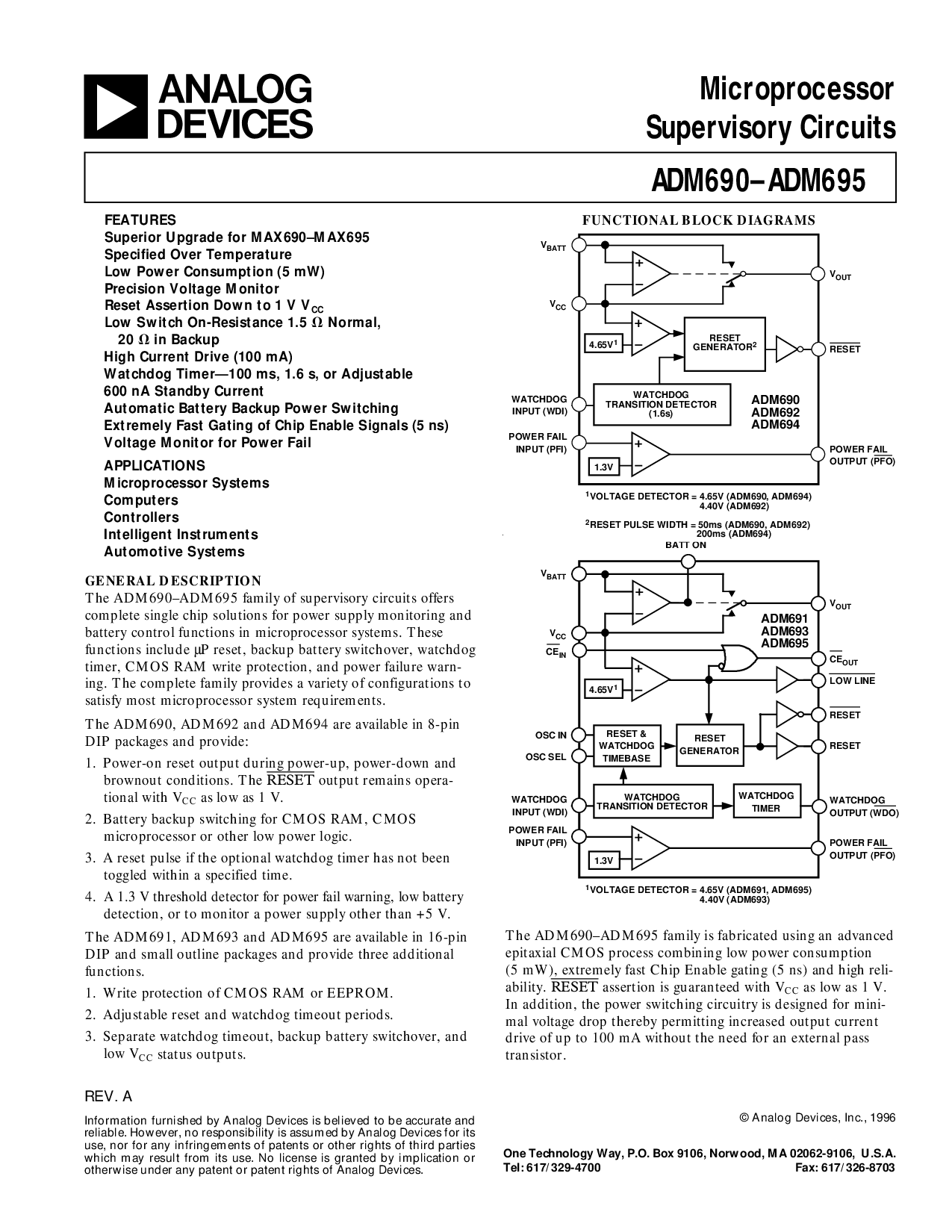
功能 块 图表
4.65v
1
看门狗
过渡 检测器
1.3v
ADM691
ADM693
ADM695
v
出点
v
电池
v
抄送
看门狗
输入 (wdi)
电源 失败
输入 (pfi)
1
电压 检测器 = 4.65v (adm691, adm695)
4.40v (adm693)
电源 失败
输出 (pfo)
重置
看门狗
计时器
重置 &放大器;
看门狗
时基
重置
发电机
电池 开启
osc 入点
osc 选择
看门狗
输出 (wdo)
重置
低 线
ce
出点
ce
入点
4.65v
1
重置
发电机
2
看门狗
过渡 检测器
(1.6s)
1.3v
ADM690
ADM692
ADM694
v
出点
v
电池
v
抄送
看门狗
输入 (wdi)
电源 失败
输入 (pfi)
1
电压 检测器 = 4.65v (adm690, adm694)
4.40v (adm692)
2
重置 脉冲 宽度 = 50ms (adm690, adm692)
200ms (adm694)
电源 失败
输出 (pfo)
重置
© 模拟 设备, 股份有限公司., 1996
一个 技术 方式, p.o. 框 9106, norwood, ma 02062-9106, 美国
电话: 617/329-4700 传真: 617/326-8703
资料评论区:
点击回复标题作者最后回复时间

标 题:
内 容:
用户名:
手机号:    (*未登录用户需填写手机号,手机号不公开,可用于网站积分.)
      
关于我们 | 联系我们
电    话13410210660             QQ : 84325569   点击这里与集成电路资料查询网联系
联系方式: E-mail:CaiZH01@163.com