>┊
首页 | 最新需求 | 最新现货 | IC库存 | 供应商 | IC英文资料库 | IC中文资料库 | IC价格 | 电路图 | 应用资料 | 技术资料
 IC型号: 
您现在的位置:首页 >  IC英文资料库 进入手机版 
 
资料编号:974686
 
资料名称:CD4053BMS
 
文件大小: 149K
   
说明
 
介绍:
CMOS Analog Multiplexers/Demultiplexers
 
 


: 点此下载
 
1
浏览型号CD4053BMS的Datasheet PDF文件第2页
2
浏览型号CD4053BMS的Datasheet PDF文件第3页
3
浏览型号CD4053BMS的Datasheet PDF文件第4页
4
浏览型号CD4053BMS的Datasheet PDF文件第5页
5
浏览型号CD4053BMS的Datasheet PDF文件第6页
6
浏览型号CD4053BMS的Datasheet PDF文件第7页
7
浏览型号CD4053BMS的Datasheet PDF文件第8页
8
浏览型号CD4053BMS的Datasheet PDF文件第9页
9
 
本平台电子爱好着纯手工中文简译:截至2020/5/17日,支持英文词汇500个
7-937
注意事项: 这些 设备 是 敏感 至 静电 放电; 跟着 适当的 集成电路 搬运 程序.
1-888-intersil 或 321-724-7143 | 版权 © intersil 公司 1999
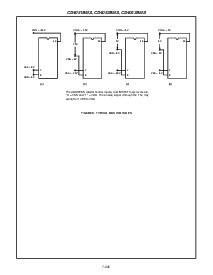
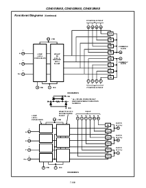
cd4051bms, cd4052bms
CD4053BMS
cmos 模拟
多路复用器/demultiplexers*
描述
cd4051bms, cd4052bms 和 cd4053bms 模拟 多-
plexers/demultiplexers 是 数字 受控 模拟
开关 拥有 低 开启 阻抗 和 很 低 关 泄漏-
年龄 电流. 控制 的 模拟 信号 向上 至 20v 峰值-至-
峰值 可以 是 已实现 由 数字 信号 振幅 的 4.5v 至
20v (如果 vdd-vss = 3v, 一个 vdd-vee 的 向上 至 13v 可以 是 con-
被控制; 用于 vdd-vee 水平 差异 以上 13v, 一个 vdd-
vss 的 在 最小 4.5v 是 必填项). 用于 示例, 如果 vdd =
+4.5v, vss = 0, 和 vee = -13.5v, 模拟 信号 从 -
这些 多路复用器 电路 消散 极其 低 静态
电源 结束 这 已满 vdd-vss 和 vdd-vee 供应 电压
范围, 独立 的 这 逻辑 州 的 这 控制 信号.
当 一个 逻辑 “1” 是 目前 在 这 抑制 输入 终端 全部
频道 是 关.
这 cd4051bms 是 一个 单独 8 频道 多路复用器 拥有
三个 二进制 控制 输入, 一个, b, 和 c, 和 一个 抑制 input.
这 三个 二进制 信号 选择 1 的 8 频道 至 是 翻转
开启, 和 连接 一个 的 这 8 输入 至 这 输出.
这 cd4052bms 是 一个 差速器 4 频道 多路复用器 hav-
ing 两个 二进制 控制 输入, 一个 和 b, 和 一个 抑制 输入.
这 两个 二进制 输入 信号 选择 1 的 4 对 的 频道
至 是 翻转 开启 和 连接 这 模拟 输入 至 这 出点-
看跌期权.
这 cd4053bms 是 一个 三倍 2 频道 多路复用器 拥有
三个 分开 数字 控制 输入, 一个, b, 和 c, 和 一个
抑制 输入. 每个 控制 输入 选择 一个 的 一个 对 的 陈-
figuration.
这 cd4051bms, cd4052bms 和 cd4053bms 是 提供的
入点 这些 16 铅 大纲 软件包:
braze 密封 倾角 *H4X †H4T
玻璃料 密封 倾角 H1E
陶瓷 扁平包装 H6W
*cd4051b 仅 †cd4052b, cd4053 仅
特点
逻辑 水平 换算
高电压 类型 (20v 评级)
cd4051bms 信号 8-频道
cd4052bms 差速器 4-频道
cd4053bms 三倍 2-频道
宽 范围 的 数字 和 模拟 信号 级别:
- 数字 3v 至 20v
- 模拟 至 20vp-p
低 开启 电阻: 125
(典型值) 结束 15vp-p 信号
输入 范围 用于 vdd - vee = 15v
高 关 电阻: 频道 泄漏 的
±
100pA
(典型值) 在 vdd - vee = 18v
逻辑 水平 换算:
- 数字 寻址 信号 的 3v 至 20v (vdd - vss
= 3v 至 20v)
- 开关 模拟 信号 至 20vp-p (vdd - vee = 20v);
请参见 介绍性 文本
匹配 开关 特性: 罗恩 = 5
(典型值) 用于
vdd - vee = 15v
很 低 静态 电源 耗散 下 全部 数字-
tal 控制 输入 和 供应 条件: 0.2
µ
w (典型值)
在 vdd - vss = vdd - vee = 10v
二进制 地址 解码 开启 芯片
5v, 10v 和 15v 参数化 额定值
100% 已测试 用于 静态 电流 在 20v
最大值 输入 电流 的 1
µ
一个 在 18v 结束 已满 空调组件-
年龄 温度 范围; 100na 在 18v 和 +25
o
c
break-之前-制作 开关 消除 频道
重叠
应用程序
模拟 和 数字 多路复用 和 解复用
一个/d 和 d/一个 换算
信号 浇口
* 当 这些 设备 是 已使用 作为 demultiplexers 这 “channel
入点/out” 接线端子 是 这 产出 和 这 “common 出点/in” 之三-
minals 是 这 输入.
文件 号码
3316
12月 1992
资料评论区:
点击回复标题作者最后回复时间

标 题:
内 容:
用户名:
手机号:    (*未登录用户需填写手机号,手机号不公开,可用于网站积分.)
      
关于我们 | 联系我们
电    话13410210660             QQ : 84325569   点击这里与集成电路资料查询网联系
联系方式: E-mail:CaiZH01@163.com