>┊
首页 | 最新需求 | 最新现货 | IC库存 | 供应商 | IC英文资料库 | IC中文资料库 | IC价格 | 电路图 | 应用资料 | 技术资料
 IC型号: 
您现在的位置:首页 >  IC英文资料库 进入手机版 
 
资料编号:974932
 
资料名称:CD74HC137PWR
 
文件大小: 381K
   
说明
 
介绍:
High-Speed CMOS Logic, 3- to 8-Line Decoder/Demultiplexer with Address Latches
 
 


: 点此下载
 
1
浏览型号CD74HC137PWR的Datasheet PDF文件第2页
2
浏览型号CD74HC137PWR的Datasheet PDF文件第3页
3
浏览型号CD74HC137PWR的Datasheet PDF文件第4页
4
浏览型号CD74HC137PWR的Datasheet PDF文件第5页
5
浏览型号CD74HC137PWR的Datasheet PDF文件第6页
6
浏览型号CD74HC137PWR的Datasheet PDF文件第7页
7
浏览型号CD74HC137PWR的Datasheet PDF文件第8页
8
浏览型号CD74HC137PWR的Datasheet PDF文件第9页
9
 
本平台电子爱好着纯手工中文简译:截至2020/5/17日,支持英文词汇500个
1
数据 工作表 获得 从 harris 半导体
SCHS146F
特点
选择 一个 的 八 数据 产出
- 活动 低 用于 cd74hc137 和 cd74hct137
- 活动 高 用于 ’hc237 和 cd74hct237
l/o 港口 或 记忆 选择器
两个 启用 输入 至 简化 层叠
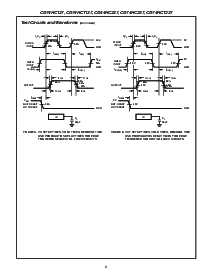
典型 传播 延迟 的 13ns 在 v
抄送
= 5v,
15pf, t
一个
= 25
o
c (cd74hc237)
扇出 (结束 温度 范围)
- 标准 产出 . . . . . . . . . . . . . . . 10 lsttl 荷载
- 总线 驾驶员 产出 . . . . . . . . . . . . . 15 lsttl 荷载
宽 操作 温度 范围 . . . -55
o
c 至 125
o
c
平衡式 传播 延迟 和 过渡 次
Signi 电源 减少 比较 至 lsttl
逻辑 ics
hc 类型
- 2v 至 6v 操作
- 高 噪声 免疫: n
il
= 30%, n
ih
= 30%, 的 v
抄送
在 v
抄送
= 5v
hct 类型
- 4.5v 至 5.5v 操作
- 直接 lsttl 输入 逻辑 兼容性,
v
il
= 0.8v (最大值), v
ih
= 2v (最小)
- cmos 输入 兼容性, 我
l
1
µ
一个 在 v
ol
, v
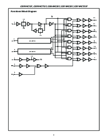
描述
cd74hc137, cd74hct137, ’hc237,
CD74HCT237 速度 闸门 CMOS 解码器
适合 记忆 地址 解码 数据 路由
应用程序. 两者都有 电路 功能 电源 消费
通常 关联的 CMOS 电路, 然而 速度
可比 至 低 电源 肖特基 ttl 逻辑.
两者都有 电路 三个 二进制 选择 输入 (a0, A1 a2)
可以 锁定 一个 活动 门闩 启用 (乐)
信号 隔离 产出 选择-输入 变更. 一个
“Low” 使 输出 透明 输入
电路 功能 作为 一个 一个-的-八 解码器. 两个 输出
启用 输入 (
oe
1
oe
0
) 提供 简化
层叠 促进 解复用.
解复用 功能 已完成 使用 一个
0
,一个
1
,
一个
2
输入 选择 需要 输出 使用 一个
其他 输出 启用 输入 作为 数据 输入 同时 持有
其他 输出 启用 输入 入点 活动 州. 入点
CD74HC137 CD74HCT137 已选择 输出 一个
“low”; 入点 ’HC237 CD74HCT237 已选择 输出
一个 “high”.
订购 信息
零件 号码
温度 范围
(
o
c) 包装
CD54HC237F3A -55 至 125 16 ld cerdip
CD74HC137E -55 至 125 16 ld pdip
CD74HC137PW -55 至 125 16 ld tssop
CD74HC137PWR -55 至 125 16 ld tssop
CD74HC137PWT -55 至 125 16 ld tssop
CD74HC237E -55 至 125 16 ld pdip
CD74HC237M -55 至 125 16 ld soic
CD74HC237MT -55 至 125 16 ld soic
CD74HC237M96 -55 至 125 16 ld soic
CD74HC237NSR -55 至 125 16 ld sop
CD74HC237PW -55 至 125 16 ld tssop
CD74HC237PWR -55 至 125 16 ld tssop
CD74HC237PWT -55 至 125 16 ld tssop
CD74HCT137E -55 至 125 16 ld pdip
CD74HCT137MT -55 至 125 16 ld soic
CD74HCT137M96 -55 至 125 16 ld soic
CD74HCT237E -55 至 125 16 ld pdip
备注: 订购, 使用 整个 零件 号码. suffixes 96
表示 胶带 卷轴. suffix t 表示 一个 小批量
卷轴 的 250.
march 1998 - 修订 october 2003
注意事项: 这些 设备 是 敏感 至 静电 放电. 用户 应该 跟着 适当的 集成电路 搬运 程序.
版权
©
2003, 德州 仪器仪表 股份公司
cd74hc137, cd74hct137,
cd54hc237, cd74hc237,
CD74HCT237
高速 cmos 逻辑, 3- 至 8-线
解码器/多路分解器 与 地址 锁扣
[ /标题
(cd74
HC137
,
c
D74
HCT13
7,
CD74
HC237
,
c
D74
HCT23
7)
/sub-
项目
(高
速度
资料评论区:
点击回复标题作者最后回复时间

标 题:
内 容:
用户名:
手机号:    (*未登录用户需填写手机号,手机号不公开,可用于网站积分.)
      
关于我们 | 联系我们
电    话13410210660             QQ : 84325569   点击这里与集成电路资料查询网联系
联系方式: E-mail:CaiZH01@163.com