>┊
首页 | 最新需求 | 最新现货 | IC库存 | 供应商 | IC英文资料库 | IC中文资料库 | IC价格 | 电路图 | 应用资料 | 技术资料
 IC型号: 
您现在的位置:首页 >  IC英文资料库 进入手机版 
 
资料编号:975004
 
资料名称:CY2DL814SI
 
文件大小: 111K
   
说明
 
介绍:
1:4 Clock Fanout Buffer
 
 


: 点此下载
 
1
浏览型号CY2DL814SI的Datasheet PDF文件第2页
2
浏览型号CY2DL814SI的Datasheet PDF文件第3页
3
浏览型号CY2DL814SI的Datasheet PDF文件第4页
4
浏览型号CY2DL814SI的Datasheet PDF文件第5页
5
浏览型号CY2DL814SI的Datasheet PDF文件第6页
6
浏览型号CY2DL814SI的Datasheet PDF文件第7页
7
浏览型号CY2DL814SI的Datasheet PDF文件第8页
8
 
本平台电子爱好着纯手工中文简译:截至2020/5/17日,支持英文词汇500个
1:4 时钟 扇出 缓冲区
comlink™ 系列
CY2DL814
柏树 半导体 公司
3901 第一 街道 San Jose ca 95134 408-943-2600
文件 #: 38-07057 rev. *a 修订 12月 14, 2002
特点
低电压 操作
v
dd
= 3.3v
1:4 扇出
单独-输入 可配置 用于
lvds, lvpecl, 或 lvttl
四 差速器 对 的 lvds 产出
低 输入 电容
低 输出 偏斜
是否 不 超过 bellcore 802.3 标准
操作 在
350 mhz
700 mbps
低 传播 延迟
典型 (tpd &指示灯; 4 ns)
工业 版本 可用
软件包 可用 包括 tssop/soic
描述
这 柏树 cy2 系列 的 网络 电路 是 生产 使用
高级 0.35-微米 cmos 技术, 实现 这
行业
s 最快 逻辑.
这 柏树 cy2dl814 扇出 缓冲区 特点 一个 单独
lvds-, lvpecl-, 或 lvttl-兼容 输入 和 四 lvds
输出 对.
设计 用于 数据-通信 时钟 管理 应用程序-
区域, 这 扇出 从 一个 单独 输入 减少 正在加载 开启 这
输入 时钟.
这 cy2dl814 是 理想 用于 两者都有 水平 翻译 从 单独
已结束 至 lvds 和/或 用于 这 分布 的 lvds-基于 时钟
信号. 这 柏树 cy2dl814 有 可配置 输入 和
输出 功能. 这 输入 可以 是 可选择 用于
lvpecl/lvttl 或 lvds 信号 同时 这 输出 驾驶员
s
支持 标准 和 高 驱动器 lvds. 驱动器 要么 一个 50-欧姆
或 100-欧姆 线 与 一个 单独 零件 号码/设备.
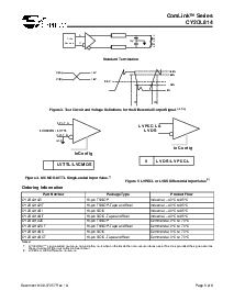
块 图表
管脚 配置
输出
IN+
入点-
Q1A
Q1B
Q2A
Q2B
Q4A
Q4B
Q3A
Q3B
CNTRL
lvds /
lvpecl /
LVTTL
配置
EN1
EN2
LVDS
CY2DL814
16-管脚 tssop/soic
EN1
配置
CNTRL
VDD
IN+
入点-
EN2
Q1A
Q1B
Q2A
Q2B
Q3A
Q3B
Q4A
Q4B
1
2
3
4
5
6
7
8
10
9
11
12
13
14
15
16
资料评论区:
点击回复标题作者最后回复时间

标 题:
内 容:
用户名:
手机号:    (*未登录用户需填写手机号,手机号不公开,可用于网站积分.)
      
关于我们 | 联系我们
电    话13410210660             QQ : 84325569   点击这里与集成电路资料查询网联系
联系方式: E-mail:CaiZH01@163.com