>┊
首页 | 最新需求 | 最新现货 | IC库存 | 供应商 | IC英文资料库 | IC中文资料库 | IC价格 | 电路图 | 应用资料 | 技术资料
 IC型号: 
您现在的位置:首页 >  IC英文资料库 进入手机版 
 
资料编号:994605
 
资料名称:IS61SP12832-117TQ
 
文件大小: 490K
   
说明
 
介绍:
128K x 32 SYNCHRONOUS PIPELINED STATIC RAM
 
 


: 点此下载
 
1
浏览型号IS61SP12832-117TQ的Datasheet PDF文件第2页
2
浏览型号IS61SP12832-117TQ的Datasheet PDF文件第3页
3
浏览型号IS61SP12832-117TQ的Datasheet PDF文件第4页
4
浏览型号IS61SP12832-117TQ的Datasheet PDF文件第5页
5
浏览型号IS61SP12832-117TQ的Datasheet PDF文件第6页
6
浏览型号IS61SP12832-117TQ的Datasheet PDF文件第7页
7
浏览型号IS61SP12832-117TQ的Datasheet PDF文件第8页
8
浏览型号IS61SP12832-117TQ的Datasheet PDF文件第9页
9
 
本平台电子爱好着纯手工中文简译:截至2020/5/17日,支持英文词汇500个
综合 电路 解决方案 公司
1
ssr011-0b
icsi 储备金 这 右侧 至 制造 变更 至 其 产品 在 任何 时间 无 通知 入点 订单 至 改善 设计 和 供应 这 最好 可能 产品. 我们 假设 否 责任 用于 任何 错误
哪个 将 出现 入点 这个 出版物. © 版权 2000, 综合 电路 解决方案 公司
特点
内部 自定时 写 循环
个人 字节 写 控制 和 全球 写
时钟 受控, 已注册 地址, 数据 和
控制
pentium™ 或 线性 突发 顺序 控制
使用 模式 输入
三个 芯片 启用 用于 简单 深度 扩展
和 地址 流水线
普通 数据 输入 和 数据 产出
119-管脚 pbga 包装
单独 +3.3v, +10%, –5% 电源 供应
掉电 贪睡 模式
描述
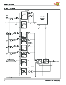
ICSI
is61sp12832 是 一个 高-速度, 低功耗 同步-
nous 静态 ram 设计 至 提供 一个 burstable, 高-perfor-
mance, 次要 高速缓存 用于 这 pentium™, 680x0™, 和
powerpc™ 微处理器. 它 是 有组织的 作为 131,072
字词 由 32 比特, 预制 与
ICSI
's 高级 cmos
技术. 这 设备 集成 一个 2-有点 突发 计数器, 高-
速度 sram 核心, 和 高驱动 能力 产出 进入 一个
单独 单片 电路. 全部 同步 输入 通过 通过
寄存器 受控 由 一个 正-边缘-已触发 单独 时钟
输入.
写 循环次数 是 内部 自定时 和 是 已启动 由 这
上升 边缘 的 这 时钟 输入. 写 循环次数 可以 是 从 一个 至
四 字节数 宽 作为 受控 由 这 写 控制 输入.
分开 字节 启用 允许 个人 字节数 至 是 书面.
BW1
控件 dqa,
BW2
控件 dqb,
BW3
控件 dqc,
BW4
控件 dqd, 条件 由
BWE
正在 低. 一个 低
开启
GW
输入 将 原因 全部 字节数 至 是 书面.
突发 可以 是 已启动 与 要么
ADSP
(地址 状态
处理器) 或
ADSC
(地址 状态 高速缓存 控制器) 输入
针脚. 后续 突发 地址 可以 是 已生成 内部
由 这 is61sp12832 和 受控 由 这
adv
(突发 地址
预付款) 输入 管脚.
这 模式 管脚 是 已使用 至 选择 这 突发 顺序 订单,
线性 突发 是 已实现 当 这个 管脚 是 系紧 低. 交错
突发 是 已实现 当 这个 管脚 是 系紧 高 或 左 浮动.
IS61SP12832
128k x 32 同步
流水线 静态 ram
快 访问权限 时间
符号 参数 -166 -150 -133 -117 -5 单位
t
KQ
时钟 访问权限 时间 3.5 3.8 4 4 5 ns
t
KC
循环 时间 6 6.7 7.5 8.5 10 ns
Frenquency 166 150 133 117 100 MHz
资料评论区:
点击回复标题作者最后回复时间

标 题:
内 容:
用户名:
手机号:    (*未登录用户需填写手机号,手机号不公开,可用于网站积分.)
      
关于我们 | 联系我们
电    话13410210660             QQ : 84325569   点击这里与集成电路资料查询网联系
联系方式: E-mail:CaiZH01@163.com