首页 | 最新需求 | 最新现货 | IC库存 | 供应商 | IC英文资料库 | IC中文资料库 | IC价格 | 电路图 | 应用资料 | 技术资料
位置:首页>  IC库存  
     




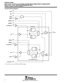
   PDF资料:     
 
1
浏览型号[name]的Datasheet PDF文件第2页
2
浏览型号[name]的Datasheet PDF文件第3页
3
浏览型号[name]的Datasheet PDF文件第4页
4
浏览型号[name]的Datasheet PDF文件第5页
5
浏览型号[name]的Datasheet PDF文件第6页
6
浏览型号[name]的Datasheet PDF文件第7页
7
浏览型号[name]的Datasheet PDF文件第8页
8
浏览型号[name]的Datasheet PDF文件第9页
9
 
IC型号:74GTLP2034DGVRE4 相关型号: 74GTLP2033DGVRE4  74GTLP2033DGVRG4  74GTLP2034DGVRG4  74GTLP22033DGVRE4 
型号 数量 供应商 联系电话 说明 生产商 批号 封装 单价
关于我们 | 联系我们 | 库存地图
联系方式:QQ : 84325569   点击这里与集成电路资料查询网联系          E-mail:CaiZH01@163.com