首页 | 最新需求 | 最新现货 | IC库存 | 供应商 | IC英文资料库 | IC中文资料库 | IC价格 | 电路图 | 应用资料 | 技术资料
位置:首页>  IC库存  
     




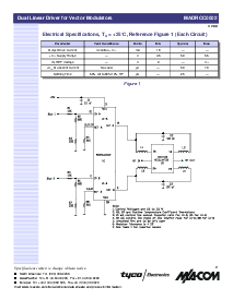
   PDF资料:     
 
1
浏览型号[name]的Datasheet PDF文件第2页
2
浏览型号[name]的Datasheet PDF文件第3页
3
浏览型号[name]的Datasheet PDF文件第4页
4
浏览型号[name]的Datasheet PDF文件第5页
5
 
IC型号:MADRCC0002 相关型号: MADP-007167-0287FT  MADP-008120-12790T  MADRCC0004  MADRD07131 
型号 数量 供应商 联系电话 说明 生产商 批号 封装 单价
MADRCC0002 5026  深圳市亚泰盈科电子有限公司    电话:0755-83759550★多少数量都可以发★ ★广东省内可以货到付款★★ MACOM    QFN-20   
关于我们 | 联系我们 | 库存地图
联系方式:QQ : 84325569   点击这里与集成电路资料查询网联系          E-mail:CaiZH01@163.com