关于我们
支付方式
┊
站内交流区
首页
|
最新需求
|
最新现货
|
IC库存
|
供应商
|
IC英文资料库
|
IC中文资料库
|
IC价格
|
电路图 |
应用资料
|
技术资料
电路图:
3万份资料
您现在的位置:首页 >
电路图
>
传感器电路
芯片中文资料列表
通信电路
信号产生
微机单片机
555电路
光电电路
检测电路
线性放大电路
遥控电路
农业自动化
电子维修
工矿安全电路
传感器电路
音频电路
汽车电路图
其他电路图
电源电路
基础电路
控制电路
热门标签
1
3G
2
TD-SCDMA
3
HDMI
4
MCU
5
ADC
6
ARM
7
LED
8
机顶盒
9
RFID
10
ZIGBEE
11
数码相框
11
SIP/SOC设计
11
嵌入式
11
DSP
11
FPGA
强度调节型光纤传感器...
冰箱门报警电路...
智能化超声波测距专用...
RM型压敏电阻器外形...
家用恒温控制器原理及...
基于ADN8830的...
全自动应急灯电路...
信号调节电路
红外线水位计电路...
MF51型热敏电阻器...
T--X型温度传感器...
新颖的温度控制器电路...
霍尔传感器信号放大电...
由智能化超声波测距专...
音频灯光控触电路图...
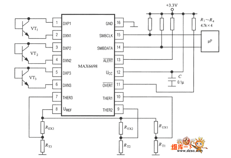
具有7通道智能温度传...
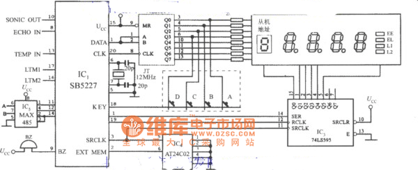
应用实例电路图...
TVS用作交流电源保...
共406条记录分23页显示
首页
前页
1
2
3
4
5
6
7
8
9
10
...
后页
尾页
关于我们
|
联系我们
|
友情链接
联系电话
:
13410210660
QQ :
84325569