关于我们
支付方式
┊
站内交流区
首页
|
最新需求
|
最新现货
|
IC库存
|
供应商
|
IC英文资料库
|
IC中文资料库
|
IC价格
|
电路图 |
应用资料
|
技术资料
电路图:
3万份资料
您现在的位置:首页 >
电路图
>
其他电路图
芯片中文资料列表
通信电路
信号产生
微机单片机
555电路
光电电路
检测电路
线性放大电路
遥控电路
农业自动化
电子维修
工矿安全电路
传感器电路
音频电路
汽车电路图
其他电路图
电源电路
基础电路
控制电路
热门标签
1
3G
2
TD-SCDMA
3
HDMI
4
MCU
5
ADC
6
ARM
7
LED
8
机顶盒
9
RFID
10
ZIGBEE
11
数码相框
11
SIP/SOC设计
11
嵌入式
11
DSP
11
FPGA
用NPN管扩大电流应...
10MHz频率计数器...
简单串联稳压电路图...
日光灯的工作原理及原...
利用废旧PC电源变压...
采用运放构成的传感器...
DS4426应用电路...
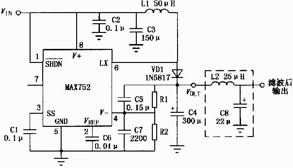
MAX752升压开关...
采用JFET的推挽源...
自制电流负反馈电子分...
暗室扩印定时曝光器电...
MAX1441双通道...
快速响应FET热电偶...
UC3842电源逆变...
脉宽调制器电路...
0-2KV高压稳压电...
使用TNY380PN...
6N3+6v6GT+...
共7101条记录分395页显示
首页
前页
1
2
3
4
5
6
7
8
9
10
...
后页
尾页
关于我们
|
联系我们
|
友情链接
联系电话
:
13410210660
QQ :
84325569