关于我们
支付方式
┊
站内交流区
首页
|
最新需求
|
最新现货
|
IC库存
|
供应商
|
IC英文资料库
|
IC中文资料库
|
IC价格
|
电路图 |
应用资料
|
技术资料
电路图:
3万份资料
您现在的位置:首页 >
电路图
>
通信电路
芯片中文资料列表
通信电路
信号产生
微机单片机
555电路
光电电路
检测电路
线性放大电路
遥控电路
农业自动化
电子维修
工矿安全电路
传感器电路
音频电路
汽车电路图
其他电路图
电源电路
基础电路
控制电路
热门标签
1
3G
2
TD-SCDMA
3
HDMI
4
MCU
5
ADC
6
ARM
7
LED
8
机顶盒
9
RFID
10
ZIGBEE
11
数码相框
11
SIP/SOC设计
11
嵌入式
11
DSP
11
FPGA
触摸式门铃电路图...
800Hz脉冲调制输...
电话盗用报讯器电路图...
567调频解调器...
精密交流电压过高报警...
LM45C超温报警电...
神州ST-9900D...
降温报警器电路...
负载的汽车自触发防开...
FR1091设计的会...
HA323(1E)P...
延迟式尿湿报警电路...
6Hz脉冲闪烁电路...
远距离无线编码报警器...
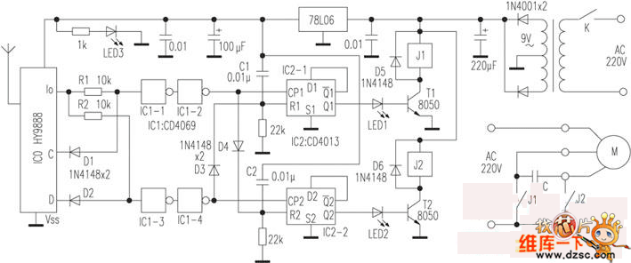
实用电动窗帘遥控装置...
摩托车防盗报警电路...
缺氧报警器电路图...
简单是自锁撤销型防盗...
共339条记录分19页显示
首页
前页
...
11
12
13
14
15
16
17
18
19
后页
尾页
关于我们
|
联系我们
|
友情链接
联系电话
:
13410210660
QQ :
84325569