关于我们
支付方式
┊
站内交流区
首页
|
最新需求
|
最新现货
|
IC库存
|
供应商
|
IC英文资料库
|
IC中文资料库
|
IC价格
|
电路图 |
应用资料
|
技术资料
电路图:
3万份资料
您现在的位置:首页 >
电路图
>
检测电路
芯片中文资料列表
通信电路
信号产生
微机单片机
555电路
光电电路
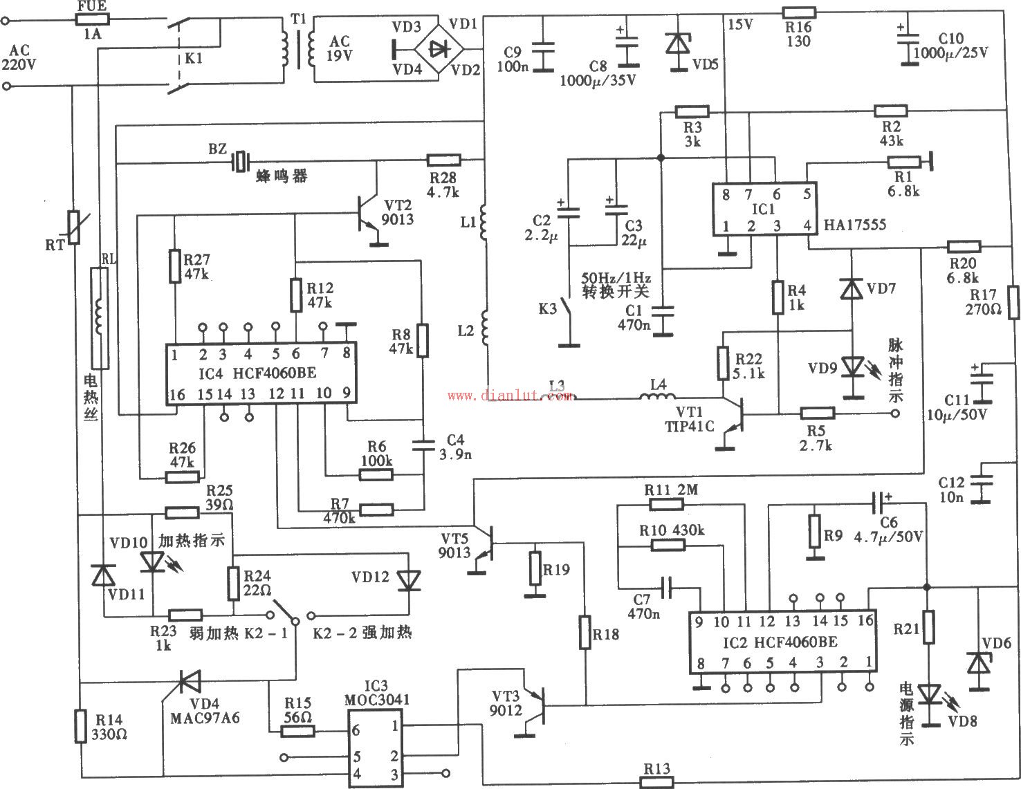
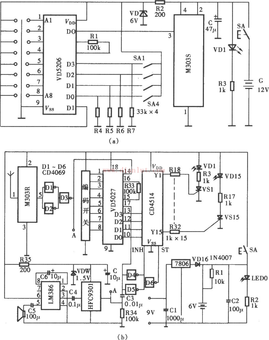
检测电路
线性放大电路
遥控电路
农业自动化
电子维修
工矿安全电路
传感器电路
音频电路
汽车电路图
其他电路图
电源电路
基础电路
控制电路
热门标签
1
3G
2
TD-SCDMA
3
HDMI
4
MCU
5
ADC
6
ARM
7
LED
8
机顶盒
9
RFID
10
ZIGBEE
11
数码相框
11
SIP/SOC设计
11
嵌入式
11
DSP
11
FPGA
病房呼叫系统电路图...
晶本管乘积检波器电路...
TMS320C551...
比率法电阻测量电路...
铃流发生器电路图...
场效应晶体管电压表电...
音频频率指示器电路...
利德LD-1型磁脉冲...
自制简易无线调频话筒...
电池测试仪电路...
运算放大器构成的湿度...
负电容乘法器电路图...
线性刻度欧姆表电路...
微型心律测试器电路图...
儿童防走失提醒器...
数字电压表电路...
电子麻醉器电路图...
便携式兆欧表电路...
共279条记录分16页显示
首页
前页
...
11
12
13
14
15
16
后页
尾页
关于我们
|
联系我们
|
友情链接
联系电话
:
13410210660
QQ :
84325569